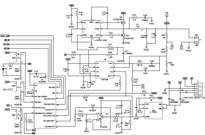
DS51531A, MCP1630 Dual Buck Demo Board is used to evaluate the MCP1630 analog high-speed Pulse Width Modulator
Referenzdesign unter Verwendung des Teils MCP16301T-I/CHY von Microchip Technology
Zugehörige Dokumente
Für Endprodukte
- Automotive and Transportation
- Backplane Distributed Power
- Cable Modem
- DSL Modem
- Industrial
- Set-Top Box
Beschreibung
- DS51531A, MCP1630 Dual Buck Demo Board is used to evaluate the MCP1630 analog high-speed Pulse Width Modulator used in a dual synchronous, buck regulator, power-converter application. evaluation board is a complete, stand-alone, dual-output, DC-DC converter with +12V input, adjustable dual output at 20A per output
Haupteigenschaften
-
Conversion TypeDC to DC
-
Input Voltage9 to 13.5 V
-
Output Current12|12 A
-
TopologyBuck
Empfohlene Bauteile (10)
| Teilenummer | Hersteller | Typ | Beschreibung | |||
|---|---|---|---|---|---|---|
|
|
UA78L05ACPKG3 | Texas Instruments | Linear Regulators | LDO Regulator Pos 5V 0.1A 4-Pin(3+Tab) SOT-89 T/R | In den Warenkorb | |
|
|
MCP6231UT-E/LT | Microchip Technology | Operational Amplifiers - Op Amps | Op Amp Single GP R-R I/O 6V 5-Pin SC-70 T/R | In den Warenkorb | |
|
|
MCP6231UT-E/LTVAO | Microchip Technology | Operational Amplifiers - Op Amps | Op Amp Single GP R-R I/O 6V Automotive AEC-Q100 5-Pin SC-70 T/R | In den Warenkorb | |
|
|
MCP6231UT-E/OT | Microchip Technology | Operational Amplifiers - Op Amps | Op Amp Single GP R-R I/O 6V 5-Pin SOT-23 T/R | In den Warenkorb | |
|
|
UA78L05ACPKE6 | Texas Instruments | Linear Regulators | LDO Regulator Pos 5V 0.1A 4-Pin(3+Tab) SOT-89 T/R | In den Warenkorb | |
|
|
UA78L05ACPK3 | Texas Instruments | Linear Regulators | LDO Regulator Pos 5V 0.1A 4-Pin(3+Tab) SOT-89 T/R | In den Warenkorb | |
|
|
MCP6231UT-E/OTVAO | Microchip Technology | Operational Amplifiers - Op Amps | Op Amp Single GP R-R I/O 6V Automotive AEC-Q100 5-Pin SOT-23 T/R | In den Warenkorb | |
|
|
UA78L05ACPK | Texas Instruments | Linear Regulators | LDO Regulator Pos 5V 0.1A 4-Pin(3+Tab) SOT-89 T/R | In den Warenkorb | |
|
|
PIC16F684-I/ST | Microchip Technology | Microcontrollers - MCUs | MCU 8-bit PIC RISC 3.5KB Flash 2.5V/3.3V/5V 14-Pin TSSOP Tube | In den Warenkorb | |
|
|
MCP16301T-I/CHY | Microchip Technology | DC to DC Converter and Switching Regulator Chip | Conv DC-DC 4V to 30V Step Down Single-Out 2V to 15V 0.6A 6-Pin SOT-23 T/R | In den Warenkorb | |