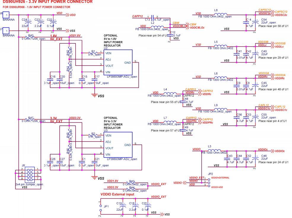
DS90UB926QSEVB/NOPB, Evaluation Board for the DS90UB926Q, 2.975-Gbps FPD-Link III Deserializer

Referenzdesign unter Verwendung des Teils DS90UB926QSQ von Texas Instruments

Hersteller

Texas Instruments
  • Anwendungskategorie
    Schnittstelle
  • Produkttyp
    LVDS Seriell/Parallel Umsetzer

Für Endprodukte

  • Automotive and Transportation
  • Driver Assist
  • Navigation System
  • Rear Seat Entertainment
  • Video Camera

Beschreibung

  • DS90UB926QSEVB/NOPB, Evaluation Kit (EVB) provides an easy way to evaluate the operation and performance of the DS90UB926Q, 2.975-Gbps FPD-Link III deserializer

Aktuelles über Elektronikkomponenten­

Wir haben unsere Datenschutzbestimmungen aktualisiert. Bitte nehmen Sie sich einen Moment Zeit, diese Änderungen zu überprüfen. Mit einem Klick auf "Ich stimme zu", stimmen Sie den Datenschutz- und Nutzungsbedingungen von Arrow Electronics zu.

Wir verwenden Cookies, um den Anwendernutzen zu vergrößern und unsere Webseite zu optimieren. Mehr über Cookies und wie man sie abschaltet finden Sie hier. Cookies und tracking Technologien können für Marketingzwecke verwendet werden.
Durch Klicken von „RICHTLINIEN AKZEPTIEREN“ stimmen Sie der Verwendung von Cookies auf Ihrem Endgerät und der Verwendung von tracking Technologien zu. Klicken Sie auf „MEHR INFORMATIONEN“ unten für mehr Informationen und Anleitungen wie man Cookies und tracking Technologien abschaltet. Das Akzeptieren von Cookies und tracking Technologien ist zwar freiwillig, das Blockieren kann aber eine korrekte Ausführung unserer Website verhindern, und bestimmte Werbung könnte für Sie weniger relevant sein.
Ihr Datenschutz ist uns wichtig. Lesen Sie mehr über unsere Datenschutzrichtlinien hier.