DV330021, dsPICDEM MCSM Development Board Kit is targeted to control both unipolar and bipolar stepper motors in open-loop or closed-loop (current control) mode
Referenzdesign unter Verwendung des Teils DSPIC33FJ12MC202I/SO von Microchip Technology
Zugehörige Dokumente
Für Endprodukte
- Brushless Motor
- DC Motor
- Motor Control
Beschreibung
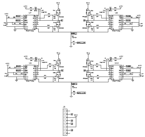
- DV330021, dsPICDEM MCSM Development Board Kit is targeted to control both unipolar and bipolar stepper motors in open-loop or closed-loop (current control) mode. The hardware is designed in such a way that no hardware changes are necessary for 8, 6 or 4-wire stepper motors in either bipolar or unipolar configurations. Software to run motors in open-loop or closed-loop with full or variable micro-stepping is provided. A GUI for controlling step commands, motor parameter input and operation modes is included. This flexible and cost-effective board can be configured in different ways for use with specialized dsPIC33F Motor Control Digital Signal Controllers (DSCs)
Haupteigenschaften
-
Embedded System TypeMCU
-
Family NamedsPIC33F
-
Core ProcessordsPIC
-
PlatformdsPICDEM
Empfohlene Bauteile (14)
| Teilenummer | Hersteller | Typ | Beschreibung | |||
|---|---|---|---|---|---|---|
|
|
LM2736YMKX/NOPB | Texas Instruments | DC to DC Converter and Switching Regulator Chip | Conv DC-DC 3V to 18V Step Down Single-Out 1.25V to 16V 0.75A 6-Pin TSOT-23 T/R | In den Warenkorb | |
|
|
LM2736YMKX/NOPB | Texas Instruments | DC to DC Converter and Switching Regulator Chip | Conv DC-DC 3V to 18V Step Down Single-Out 1.25V to 16V 0.75A 6-Pin TSOT-23 T/R | In den Warenkorb | |
|
|
MCP6024-E/P | Microchip Technology | Operational Amplifiers - Op Amps | Op Amp Quad GP R-R I/O 5.5V 14-Pin PDIP Tube Automotive AEC-Q100 | In den Warenkorb | |
|
|
PIC18LF2450-I/SO | Microchip Technology | Microcontrollers - MCUs | MCU 8-bit PIC RISC 16KB Flash 2.5V/3.3V/5V 28-Pin SOIC W Tube | In den Warenkorb | |
|
|
SN74LVC2G02DCUT | Texas Instruments | Logic Gates | NOR Gate 2-Element 2-IN CMOS 8-Pin VSSOP T/R | In den Warenkorb | |
|
|
SN74LVC2G02DCUR | Texas Instruments | Logic Gates | NOR Gate 2-Element 2-IN CMOS 8-Pin VSSOP T/R | In den Warenkorb | |
|
|
LM2736YMK/NOPB | Texas Instruments | DC to DC Converter and Switching Regulator Chip | Conv DC-DC 3V to 18V Step Down Single-Out 1.25V to 16V 0.75A 6-Pin TSOT-23 T/R | In den Warenkorb | |
|
|
SN74LVC2G02DCTRE4 | Texas Instruments | Logic Gates | NOR Gate 2-Element 2-IN CMOS 8-Pin SSOP T/R | In den Warenkorb | |
|
|
LM2736YMK/NOPB | Texas Instruments | DC to DC Converter and Switching Regulator Chip | Conv DC-DC 3V to 18V Step Down Single-Out 1.25V to 16V 0.75A 6-Pin TSOT-23 T/R | In den Warenkorb | |
|
|
PIC18LF2450-I/SP | Microchip Technology | Microcontrollers - MCUs | MCU 8-bit PIC RISC 16KB Flash 2.5V/3.3V/5V 28-Pin SPDIP Tube | In den Warenkorb | |
|
|
SN74LVC2G02DCUTE4 | Texas Instruments | Logic Gates | NOR Gate 2-Element 2-IN CMOS 8-Pin VSSOP T/R | In den Warenkorb | |
|
|
SN74LVC2G02DCTR | Texas Instruments | Logic Gates | NOR Gate 2-Element 2-IN CMOS 8-Pin SSOP T/R | In den Warenkorb | |