Filter
| Beschreibung | Freigegeben von | Für Anwendung | Für Endprodukte | |||
|---|---|---|---|---|---|---|
DN396FLT6556 Provides Input Video Selector and ADC Driver for Multimedia Display System |
Analog Devices | Video | Video and Imaging, LCD Projector | |||
DC858ALT6555CGN Demo Board, High Speed Triple 2:1 Video Multiplexer, Vcc = 3.3V to 5V, Vee = -3.3V to -5V |
Analog Devices | Video | LCD Projector | |||
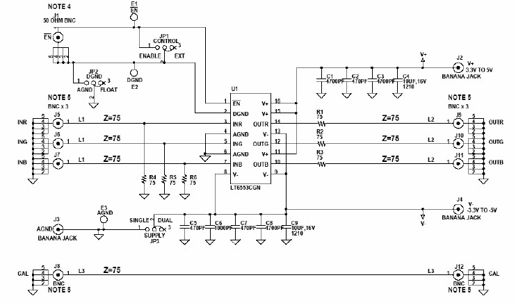
DC892A-BLT6556CUF Demo Board, 650MHz Triple Video Amplifier Fixed Gain of 1 |
Analog Devices | Video | LCD Projector | |||
EVAL-AD9888EB |
Analog Devices | Data Conversion | LCD Monitor, LCD Projector, Plasma TV, Video Graphic Adaptor, Scanners | |||
EVAL-AD9888EB |
Analog Devices | Data Conversion | LCD Monitor, LCD Projector, Plasma TV, Video Graphic Adaptor, Scanners | |||
EVAL-AD9888EB |
Analog Devices | Data Conversion | LCD Monitor, LCD Projector, Plasma TV, Video Graphic Adaptor, Scanners | |||
EVAL-AD9888EB |
Analog Devices | Data Conversion | LCD Monitor, LCD Projector, Plasma TV, Video Graphic Adaptor, Scanners | |||
EVAL-AD9888EB |
Analog Devices | Data Conversion | LCD Monitor, LCD Projector, Plasma TV, Video Graphic Adaptor, Scanners | |||
EVAL-AD9888EB |
Analog Devices | Data Conversion | LCD Monitor, LCD Projector, Plasma TV, Video Graphic Adaptor, Scanners | |||
LT6553_Typical ApplicationTypical Application for LT6553 - 650MHz Gain of 2 Triple Video Amplifier |
Analog Devices | Amplifiers and Comparators | LCD Projector, Cable Driver, RGB Amplifier | |||
LT6558_Typical Application |
Analog Devices | Amplifiers and Comparators | LCD Projector, Video RGB Line Driver, Cable Driver, Analog-to-Digital Converter | |||
LT6559_Typical ApplicationTypical Application for LT6559 - Low Cost 5V/±5V 300MHz Triple Video Amplifier in 3mm x 3mm QFN |
Analog Devices | Amplifiers and Comparators | AV Receiver, LCD Projector, Video RGB Line Driver, Cable Driver, Amplifiers, Analog-to-Digital Converter, Communication Switches | |||
AN-784AN-784, 10-Bit Interface Board for High performance Display Interface Evaluation Boards |
Analog Devices | Interface | LCD TFT Display, Flat Panel Display, CRT Monitor, LCD Projector | |||
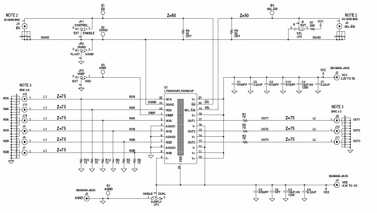
DC892A-ALT6555 Demo Board, 650MHz Gain of 2 Triple Video Multiplexer |
Analog Devices | Video | LCD Projector | |||
DC714A |
Analog Devices | Video | Cable Modem, LCD Projector | |||
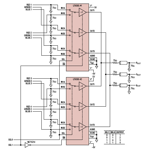
V15N04-06-LT6555-56-munsonA 4-to-1 video multiplexer using the shut-down feature for expansion |
Analog Devices | Video | LCD Projector | |||
DC743ADC743A, Demonstration Circuit for the LT6553 a Triple High Speed Video Amplifier |
Analog Devices | Video | Cable Modem, LCD Projector | |||
AD9981/PCBAD9981/PCB, Evaluation Board for the AD9981 High performance 10-Bit Display Interface |
Analog Devices | Interface | LCD TFT Display, Flat Panel Display, CRT Monitor, LCD Projector | |||
EVAL-ADV7842-7511EVAL-ADV7842-7511, Evaluation Board for Advantiv ADV7842/ADV7511 Video Encoder/Decoder |
Analog Devices | Video | LCD TV, High-Definition TV, PDP TV, LCD Projector, CRT TV, STB and DVR, AVR Equipment, DLP Projectors | |||
EVAL-ADV7842-7511PEVAL-ADV7842-7511P, Evaluation Board for Advantiv ADV7842/ADV7511 Video Encoder/Decoder |
Analog Devices | Video | LCD TV, High-Definition TV, PDP TV, LCD Projector, CRT TV, STB and DVR, AVR Equipment, DLP Projectors | |||