Filter
| Beschreibung | Freigegeben von | Für Anwendung | Für Endprodukte | |||
|---|---|---|---|---|---|---|
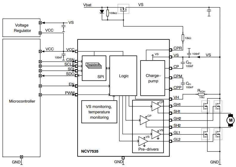
NCV7535_Typical ApplicationTypical Application for NCV7535 SPI Controlled H-bridge and Dual-Half Bridge Pre-Driver |
onsemi | Power Drivers | Button Replacement, Motor Driver | |||
TMG399x_Typical Application |
ams OSRAM | Sensors and Transducers | Gesture Detection, Button Replacement, Color Detection, Touchscreen Products, Ambient Lighting | |||
TMG399x_Typical Application |
ams OSRAM | Sensors and Transducers | Gesture Detection, Button Replacement, Color Detection, Touchscreen Products, Ambient Lighting | |||
TMG399x_Typical Application |
ams OSRAM | Sensors and Transducers | Gesture Detection, Button Replacement, Color Detection, Touchscreen Products, Ambient Lighting | |||