Filter
| Beschreibung | Freigegeben von | Für Anwendung | Für Endprodukte | |||
|---|---|---|---|---|---|---|
ATWINC3400-XPRO |
Microchip Technology | Wireless Communication | Security, Smart Energy, Proximity Detection, Home Automation, Entertainment Devices, Automotive Applications, Health Wellness & Fitness | |||
EVB-USB333X-VIOEVB-USB333X-VIO, Evaluation Board based on USB333X USB Transceiver |
Microchip Technology | Interface | Cellular Phone, Personal Digital Assistant, Set-Top Box, MP3 Player, Portable Media Player, IP Phone, Game Console, Digital Video Recorder, GPS Navigation, Entertainment Devices, Scanners, Hard Disk Drive (HDD), Printers, Digital Still Camera (DSC) | |||
EVB-USB3280EVB-USB3280, Evaluation Board based on USB3280 PHY USB Interface |
Microchip Technology | Interface | Cellular Phone, MP3 Player, Portable Media Player, Entertainment Devices, Scanners, Hard Disk Drive (HDD), Printers, Digital Still Camera (DSC) | |||
EVB-USB3340 |
Microchip Technology | Interface | Cellular Phone, Personal Digital Assistant, Set-Top Box, MP3 Player, Portable Media Player, IP Phone, Game Console, Digital Video Recorder, GPS Navigation, Digital Video Camera, Entertainment Devices, Scanners, Hard Disk Drive (HDD), Printers, Digital Still Camera (DSC) | |||
NCP1117LP_Typical ApplicationTypical Application for NCP1117LP 1.0 A Low-Dropout Positive Fixed Voltage Regulators |
onsemi | Power Supplies | Set-Top Box, Game Console, Switching Power Supply, Entertainment Devices, Monitors & VCRs & TVs, Hard Disk Drive (HDD), Consumer Applications | |||
NCP1117LP_Typical ApplicationTypical Application for NCP1117LP 1.0 A Low-Dropout Positive Adjustable Voltage Regulators |
onsemi | Power Supplies | Set-Top Box, Game Console, Switching Power Supply, Entertainment Devices, Monitors & VCRs & TVs, Hard Disk Drive (HDD), Consumer Applications | |||
NCP6324B_Typical Application |
onsemi | Power Supplies | Cellular Phone, Personal Digital Assistant, Smart Phone, Portable Media Player, DSL Modem, Wireless Modem, Entertainment Devices, Point-of-Load Applications, Digital Still Camera (DSC), USB Power Devices | |||
NCV6323GEVB |
onsemi | Power Supplies | Automotive Cluster, Entertainment Devices, Advanced Driver Assistance Systems (ADAS), Automotive Camera, Point-of-Load Applications, Game Systems, Automotive Audio | |||
NCV8752_Typical Application |
onsemi | Power Supplies | GPS , Power Mirror, STB Satellite Receiver, Rear Camera, Entertainment Devices | |||
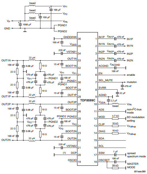
TDF8599C_Typical Application |
NXP Semiconductors | Audio | Car Audio, Entertainment Devices | |||
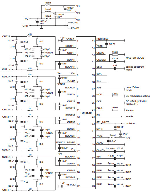
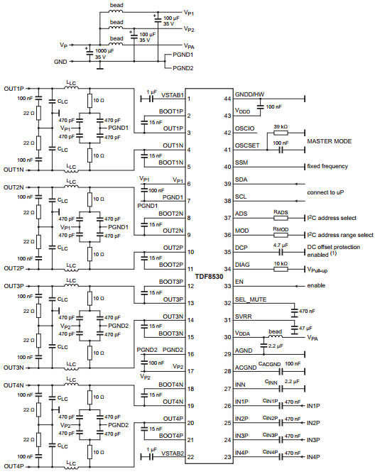
TDF8530_Typical Application |
NXP Semiconductors | Audio | Car Audio, Entertainment Devices | |||
BD9A100MUV_Typical ApplicationTypical Application Circuit for BD9A100MUV 2.7 to 5.5V, 1A Synchronous Buck DC/DC Converter |
ROHM Semiconductor | Power Supplies | Laptop, Power Supplies, LCD TV, Data Storage Devices, Desktop Server, Tablet, Distributed Power System, Entertainment Devices, Printers | |||
BD9D321EFJ_Typical ApplicationTypical Application Circuit for BD9D321EFJ 4.5 to 18V, 3A Synchronous Buck DC/DC Converter |
ROHM Semiconductor | Power Supplies | Power Supplies, Set-Top Box, LCD TV, DVD Player/Recorder, Entertainment Devices | |||
IMX6SLEVKIMX6SLEVK, i.MX 6SoloLite Evaluation Kit based on i.MX 6SoloLite Applications Processor |
NXP Semiconductors | Embedded System | IP Phone, Portable Medical Devices, Infotainment System, Tablet, Smart Book, Intelligent Controller, Human Machine Interface (HMI), Entertainment Devices | |||
TDF8599C_Typical Application |
NXP Semiconductors | Audio | Car Audio, Entertainment Devices | |||
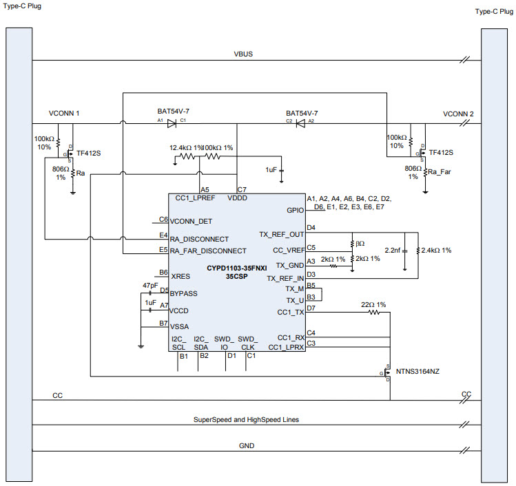
CCG1_Typical Application |
Infineon Technologies AG | Interface | Cables, Entertainment Devices | |||
CCG1_Typical Application |
Infineon Technologies AG | Interface | Cables, Entertainment Devices | |||
TDF8530_Typical Application |
NXP Semiconductors | Audio | Car Audio, Entertainment Devices | |||
TDF8599C_Typical Application |
NXP Semiconductors | Audio | Car Audio, Entertainment Devices | |||
NCV6323_Typical Application |
onsemi | Power Supplies | Personal Digital Assistant, Smart Phone, Portable Media Player, DSL Modem, Wireless Modem, Entertainment Devices, Point-of-Load Applications, Digital Still Camera (DSC), USB Power Devices | |||