Filter
| Beschreibung | Freigegeben von | Für Anwendung | Für Endprodukte | |||
|---|---|---|---|---|---|---|
V17N04-06-LTC3813-14-5-GDittmer |
Analog Devices | Power Supplies | Automotive and Transportation, Industrial Control, Servers, Industrial Networking, Power Substation | |||
V18N03-09-LTm4604-08-JudysunLTM4604, Power Supply Using Low Voltage High Current Step Down Regulators Provide 2.5V or 4A |
Analog Devices | Power Supplies | Industrial Control, Telecom Power Supply, Industrial Networking, RAID Data Storage System | |||
V18N03-09-LTm4604-08-JudysunLTM4608, .Power Supply Using Low Voltage High Current Step Down Regulators Provide 1.8V or 8A |
Analog Devices | Power Supplies | Industrial Control, Telecom Power Supply, Industrial Networking, RAID Data Storage System | |||
V17N04-06-LTC3813-14-5-GDittmer |
Analog Devices | Power Supplies | Automotive and Transportation, Industrial Control, Servers, Industrial Networking, Power Substation | |||
MAX3162EVKIT+MAX3162EVKIT+, Evaluation Kit for MAX3162 3 to 5.5V RS-485 Transceiver |
Analog Devices | Interface | Industrial Control, Point-of-sale Terminals, Security System, Industrial Networking | |||
MAX3160EEVKIT+MAX3160EEVKIT+, Evaluation Kit for MAX3160 3 to 5.5V RS-485 Transceiver |
Analog Devices | Interface | Industrial Control, Point-of-sale Terminals, Security System, Industrial Networking | |||
DC1856B-BDC1856B-B, Demo Board for LTM4649EY 16V, 10A Step-Down Regulator |
Analog Devices | Power Supplies | Industrial Networking, Telecom System | |||
DC1856A-BDC1856A-A, Demo Board for LTM4649EY 3.3V, 10A Step-Down Regulator |
Analog Devices | Power Supplies | Industrial Networking, Telecom System | |||
MAX3535EEVKIT+MAX3535EEVKIT+, Evaluation Kit for MAX3535 3 to 5.5V RS-485 Transceiver |
Analog Devices | Interface | Industrial Networking | |||
MAX3161EEVKIT+MAX3161EEVKIT+, Evaluation Kit for MAX3161 3 to 5.5V RS-485 Transceiver |
Analog Devices | Interface | Industrial Control, Point-of-sale Terminals, Security System, Industrial Networking | |||
DC2171A-ADC2171A-A, Demo Board features the LTM4623, 3A Ultrathin Step-Down Module Regulator |
Analog Devices | Power Supplies | Industrial, Medical and Healthcare, Industrial Networking, Telecom Infrastructure, Data Storage Devices | |||
DC2171A-BDC2171A-B, Demo Board features the LTM4625, 5A Small Footprint Step-Down Module Regulator |
Analog Devices | Power Supplies | Industrial, Medical and Healthcare, Industrial Networking, Telecom Infrastructure, Data Storage Devices | |||
EVAL-AD5755-1SDZ |
Analog Devices | Data Conversion | Industrial Networking, Industrial Process Measurement and Control, Industrial Programmable Logic Controllers (PLCs) | |||
DC1746A-ADC1746A-A, Demo Board Using the LTM2881-3 Isolated RS485/RS422 module Transceiver + Power |
Analog Devices | Interface | Industrial Networking | |||
DC2081A-ADC2081A-A, Demo Board features the LTM4630EV High Efficiency Dual 18A or Single 36A Module Regulator |
Analog Devices | Power Supplies | Industrial, Industrial Networking, Telecom Infrastructure, Storage Area Network | |||
EVAL-AD5757SDZ |
Analog Devices | Data Conversion | Industrial Networking, Industrial Process Measurement and Control, Industrial Programmable Logic Controllers (PLCs) | |||
EVAL-ADM2487EEB3ZEVAL-ADM2487EEB3Z, Evaluation Board for the ADM2487E Isolated RS-485 Transceiver |
Analog Devices | Interface | Industrial Networking | |||
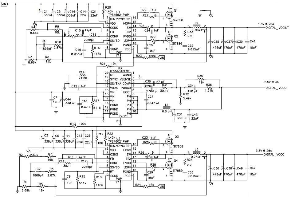
CN-0190 |
Analog Devices | Power Supplies | Set-Top Box, Servers, Industrial Networking | |||
DC1554A-BDC1554A-B, Demo Board Using the LTM2882-5 RS232 module Isolator @ 5V Supply |
Analog Devices | Interface | Industrial Networking | |||
DC1747A-ADC1747A-A, Demo Board Using the LTM2882-3 Dual Isolated RS232 module Transceiver + Power |
Analog Devices | Interface | Industrial Networking | |||