Filter
| Beschreibung | Freigegeben von | Für Anwendung | Für Endprodukte | |||
|---|---|---|---|---|---|---|
CN-0091Unipolar/Bipolar Dual Channel DAC 12-Bit, 2CH DAC for DC Motor |
Analog Devices | Data Conversion | Servo Motor, DC Motor | |||
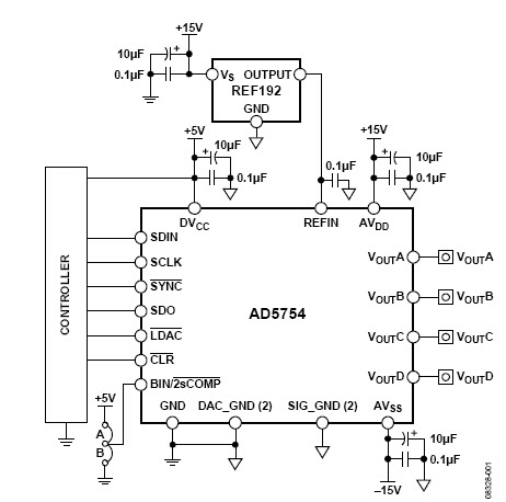
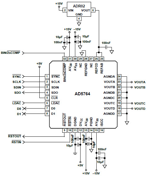
EVAL-AD5764REBZ |
Analog Devices | Data Conversion | Instrumentation and Measurement, Data Acquisition System, Industrial Control, Automatic Test Equipment, Factory Automation, Servo Motor | |||
EVAL-AD5765EBZ |
Analog Devices | Data Conversion | Instrumentation and Measurement, Data Acquisition System, Industrial Control, Automatic Test Equipment, Factory Automation, Servo Motor | |||
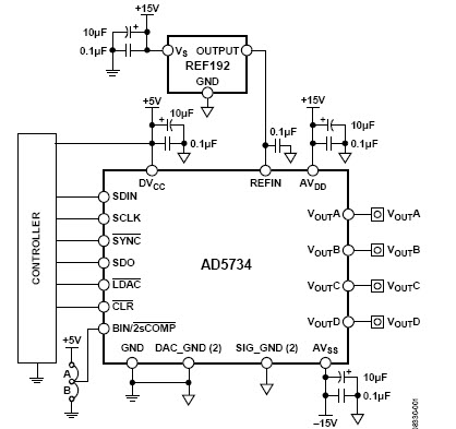
EVAL-AD5754REBZ |
Analog Devices | Data Conversion | Instrumentation and Measurement, Data Acquisition System, Industrial Control, Automatic Test Equipment, Factory Automation, Servo Motor | |||
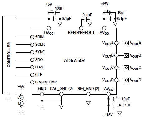
EVAL-AD5764EB |
Analog Devices | Data Conversion | Instrumentation and Measurement, Data Acquisition System, Industrial Control, Automatic Test Equipment, Factory Automation, Servo Motor | |||
CN-0092Software Configurable 16-Bit Dual Channel Unipolar/Bipolar Voltage Output Using DAC |
Analog Devices | Data Conversion | Instrumentation and Measurement, Factory Automation, Servo Motor | |||
CN-0089Software Configurable 16-Bit Dual Channel Unipolar/Bipolar Voltage Output Using DAC |
Analog Devices | Data Conversion | Instrumentation and Measurement, Factory Automation, Servo Motor | |||
CN-0083 |
Analog Devices | Data Conversion | Instrumentation and Measurement, Factory Automation, Servo Motor | |||
CN-0088 |
Analog Devices | Data Conversion | Instrumentation and Measurement, Factory Automation, Servo Motor | |||
CN-0006 |
Analog Devices | Data Conversion | Instrumentation and Measurement, Factory Automation, Servo Motor | |||
AN3161 |
Analog Devices | Interface | Servo Motor | |||
AN3161 |
Analog Devices | Interface | Servo Motor | |||
DAC7678EVM |
Texas Instruments | Data Conversion | Portable, Data Acquisition System, Computers and Peripherals, Servo Motor, Industrial Process Measurement and Control, Industrial Programmable Logic Controllers (PLCs) | |||
SLAU5035% Error, 0.5-4.5 V Input, +/-2 A Output, Bridge-Tied-Load (BTL) Voltage-to-Current (V-I) Converter |
Texas Instruments | Amplifiers and Comparators | Servo Motor, Pumps, Thermoelectric Cooler, Sensor and Transducer, Multiple Motors Synchronization | |||
TIDA-00199 |
Texas Instruments | Power Supplies | UPS Power Supply, Servo Motor, Solar Power Inverter, Industrial Inverter | |||
TIDA-00163TIDA-00163, Isolated RS-232 to UART Converter Reference Design |
Texas Instruments | Isolation | Industrial, Power Supplies, Motion Motor Control, Servo Motor | |||
TIDA-00316 |
Texas Instruments | Amplifiers and Comparators | Industrial, Power Supplies, Servo Motor, Solar Power Inverter, UPS System, AC Drives, DC Drives, Inverters | |||
TIDA-00176 |
Texas Instruments | Data Conversion | Servo Motor, CNC Machine, AC Drives | |||
TIDA-00368 |
Texas Instruments | Amplifiers and Comparators | Power Supplies, Robotics, Servo Motor, Solar Power Inverter, CNC Machine, UPS System, Industrial Drives, Motion Control, Inverters | |||
TIDA-00178TIDA-00178, Interface to a Sin/Cos Encoder with Sitara AM437x Reference Design |
Texas Instruments | Data Conversion | Industrial, Factory Automation, Robotics, Servo Motor, CNC Machine, Motion Control, Inverters | |||