Filter
| Beschreibung | Freigegeben von | Für Anwendung | Für Endprodukte | |||
|---|---|---|---|---|---|---|
LT4180_Typical ApplicationTypical Application for LT4180 - Virtual Remote Sense Controller |
Analog Devices | Power Supplies | Notebook, Adaptor AC to DC Supply, Surveillance and Security System, Data Logger, High-Intensity Discharge, Portable Instrumentation, Industrial System, High-Power Applications, Battery Powered Computers | |||
TND330/DTND330/D, 16W, 12V AC to DC Single Output Power Supply Reference Design |
onsemi | Power Supplies | xDSL Modem/DSLAM, Adaptor AC to DC Supply | |||
DN06052/D2W, 5.2V AC to DC Single Output Power Supply for Adaptor AC to DC Supply |
onsemi | Power Supplies | LED Lighting, Adaptor AC to DC Supply | |||
STUSB4710_Typical ApplicationTypical (Power supply - Flyback topology) Application for STUSB4710 Autonomous USB PD Controller |
STMicroelectronics | Interface | Power Supplies, Desktop PC, Portable Consumer Electronics, Docking Station, Adaptor AC to DC Supply, Displays, USB Hub, Smart Plugs, Wall Adapter | |||
STUSB4710_Typical ApplicationTypical (Power supply - Buck topology) Application for STUSB4710 Autonomous USB PD Controller |
STMicroelectronics | Interface | Power Supplies, Desktop PC, Portable Consumer Electronics, Docking Station, Adaptor AC to DC Supply, Displays, USB Hub, Smart Plugs, Wall Adapter | |||
TPS2513EVM-527TPS2513EVM-527, Evaluation Module for TPS2513 Dual Channel, Auto Detect USB Charging Controller |
Texas Instruments | Switches | Adaptor AC to DC Supply, Specialty Vehicle | |||
PMP9088PMP9088, 6W USB Charger Reference Design with Quasi Resonant/Flyback Controller |
Texas Instruments | Power Supplies | Smart Phone, Digital Camera, Adaptor AC to DC Supply, AC to DC Power Supply, Tablet | |||
UCC25600EVM-644 |
Texas Instruments | Power Supplies | Power Supplies, Audio, Electronic Ballast, ATX Power Supply, Adaptor AC to DC Supply, LCD Panel, Plasma TV | |||
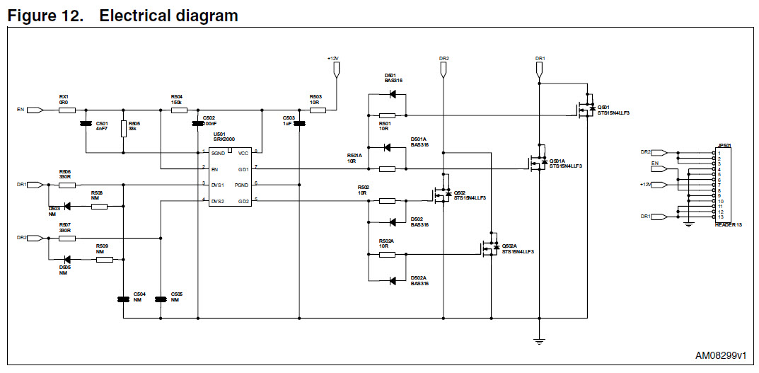
EVLSRK2000-L-40150W, 12V AC to DC Single Output Power Supply for Adaptor AC to DC Supply |
STMicroelectronics | Power Supplies | Power Supplies, Desktop PC, Adaptor AC to DC Supply | |||
AL6562_Typical ApplicationTypical Application for AL6562 Transition Mode PFC LED Controller |
Diodes Incorporated | Lighting | Battery Charger, Adaptor AC to DC Supply, LED Driver, Power Factor Correction | |||
AR2003FV_Typical Application |
Diodes Incorporated | Power Supplies | Power Supplies, Desktop PC Power Supply, Adaptor AC to DC Supply, PoE Power Supply, Fly-Back Converter, AC to DC Charger, Compact SMPS | |||
AP330112V-3.5AEV1 |
Diodes Incorporated | Power Supplies | Set-Top Box, Home Appliances, Adaptor AC to DC Supply, AC to DC Power Supply | |||
AP3785TEV1AP3785TEV1, Evaluation Board based on Universal AC input, PSR & PFM AP3785T 5V-3A Type C |
Diodes Incorporated | Power Supplies | Home Appliances, Adaptor AC to DC Supply, AC to DC Charger | |||
AN70AC to DC Single Output Power Supply for Adaptor AC to DC Supply |
Diodes Incorporated | Power Supplies | Set-Top Box, Servers, LCD Monitor, LCD TV, Adaptor AC to DC Supply, Street LED Lighting | |||
MCP16331_Typical Application |
Microchip Technology | Power Supplies | Set-Top Box, DSL Modem, Adaptor AC to DC Supply, Power Meter, Health System, Distributed Power System, Battery-Powered Devices, DSP/FPGA/Microprocessor Supplies, Automotive Systems, Point-of-Load Conversions, Consumer Applications | |||
ADM00497 |
Microchip Technology | Switches | Notebook, Desktops and Servers, Docking Station, Adaptor AC to DC Supply, E-Book, Tablet, Printers | |||
MCP16331_Typical Application |
Microchip Technology | Power Supplies | Set-Top Box, DSL Modem, Adaptor AC to DC Supply, Power Meter, Health System, Distributed Power System, Battery-Powered Devices, DSP/FPGA/Microprocessor Supplies, Automotive Systems, Point-of-Load Conversions, Consumer Applications | |||
DN06024/D40W, 9V, 12V, 16V, 24V AC to DC Multi-Output Power Supply for Adaptor AC to DC Supply |
onsemi | Power Supplies | Adaptor AC to DC Supply | |||
NCP1246_Typical ApplicationTypical Application for NCP1246 Fixed Frequency Current Mode Flyback Converters |
onsemi | Power Supplies | Notebook, Adaptor AC to DC Supply, LCD TV Power Supply | |||
NCP1207A_Typical Application |
onsemi | Power Supplies | Set-Top Box, Battery Charger, DVD Player, Television, Adaptor AC to DC Supply, Auxiliary Supplies | |||