EVAL-AD7366SDZ, Evaluation Board Evaluating the AD7366
Referenzdesign unter Verwendung des Teils AD7366BRUZ von Analog Devices
Zugehörige Dokumente
Für Endprodukte
- Industrial Applications
Beschreibung
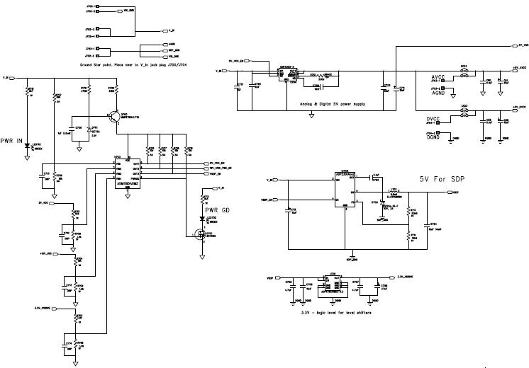
- EVAL-AD7366SDZ is a fully featured evaluation kit for the AD7366. This board operates in Standalone mode or in conjunction with the System Development Platform, EVAL-SDP-CB1Z. When operated with the System Development Platform software is provided enabling the user to perform detailed analysis of the ADC's performance. This software includes the technical note describing the operation and set up of the evaluation board in Standalone operation or when operated with the System Development Platform. When operated in Standalone mode the ADZS-BRKOUT-EX3 break out board is recommended for access to various control pins
Haupteigenschaften
-
ADC Resolution12 Bit
-
ADC Sampling Rate1M SPS
-
Number of Channels2CH
Empfohlene Bauteile (19)
| Teilenummer | Hersteller | Typ | Beschreibung | |||
|---|---|---|---|---|---|---|
|
|
AD780ARZ | Analog Devices | Voltage References | V-Ref Programmable 2.5V/3V 10mA 8-Pin SOIC N Tube | In den Warenkorb | |
|
|
AD780ARZ-REEL7 | Analog Devices | Voltage References | V-Ref Programmable 2.5V/3V 10mA 8-Pin SOIC N T/R | In den Warenkorb | |
|
|
ADG3308BRUZ | Analog Devices | Level Translators | Voltage Level Translator 8-CH Bidirectional 20-Pin TSSOP Tube | In den Warenkorb | |
|
|
ADP2301AUJZ-R7 | Analog Devices | DC to DC Converter and Switching Regulator Chip | Conv DC-DC 3V to 20V Step Down Single-Out 0.8V to 17V 1.2A Medical 6-Pin TSOT T/R | In den Warenkorb | |
|
|
ADM1185ARMZ-1REEL7 | Analog Devices | Supervisory Circuits | Processor Supervisor 4 Active High/Open Drain 10-Pin MSOP T/R | In den Warenkorb | |
|
|
AD8021ARZ-REEL7 | Analog Devices | Operational Amplifiers - Op Amps | Op Amp Single High Speed Amplifier ±12V/24V 8-Pin SOIC N T/R | In den Warenkorb | |
|
|
ADM1185ARMZ-1 | Analog Devices | Supervisory Circuits | Processor Supervisor 4 Active High/Open Drain 10-Pin MSOP Tube | In den Warenkorb | |
|
|
24LC32A-I/MS | Microchip Technology | EEPROM | EEPROM Serial-I2C 32K-bit 4K x 8 3.3V/5V 8-Pin MSOP Tube | In den Warenkorb | |
|
|
ADP1720ARMZ-3.3-R7 | Analog Devices | Linear Regulators | LDO Regulator Pos 3.3V 0.05A 8-Pin MSOP T/R | In den Warenkorb | |
|
|
ADP1613ARMZ-R7 | Analog Devices | DC to DC Converter and Switching Regulator Chip | Conv DC-DC 2.5V to 5.5V Step Up Single-Out 2.5V to 20V 8-Pin MSOP T/R | In den Warenkorb | |
|
|
AD8021ARZ | Analog Devices | Operational Amplifiers - Op Amps | Op Amp Single High Speed Amplifier ±12V/24V 8-Pin SOIC N Tube | In den Warenkorb | |
|
|
ADG3308BRUZ-REEL | Analog Devices | Level Translators | Voltage Level Translator 8-CH Bidirectional 20-Pin TSSOP T/R | In den Warenkorb | |