EVAL-AD7768-4FMCZ, Evaluation Board for AD7768-4, 24-Bit, 4-Ch, Simultaneous Sampling, 256 kSPS, Sigma-Delta ADC with Power Scaling
Referenzdesign unter Verwendung des Teils AD7768-4BSTZ von Analog Devices
Für Endprodukte
- Audio Equipments
- Data Acquisition System
- Electrocardiogram (ECG)
- Electroencephalogram (EEG)
- Electromyography (EMG)
- Industrial Control
- Portable Instrumentation
- Radar and Sonar
- Vibration/Waveform Analysis
Beschreibung
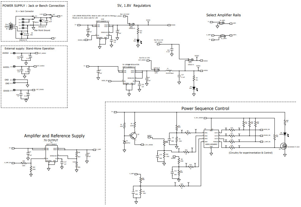
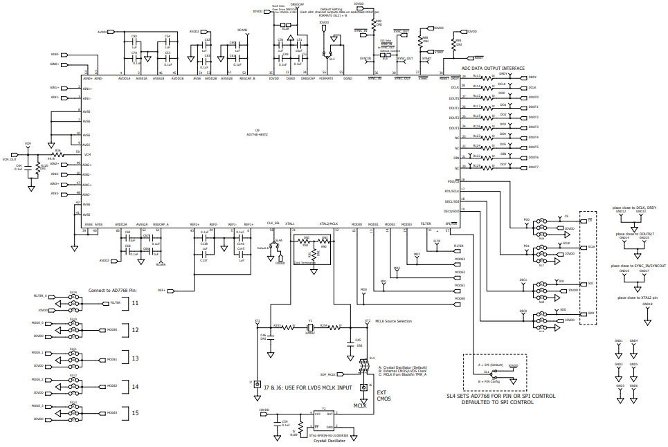
- EVAL-AD7768-4FMCZ, Evaluation Kit features the AD7768-4, 24-bit, 256 kSPS, analog-to-digital converter (ADC). A 7 to 9 V external bench top supply is regulated to 5V and 3.3V to supply the AD7768-4 and support components. The EVAL-AD7768-4FMCZ board connects to the USB port of the PC via a connection to the SDP-H1 motherboard, EVAL-SDP-CH1Z. The AD7768-4 evaluation software fully configures the AD7768-4 device register functionality and provides dc and ac time domain analysis in the form of waveform graphs, histograms, and associated noise analysis for ADC performance evaluation. The EVAL-AD7768-4FMCZ is an evaluation board that allows the user to evaluate the features of the ADC. The user PC software executable controls the AD7768-4 over a USB cable through the EVAL-SDP-CH1Z system demonstration platform (SDP)
Haupteigenschaften
-
ADC Resolution24 Bit
-
ADC Sampling Rate256K SPS
-
Number of Channels4CH
Empfohlene Bauteile (10)
| Teilenummer | Hersteller | Typ | Beschreibung | |||
|---|---|---|---|---|---|---|
|
|
OP2177ARMZ | Analog Devices | Operational Amplifiers - Op Amps | Op Amp Dual Precision Amplifier ±15V 8-Pin MSOP Tube | In den Warenkorb | |
|
|
ADR444BRZ | Analog Devices | Voltage References | V-Ref Fixed 4.096V 10mA 8-Pin SOIC N Tube | In den Warenkorb | |
|
|
ADP7118ARDZ | Analog Devices | Linear Regulators | LDO Regulator Pos 1.2V to 19V 0.2A 8-Pin SOIC N EP Tube | In den Warenkorb | |
|
|
ADM1185ARMZ-1 | Analog Devices | Supervisory Circuits | Processor Supervisor 4 Active High/Open Drain 10-Pin MSOP Tube | In den Warenkorb | |
|
|
ADP7118ARDZ-5.0 | Analog Devices | Linear Regulators | LDO Regulator Pos 5V 0.2A 8-Pin SOIC N EP Tube | In den Warenkorb | |
|
|
ADA4841-1YRJZ-R2 | Analog Devices | Operational Amplifiers - Op Amps | Op Amp Single Low Noise Amplifier R-R O/P ±6V/12V 6-Pin SOT-23 T/R | In den Warenkorb | |
|
|
ADP7118ARDZ-3.3 | Analog Devices | Linear Regulators | LDO Regulator Pos 3.3V 0.2A 8-Pin SOIC N EP Tube | In den Warenkorb | |
|
|
ADA4841-1YRJZ-R7 | Analog Devices | Operational Amplifiers - Op Amps | Op Amp Single Low Noise Amplifier R-R O/P ±6V/12V 6-Pin SOT-23 T/R | In den Warenkorb | |
|
|
ADA4896-2ARMZ | Analog Devices | Operational Amplifiers - Op Amps | Op Amp Dual Low Power Amplifier R-R O/P ±5V/10V 8-Pin MSOP Tube | In den Warenkorb | |
|
|
AD7768-4BSTZ | Analog Devices | Analog to Digital Converters - ADCs | 4-Channel Quad ADC Delta-Sigma 256ksps 24-bit Serial 64-Pin LQFP Tray | In den Warenkorb | |