EVAL-ADA4350RUZ-P, Evaluation Board for Evaluating the ADA4350, a FET Input Analog Front End With ADC Driver Offered in a 28-Lead 9.8 mm + 6.4 mm TSSOP

Referenzdesign unter Verwendung des Teils ADA4350ARUZ von Analog Devices

Hersteller

Analog Devices
  • Anwendungskategorie
    Datenkonvertierung
  • Produkttyp
    Analog zu Digital Wandlung

Für Endprodukte

  • Chemical Processing
  • Data Acquisition System
  • Photodiode Sensor
  • Power Conversion
  • Receivers

Beschreibung

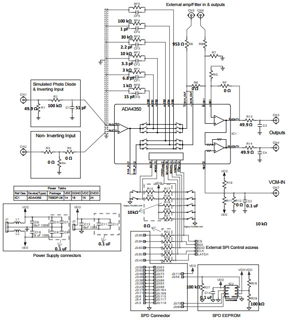
  • EVAL-ADA4350RUZ-P, Evaluation Board is designed to evaluate the ADA4350 offered in a 28-lead, 9.8 mm + 6.4 mm thin shrink small outline package (TSSOP). The evaluation board is a populated board that enables users to quickly prototype the best configuration of the analog front end for their systems. The evaluation board is a 6-layer printed circuit board (PCB) designed to minimize leakage currents with its guard ring features. It accepts SMA edge mounted connectors on the inputs and outputs for efficient connection to test equipment or other circuitry. The evaluation board components are primarily SMT 0603 case size with the exception of the electrolytic bypass capacitors (C9, C10 and C13), which are 1206 case size

Haupteigenschaften

  • Number of Channels
    1CH

Aktuelles über Elektronikkomponenten­

Wir haben unsere Datenschutzbestimmungen aktualisiert. Bitte nehmen Sie sich einen Moment Zeit, diese Änderungen zu überprüfen. Mit einem Klick auf "Ich stimme zu", stimmen Sie den Datenschutz- und Nutzungsbedingungen von Arrow Electronics zu.

Wir verwenden Cookies, um den Anwendernutzen zu vergrößern und unsere Webseite zu optimieren. Mehr über Cookies und wie man sie abschaltet finden Sie hier. Cookies und tracking Technologien können für Marketingzwecke verwendet werden.
Durch Klicken von „RICHTLINIEN AKZEPTIEREN“ stimmen Sie der Verwendung von Cookies auf Ihrem Endgerät und der Verwendung von tracking Technologien zu. Klicken Sie auf „MEHR INFORMATIONEN“ unten für mehr Informationen und Anleitungen wie man Cookies und tracking Technologien abschaltet. Das Akzeptieren von Cookies und tracking Technologien ist zwar freiwillig, das Blockieren kann aber eine korrekte Ausführung unserer Website verhindern, und bestimmte Werbung könnte für Sie weniger relevant sein.
Ihr Datenschutz ist uns wichtig. Lesen Sie mehr über unsere Datenschutzrichtlinien hier.