EVAL-ADAU7002Z, Evaluation Board Using the ADAU7002 TDM Data Conversion

Referenzdesign unter Verwendung des Teils ADAU7002ACBZ-R von Analog Devices

Hersteller

Analog Devices
  • Anwendungskategorie
    CODEC
  • Produkttyp
    Audio PCM Codec

Für Endprodukte

  • Cellular Phone
  • Gaming and Toys
  • MP3 Player
  • Portable
  • Smart Phone

Beschreibung

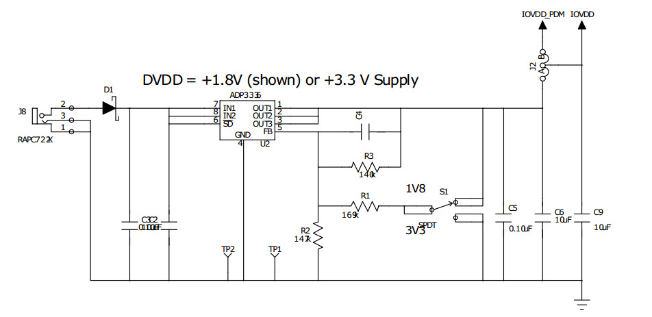
  • EVAL-ADAU7002Z, Evaluation Board design and setup of the ADAU7002, provides full access to all inputs and outputs on the ADAU7002. This evaluation board can be powered by a single 3.8 V to 6 V supply or by VDD of the pulse density modulation (PDM)input. The PC board is a 4-layer design, with a single ground plane and a single power plane on the inner layers. The board contains connectors for external microphones and headers for PDM input and I2S output

Aktuelles über Elektronikkomponenten­

Wir haben unsere Datenschutzbestimmungen aktualisiert. Bitte nehmen Sie sich einen Moment Zeit, diese Änderungen zu überprüfen. Mit einem Klick auf "Ich stimme zu", stimmen Sie den Datenschutz- und Nutzungsbedingungen von Arrow Electronics zu.

Wir verwenden Cookies, um den Anwendernutzen zu vergrößern und unsere Webseite zu optimieren. Mehr über Cookies und wie man sie abschaltet finden Sie hier. Cookies und tracking Technologien können für Marketingzwecke verwendet werden.
Durch Klicken von „RICHTLINIEN AKZEPTIEREN“ stimmen Sie der Verwendung von Cookies auf Ihrem Endgerät und der Verwendung von tracking Technologien zu. Klicken Sie auf „MEHR INFORMATIONEN“ unten für mehr Informationen und Anleitungen wie man Cookies und tracking Technologien abschaltet. Das Akzeptieren von Cookies und tracking Technologien ist zwar freiwillig, das Blockieren kann aber eine korrekte Ausführung unserer Website verhindern, und bestimmte Werbung könnte für Sie weniger relevant sein.
Ihr Datenschutz ist uns wichtig. Lesen Sie mehr über unsere Datenschutzrichtlinien hier.