EVAL-ADE7878, Evaluation Board for Evaluating the ADE7878 Energy Metering IC

Referenzdesign unter Verwendung des Teils ADE7878ACPZ von Analog Devices

Hersteller

Analog Devices
  • Anwendungskategorie
    Messen und Überwachen
  • Produkttyp
    Energiemesser

Zugehörige Dokumente

Für Endprodukte

  • Metering
  • Test and Measurement

Beschreibung

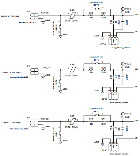
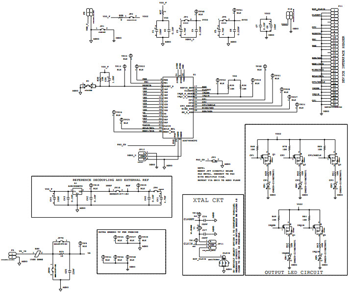
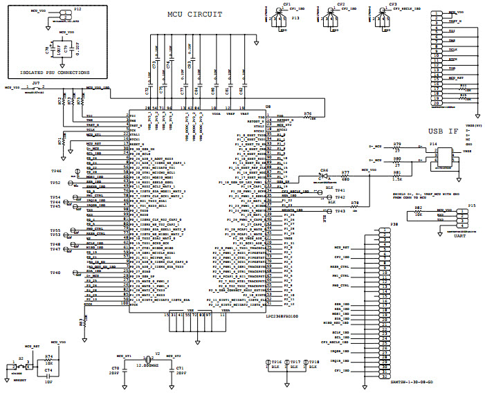
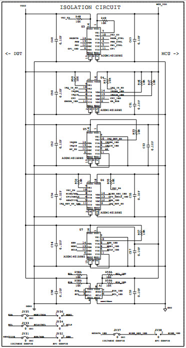
  • EVAL-ADE7878, Evaluation Board for Evaluating the ADE7878 is a high accuracy, 3-phase electrical energy measurement IC with serial interfaces and three flexible pulse outputs. The ADE7878 incorporates seven ADCs, reference circuitry and all signal processing required to perform total (fundamental and harmonic) active, reactive and apparent energy measurement, fundamental active and reactive energy measurement and rms calculations. It describes the ADE7878 evaluation kit hardware, firmware and software functionality. The evaluation board contains an ADE7878 and a LPC2368 microcontroller. The ADE7878 and its associated metering components are optically isolated from the microcontroller. The microcontroller communicates with the PC using a USB interface. Firmware updates can be loaded using one PC com port and a regular serial cable

Aktuelles über Elektronikkomponenten­

Wir haben unsere Datenschutzbestimmungen aktualisiert. Bitte nehmen Sie sich einen Moment Zeit, diese Änderungen zu überprüfen. Mit einem Klick auf "Ich stimme zu", stimmen Sie den Datenschutz- und Nutzungsbedingungen von Arrow Electronics zu.

Wir verwenden Cookies, um den Anwendernutzen zu vergrößern und unsere Webseite zu optimieren. Mehr über Cookies und wie man sie abschaltet finden Sie hier. Cookies und tracking Technologien können für Marketingzwecke verwendet werden.
Durch Klicken von „RICHTLINIEN AKZEPTIEREN“ stimmen Sie der Verwendung von Cookies auf Ihrem Endgerät und der Verwendung von tracking Technologien zu. Klicken Sie auf „MEHR INFORMATIONEN“ unten für mehr Informationen und Anleitungen wie man Cookies und tracking Technologien abschaltet. Das Akzeptieren von Cookies und tracking Technologien ist zwar freiwillig, das Blockieren kann aber eine korrekte Ausführung unserer Website verhindern, und bestimmte Werbung könnte für Sie weniger relevant sein.
Ihr Datenschutz ist uns wichtig. Lesen Sie mehr über unsere Datenschutzrichtlinien hier.