EVAL-ADuC7024QS, ADuC7024 Evaluation Board for Evaluating Micro-Converter ADuC7024 Development System
Referenzdesign unter Verwendung des Teils ADuC7024BCP von Analog Devices
Zugehörige Dokumente
- ADP3333ARM-3.3-RL CAD/Foot Print
- AD8606AR-REEL7 CAD/Foot Print
- AD8606ARZ-REEL CAD/Foot Print
- AD8606ARZ-REEL7 CAD/Foot Print
- ADR291ER-REEL7 CAD/Foot Print
- adp3333arm-3.3-rl CAD symbol
- AD8606ARM-REEL CAD/Foot Print
- AD8132ARMZ Multisim SPICE
- AD8132ARMZ-REEL7 CAD/Foot Print
- ADR291ER-REEL7 Multisim SPICE
- adr291er CAD symbol
- adr291er-reel7 CAD symbol
- ADR291ERZ CAD/Foot Print
- AD8606ARM-R2 CAD/Foot Print
- ADR291ERZ-REEL7 CAD/Foot Print
- ADP3333ARM-3.3-RL Multisim SPICE
- ad8606arm-r2 CAD symbol
- AD8606ARMZ-REEL CAD/Foot Print
- AD8132ARM Multisim SPICE
- ad8132arm CAD symbol
- AD8132ARMZ-REEL CAD/Foot Print
- ADR291ER CAD/Foot Print
- ad8606ar CAD symbol
- AD8606AR CAD/Foot Print
- ad8606ar-reel CAD symbol
- ad8606ar-reel7 CAD symbol
- AD8132ARM CAD/Foot Print
- AD8132ARM-REEL7 CAD/Foot Print
- AD8606AR-REEL CAD/Foot Print
- AD8606ARZ CAD/Foot Print
- AD8132ARMZ CAD/Foot Print
- ADuC7024BCPZ62 CAD/Foot Print
- ad8606arm-reel CAD symbol
- AD8606ARMZ-R7 CAD/Foot Print
- AD8132ARM-REEL CAD/Foot Print
- ad8132armz CAD symbol
Für Endprodukte
- Factory Automation
- Industrial Control
- Instrumentation and Measurement
- Optical Networking
- Smart Sensor
- Wireless Base Station
Beschreibung
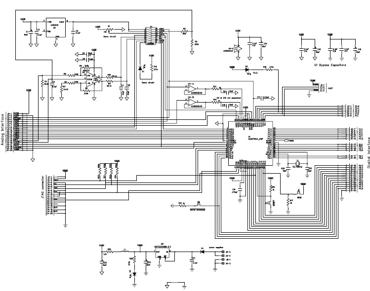
- EVAL-ADuC7024QS, ADuC7024 Evaluation Board for Evaluating Micro-Converter ADuC7024 development system. The ADuC7024 is fully integrated, 1-MSPS, 12-bit data acquisition systems incorporating high performance multi channel ADCs, 16/32-bit MCUs and Flash/EE memory on a single chip. The ADC consists of up to 12 single-ended inputs. An additional four inputs are available but are multiplexed with the four DAC output pins
Haupteigenschaften
-
Embedded System TypeMCU
-
Family NameARM7TDMI
-
Core ProcessorARM7
-
PlatformQuickStart
Empfohlene Bauteile (14)
| Teilenummer | Hersteller | Typ | Beschreibung | |||
|---|---|---|---|---|---|---|
|
|
AD8606ARZ-REEL | Analog Devices | Operational Amplifiers - Op Amps | Op Amp Dual Low Noise Amplifier R-R I/O 5.5V 8-Pin SOIC N T/R | In den Warenkorb | |
|
|
AD8606ARMZ-REEL | Analog Devices | Operational Amplifiers - Op Amps | Op Amp Dual Low Noise Amplifier R-R I/O 5.5V 8-Pin MSOP T/R | In den Warenkorb | |
|
|
ADR291ERZ | Analog Devices | Voltage References | V-Ref Precision 2.5V 5mA 8-Pin SOIC N Tube | In den Warenkorb | |
|
|
AD8132ARMZ | Analog Devices | Special Purpose Amplifiers | SP Amp DIFF AMP Single ±5.5V/11V 8-Pin MSOP Tube | In den Warenkorb | |
|
|
AD8132ARMZ-REEL7 | Analog Devices | Special Purpose Amplifiers | SP Amp DIFF AMP Single ±5.5V/11V 8-Pin MSOP T/R | In den Warenkorb | |
|
|
AD8606ARMZ-R7 | Analog Devices | Operational Amplifiers - Op Amps | Op Amp Dual Low Noise Amplifier R-R I/O 5.5V 8-Pin MSOP T/R | In den Warenkorb | |
|
|
ADR291ERZ-REEL7 | Analog Devices | Voltage References | V-Ref Precision 2.5V 5mA 8-Pin SOIC N T/R | In den Warenkorb | |
|
|
AD8132ARMZ-REEL | Analog Devices | Special Purpose Amplifiers | SP Amp DIFF AMP Single ±5.5V/11V 8-Pin MSOP T/R | In den Warenkorb | |
|
|
AD8606ARZ-REEL7 | Analog Devices | Operational Amplifiers - Op Amps | Op Amp Dual Low Noise Amplifier R-R I/O 5.5V 8-Pin SOIC N T/R | In den Warenkorb | |
|
|
AD8606ARZ | Analog Devices | Operational Amplifiers - Op Amps | Op Amp Dual Low Noise Amplifier R-R I/O 5.5V 8-Pin SOIC N Tube | In den Warenkorb | |
|
|
ADUC7024BCPZ62 | ARM7® MicroConverter® IC | Analog Devices | Microcontrollers - MCUs | MCU 16-bit/32-bit ARM7TDMI RISC 62KB Flash 3.3V 64-Pin LFCSP EP Tray | In den Warenkorb | |
|
|
ADUC7024BCPZ62-RL | Analog Devices | Microcontrollers - MCUs | MCU 16-bit/32-bit ARM7TDMI RISC 62KB Flash 3.3V 64-Pin LFCSP EP T/R | In den Warenkorb | |