EVAL-L9177A, Evaluation Board based on L9177A Motion Motor Control

Referenzdesign unter Verwendung des Teils L9177A von STMicroelectronics

Hersteller

STMicroelectronics
  • Anwendungskategorie
    Sensoren und Wandler
  • Produkttyp
    Magnetsensor

Für Endprodukte

  • Injection Drivers
  • Relay Driver
  • Stepper Motor
  • Tachometer

Beschreibung

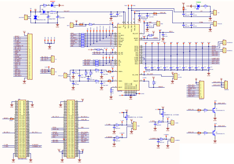
  • EVAL-L9177A, Evaluation Board designed to evaluate L9177A, a smart power device in advanced BCD technology. The L9177A is able to drive all the relevant loads used in one/two cylinder powertrain applications (Injectors, Relay, stepper motor, tachometer, etc.), to interface with Variable Reluctance Sensors and Hall sensors, to monitor diagnostic functionalities and to interact with the main networks present in powertrain environment (K-Line). All channels are protected against short circuit and over-temperature condition. The board can be connected to the SPC563MDISP, the Discovery+ board developed for the SPC563M64L

Haupteigenschaften

  • Input Signal Amplitude
    3.9 to 30 V

Aktuelles über Elektronikkomponenten­

Wir haben unsere Datenschutzbestimmungen aktualisiert. Bitte nehmen Sie sich einen Moment Zeit, diese Änderungen zu überprüfen. Mit einem Klick auf "Ich stimme zu", stimmen Sie den Datenschutz- und Nutzungsbedingungen von Arrow Electronics zu.

Wir verwenden Cookies, um den Anwendernutzen zu vergrößern und unsere Webseite zu optimieren. Mehr über Cookies und wie man sie abschaltet finden Sie hier. Cookies und tracking Technologien können für Marketingzwecke verwendet werden.
Durch Klicken von „RICHTLINIEN AKZEPTIEREN“ stimmen Sie der Verwendung von Cookies auf Ihrem Endgerät und der Verwendung von tracking Technologien zu. Klicken Sie auf „MEHR INFORMATIONEN“ unten für mehr Informationen und Anleitungen wie man Cookies und tracking Technologien abschaltet. Das Akzeptieren von Cookies und tracking Technologien ist zwar freiwillig, das Blockieren kann aber eine korrekte Ausführung unserer Website verhindern, und bestimmte Werbung könnte für Sie weniger relevant sein.
Ihr Datenschutz ist uns wichtig. Lesen Sie mehr über unsere Datenschutzrichtlinien hier.