EVAL-L9779WD-SPI, Evaluation Board based on L9779WD-SPI a Smart Power Device in Advanced BCD6s Technology

Referenzdesign unter Verwendung des Teils L9779WD-SPI von STMicroelectronics

Hersteller

STMicroelectronics
  • Anwendungskategorie
    Messen und Überwachen
  • Produkttyp
    Energiemanagement

Für Endprodukte

  • Diagnostics, Monitoring and Therapy

Beschreibung

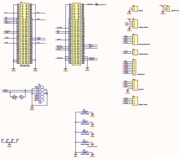
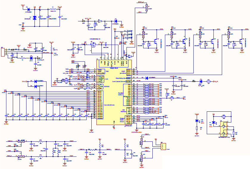
  • EVAL-L9779WD-SPI, Evaluation Board designed to evaluate L9779WD-SPI, a smart power device designed in advanced BCD6s technology. L9779WD-SPI is able to drive all the relevant loads used in powertrain applications (Injectors, Ignitions, Relay, etc.), to interface with Variable Reluctance Sensors and Hall sensors, to monitor diagnostic functionalities and to interact with the main networks present in powertrain environment (CAN, K-Line). The board can be connected to the SPC563M-DISP, the Discovery+ board developed for the SPC563M64L

Aktuelles über Elektronikkomponenten­

Wir haben unsere Datenschutzbestimmungen aktualisiert. Bitte nehmen Sie sich einen Moment Zeit, diese Änderungen zu überprüfen. Mit einem Klick auf "Ich stimme zu", stimmen Sie den Datenschutz- und Nutzungsbedingungen von Arrow Electronics zu.

Wir verwenden Cookies, um den Anwendernutzen zu vergrößern und unsere Webseite zu optimieren. Mehr über Cookies und wie man sie abschaltet finden Sie hier. Cookies und tracking Technologien können für Marketingzwecke verwendet werden.
Durch Klicken von „RICHTLINIEN AKZEPTIEREN“ stimmen Sie der Verwendung von Cookies auf Ihrem Endgerät und der Verwendung von tracking Technologien zu. Klicken Sie auf „MEHR INFORMATIONEN“ unten für mehr Informationen und Anleitungen wie man Cookies und tracking Technologien abschaltet. Das Akzeptieren von Cookies und tracking Technologien ist zwar freiwillig, das Blockieren kann aber eine korrekte Ausführung unserer Website verhindern, und bestimmte Werbung könnte für Sie weniger relevant sein.
Ihr Datenschutz ist uns wichtig. Lesen Sie mehr über unsere Datenschutzrichtlinien hier.