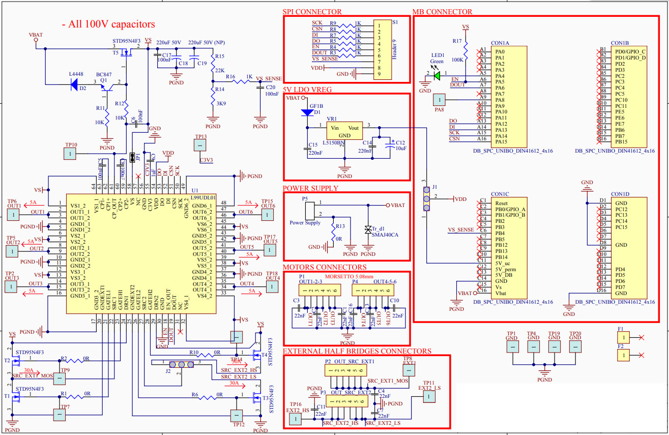
EVAL-L99UDL01, Universal Door Lock Demonstration Board based on L99UDL01
Referenzdesign unter Verwendung des Teils SPC560B64L3 von STMicroelectronics
Für Endprodukte
- Central Locking Systems
Beschreibung
- EVAL-L99UDL01, Evaluation Board is designed to demonstrate the centralized control of all the locks available in a car by means of the L99UDL01 device. The board is composed by a motherboard and a daughterboard. The motherboard, which is based on the SPC560B54 microcontroller, provides the logic section for monitoring and driving the L99UDL01 device assembled on the daughterboard. With the aim of facilitating the use and configuration of the board, STMicroelectronics provides a dedicated user-friendly software with a graphic user interface (GUI). This GUI enables the user to set the L99UDL01 control parameters and at the same time shows real time diagnostics information as current output and battery voltage monitoring
Haupteigenschaften
-
Embedded System TypeMCU
-
Family NameSPC5
-
Core Processore200
-
PlatformDiscovery Kit
Empfohlene Bauteile (16)
| Teilenummer | Hersteller | Typ | Beschreibung | |||
|---|---|---|---|---|---|---|
|
|
TLP118(TPR,E(O | Toshiba | Logic Output Photocouplers | Optocoupler Logic-Out Open Collector DC-IN 1-CH 5-Pin SO T/R | In den Warenkorb | |
|
|
TLP118(E(O) | Toshiba | Logic Output Photocouplers | Optocoupler Logic-Out Open Collector DC-IN 1-CH 5-Pin SO | In den Warenkorb | |
|
|
ST2378ETTR | STMicroelectronics | Level Translators | Voltage Level Translator 8-CH Bidirectional 20-Pin TSSOP T/R | In den Warenkorb | |
|
|
L99UDL01 | STMicroelectronics | Specialized Power ICs and Modules | Universal Door Lock IC Automotive AEC-Q100 64-Pin TQFP Tray | In den Warenkorb | |
|
|
TLP118(TPR,E) | Toshiba | Logic Output Photocouplers | Optocoupler Logic-Out Open Collector DC-IN 1-CH 5-Pin SO T/R | In den Warenkorb | |
|
|
TLP118(E(T | Toshiba | Logic Output Photocouplers | Optocoupler Logic-Out Open Collector DC-IN 1-CH 5-Pin SO Magazine | In den Warenkorb | |
|
|
TLP118(E(J | Toshiba | Logic Output Photocouplers | Optocoupler Logic-Out Open Collector DC-IN 1-CH 5-Pin SO | In den Warenkorb | |
|
|
TLP118(TPR,E(T | Toshiba | Logic Output Photocouplers | PHOTOCOUPLER GaAlAs IRED AND PHOTO-IC | In den Warenkorb | |
|
|
TLP118(V4-TPL,E(T | Toshiba | Logic Output Photocouplers | Optocoupler Logic-Out Open Collector DC-IN 1-CH 5-Pin SO T/R | In den Warenkorb | |
|
|
TLP118(E) | Toshiba | Logic Output Photocouplers | Optocoupler Logic-Out Open Collector DC-IN 1-CH 5-Pin SO | In den Warenkorb | |
|
|
TLP118(TPL,E) | Toshiba | Logic Output Photocouplers | Optocoupler Logic-Out Open Collector DC-IN 1-CH 5-Pin SO T/R | In den Warenkorb | |
|
|
TLP118 | Toshiba | Logic Output Photocouplers | Optocoupler Logic-Out Open Collector DC-IN 1-CH 5-Pin SO Magazine | In den Warenkorb | |