Evaluation Kit for 15-Bit Audio Processor for Cordless Phone
Referenzdesign unter Verwendung des Teils TLV320AIC1103 von Texas Instruments
Zugehörige Dokumente
- TPS70151PWPR Cadence Concept - HDL v14.2
- TPS70151PWPRG4 ECPinPak v1.0
- TLV320AIC1103PBSG4 Orcad v9.x
- TLV320AIC1103PBS ECPinPak v1.0
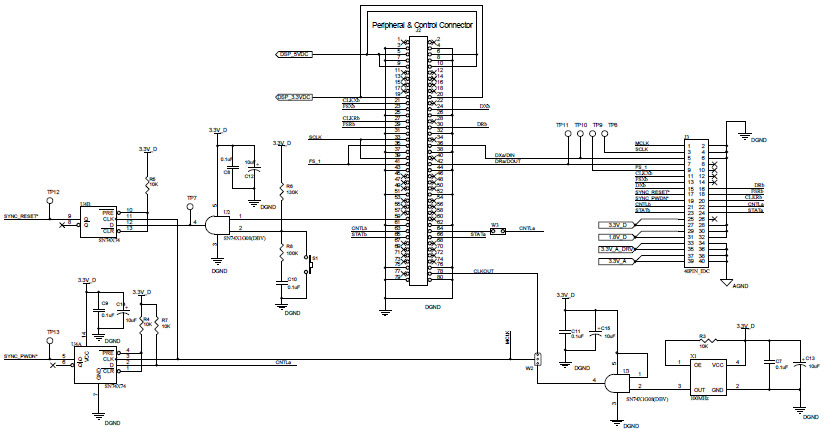
- SN74LVC1G08 CAD symbol
- SN74LVC1G08 CAD symbol
- TPS70151PWPG4 Mentor Graphics - DA v8.4+
- TLV320AIC1103PBSR ECPinPak v1.0
- TLV320AIC1103PBSR Orcad v9.x
- SN74LVC74A 3D Model - STEP
- TPS70151PWP AXEL - Any version
- TPS70151PWP Cadence Concept - SCALD v12.x
- TPS70151PWPRG4 Cadence Concept - SCALD v12.x
- TLV320AIC1103PBSG4 Cadence Concept - SCALD v12.x
- TLV320AIC1103PBSG4 ECPinPak v1.0
- TPS70151PWPG4 Cadence Concept - SCALD v12.x
- TPS70151PWPR ECPinPak v1.0
- TPS70151PWPR Mentor Graphics - DA v8.4+
- TPS70151PWP Mentor DxDesigner/ViewDraw/ViewLogic v5.3+
- TPS70151PWP Orcad v9.x
- TPS70151PWPRG4 Orcad v9.x
- TLV320AIC1103PBSG4 AXEL - Any version
- TLV320AIC1103PBS Orcad v9.x
- TLV320AIC1103PBSR Cadence Concept - SCALD v12.x
- TPS70151PWPRG4 AXEL - Any version
- TLV320AIC1103PBSR AXEL - Any version
- TPS70151PWPRG4 Mentor Graphics - DA v8.4+
- TLV320AIC1103PBSG4 Cadence Concept - HDL v14.2
- TLV320AIC1103PBSG4 Mentor DxDesigner/ViewDraw/ViewLogic v5.3+
- SN74LVC74A CAD symbol
- TLV320AIC1103 CAD symbol
- TLV320AIC1103PBSR Mentor Graphics - DA v8.4+
- TLV320AIC1103PBSR Mentor DxDesigner/ViewDraw/ViewLogic v5.3+
- TLV320AIC1103PBSR Cadence Concept - HDL v14.2
- TLV320AIC1103PBS Mentor Graphics - DA v8.4+
- SN74LVC1G08 3D Model - STEP
- TPS70151PWPR Orcad v9.x
- TPS70151PWP Mentor Graphics - DA v8.4+
- TPS70151PWP ECPinPak v1.0
- TLV320AIC1103PBS Cadence Concept - SCALD v12.x
- SN74LVC74A CAD symbol
- TLV320AIC1103 CAD symbol
- TPS70151PWPG4 AXEL - Any version
- TPS70151PWPG4 Cadence Concept - HDL v14.2
- TLV320AIC1103 CAD symbol
- TPS70151PWPR Cadence Concept - SCALD v12.x
- TPS70151PWPR Mentor DxDesigner/ViewDraw/ViewLogic v5.3+
- TPS70151PWP Cadence Concept - HDL v14.2
- TPS70151PWPRG4 Mentor DxDesigner/ViewDraw/ViewLogic v5.3+
- TPS70151PWPRG4 Cadence Concept - HDL v14.2
- TLV320AIC1103PBS Cadence Concept - HDL v14.2
- TLV320AIC1103PBS Mentor DxDesigner/ViewDraw/ViewLogic v5.3+
- TPS70151PWPG4 ECPinPak v1.0
- TPS70151PWPG4 Mentor DxDesigner/ViewDraw/ViewLogic v5.3+
- TPS70151PWPG4 Orcad v9.x
- TLV320AIC1103 CAD symbol
- TPS70151PWPR AXEL - Any version
- TLV320AIC1103PBSG4 Mentor Graphics - DA v8.4+
- TLV320AIC1103PBS AXEL - Any version
Für Endprodukte
- Cordless Phone
- Voice Recorder
- VoIP Handset
Beschreibung
- DSP-Codec Development Platform. The DSP-codec development platform provides all the supplementary control signals necessary to interface a range of codecs to DSP starter kits
Haupteigenschaften
-
CODEC Resolution15 Bit
Empfohlene Bauteile (9)
| Teilenummer | Hersteller | Typ | Beschreibung | |||
|---|---|---|---|---|---|---|
|
|
TPS70151PWP | Texas Instruments | Linear Regulators | LDO Regulator Pos 1.8V3.3V 0.5A/0.25A 20-Pin HTSSOP EP Tube | In den Warenkorb | |
|
|
TPS70151PWPG4 | Texas Instruments | Linear Regulators | LDO Regulator Pos 1.8V3.3V 0.5A/0.25A 20-Pin HTSSOP EP Tube | In den Warenkorb | |
|
|
TPS70151PWPR | Texas Instruments | Linear Regulators | LDO Regulator Pos 1.8V3.3V 0.5A/0.25A 20-Pin HTSSOP EP T/R | In den Warenkorb | |
|
|
SN74LVC74ADR | Texas Instruments | Flip Flops | Flip Flop D-Type Pos-Edge Push-Pull 2-Element 14-Pin SOIC T/R | In den Warenkorb | |
|
|
TPS70151PWPRG4 | Texas Instruments | Linear Regulators | LDO Regulator Pos 1.8V3.3V 0.5A/0.25A 20-Pin HTSSOP EP T/R | In den Warenkorb | |
|
|
SN74LVC74ADRE4 | Texas Instruments | Flip Flops | Flip Flop D-Type Pos-Edge Push-Pull 2-Element 14-Pin SOIC T/R | In den Warenkorb | |
|
|
SN74LVC1G08DBVR | Texas Instruments | Logic Gates | AND Gate 1-Element 2-IN CMOS 5-Pin SOT-23 T/R | In den Warenkorb | |
|
|
TLV320AIC1103PBS | Texas Instruments | Audio CODECs | PCM Audio Codec 1ADC / 1DAC Ch 32-Pin TQFP Tray | In den Warenkorb | |
|
|
TLV320AIC1103PBSR | Texas Instruments | Audio CODECs | PCM Audio Codec 1ADC / 1DAC Ch 32-Pin TQFP T/R | In den Warenkorb | |