FRDM-K66F, Freedom Development Platform for Kinetis K66, K65 and K26 MCUs based on MK66FN2M0VMD18
Referenzdesign unter Verwendung des Teils MK66FN2M0VMD18 von NXP Semiconductors
Zugehörige Dokumente
Für Endprodukte
- Home Automation
- Remote Control
- Safety System
- Security System
Beschreibung
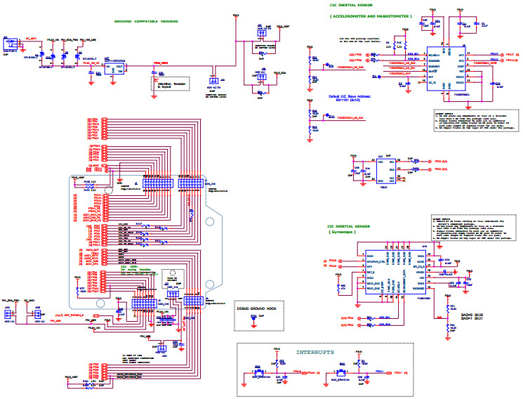
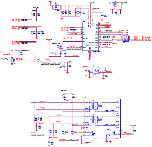
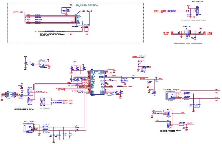
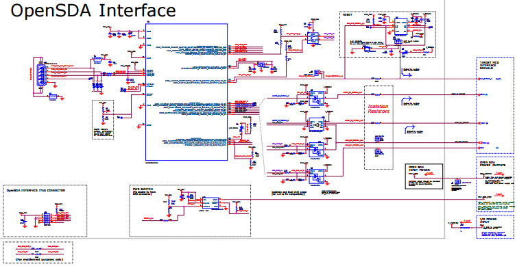
- FRDM-K66F, Freedom Development Platform is a set of software and hardware tools for evaluation and development. It is ideal for rapid prototyping of microcontroller-based applications. The Freedom K66F hardware, FRDM-K66F, is a simple, yet sophisticated design featuring a Kinetis K series microcontroller, built on the ARM Cortex-M4 core. The FRDM-K66F can be used to evaluate the K66 and K26 Kinetis K series devices. It features a MK66FN2M0VMD18, which boast a maximum operation frequency of 180MHz, 2MB of flash, 256KB RAM, a high-speed USB controller, Ethernet controller, Secure Digital Host controller and loads of analog and digital peripherals
Haupteigenschaften
-
Embedded System TypeMCU
-
Family NameKinetis K66|Kinetis K65|Kinetis K26
-
Core ProcessorARM Cortex-M4
-
PlatformFreedom Development
Empfohlene Bauteile (10)
| Teilenummer | Hersteller | Typ | Beschreibung | |||
|---|---|---|---|---|---|---|
|
|
MK20DX128VFM5 | NXP Semiconductors | Microcontrollers - MCUs | MCU 32-bit ARM Cortex M4 RISC 128KB Flash 1.8V/2.5V/3.3V 32-Pin QFN EP Tray | In den Warenkorb | |
|
|
NTSX2102GU8H | NXP Semiconductors | Level Translators | Voltage Level Translator 2-CH Bidirectional 8-Pin XQFN T/R | In den Warenkorb | |
|
|
NCP1117ST33T3G | onsemi | Linear Regulators | LDO Regulator Pos 3.3V 1A 4-Pin(3+Tab) SOT-223 T/R | In den Warenkorb | |
| PFXAS21002CQR1 | NXP Semiconductors | Gyroscopes | Xtrinsic 3-Axis Digital Angular Rate Gyroscope | In den Warenkorb | ||
|
|
NXP | NXP Semiconductors | Level Translators | Voltage Level Translator 2-CH Bidirectional 8-Pin XQFN T/R | In den Warenkorb | |
|
|
TLV70018DCKR | Texas Instruments | Linear Regulators | LDO Regulator Pos 1.8V 0.2A 5-Pin SC-70 T/R | In den Warenkorb | |
|
|
KSZ8081RNACA | Microchip Technology | PHY | PHY 1-CH 10Mbps/100Mbps 1.8V/2.5V/3.3V 24-Pin QFN EP Tray | In den Warenkorb | |
|
|
TLV70018DCKT | Texas Instruments | Linear Regulators | LDO Regulator Pos 1.8V 0.2A 5-Pin SC-70 T/R | In den Warenkorb | |
|
|
MIC2005-0.8YM6 | Microchip Technology | USB Power Switches | Power Switch Hi Side 1-OUT 0A 70mOhm 6-Pin SOT-23 | In den Warenkorb | |
|
|
MK66FN2M0VMD18 | NXP Semiconductors | Microcontrollers - MCUs | MCU 32-bit ARM Cortex M4 RISC 2MB Flash 2.5V/3.3V 144-Pin MAP-BGA Tray Automotive AEC-Q100 | In den Warenkorb | |