ISO-CABLEZ, Isolated Serial Interface Evaluation Board based on Digital Isolators
Referenzdesign unter Verwendung des Teils ADuM1250ARZ von Analog Devices
Für Endprodukte
- Serial Digital Interfaces
Beschreibung
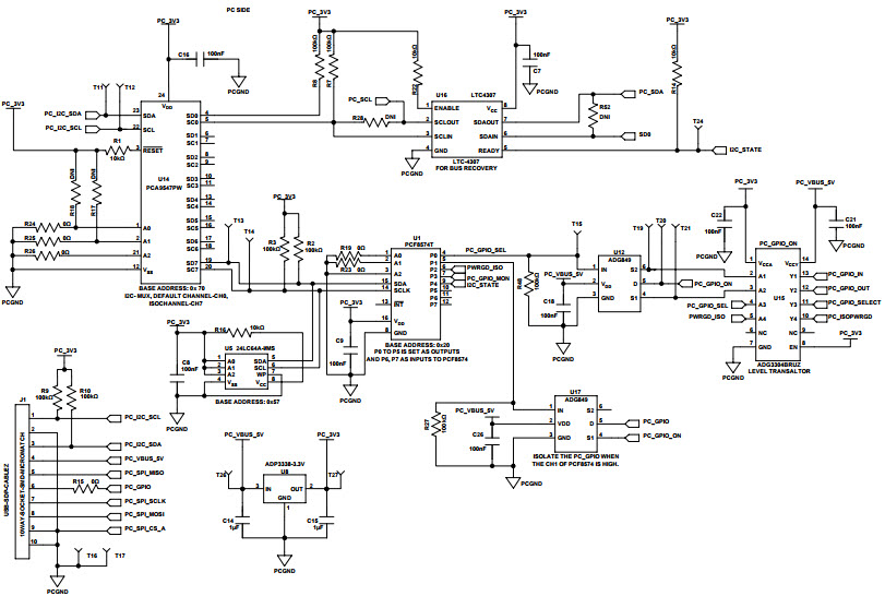
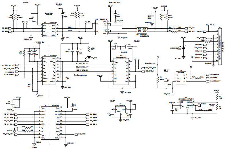
- ISO-CABLEZ, Isolated Serial Interface Board is used to communicate with certain evaluation boards for customer evaluation. The isolated serial input/output interface is required to communicate between two systems that require galvanic isolation between two different ground planes The ISO-CABLEZ isolated serial interface board provides connectivity through the USB-SDP-CABLEZ to the PC, allowing the USB-SDP-CABLEZ to be used to evaluate the evaluation board from the PC application. The ISO-CABLEZ design has isolated power, I2C, and serial peripheral interface (SPI) capabilities
Empfohlene Bauteile (13)
| Teilenummer | Hersteller | Typ | Beschreibung | |||
|---|---|---|---|---|---|---|
|
|
ADG849YKSZ-REEL7 | Analog Devices | Analog Switch Multiplexers | Analog Switch/Analog Multiplexer Single 2:1 6-Pin SC-70 T/R | In den Warenkorb | |
|
|
PCF8574AT/3,518 | NXP Semiconductors | GPIO Expanders | I2C Interface 100kHz 6V 16-Pin SO T/R | In den Warenkorb | |
|
|
ADG3304BRUZ | Analog Devices | Level Translators | Voltage Level Translator 4-CH Bidirectional 14-Pin TSSOP Tube | In den Warenkorb | |
|
|
ADM6306D131ARJZ1R7 | Analog Devices | Supervisory Circuits | Processor Supervisor 3.08V 2 Active Low/Open Drain 5-Pin SOT-23 T/R | In den Warenkorb | |
|
|
ADUM5402ARWZ | Analog Devices | Digital Isolators | Digital Isolator CMOS 4-CH 1Mbps 16-Pin SOIC W Tube | In den Warenkorb | |
|
|
PCF8574TS/3,118 | NXP Semiconductors | GPIO Expanders | I2C Interface 100kHz 6V 20-Pin SSOP T/R | In den Warenkorb | |
|
|
PCF8574T3 | NXP Semiconductors | GPIO Expanders | I2C Interface 100kHz 6V 16-Pin SO | In den Warenkorb | |
|
|
PCF8574ATS/3,118 | NXP Semiconductors | GPIO Expanders | I2C Interface 100kHz 6V 20-Pin SSOP T/R | In den Warenkorb | |
|
|
ADUM3152ARSZ | Analog Devices | Digital Isolators | Digital Isolator CMOS 7-CH 1MHz 20-Pin SSOP Tube | In den Warenkorb | |
|
|
PCF8574T/3,518 | NXP Semiconductors | GPIO Expanders | I2C Interface 100kHz 6V 16-Pin SO T/R | In den Warenkorb | |
|
|
PCF8574AT | NXP Semiconductors | GPIO Expanders | I2C Interface 100kHz 6V 16-Pin SO | In den Warenkorb | |
|
|
ADP3338AKCZ-3.3RL7 | Analog Devices | Linear Regulators | LDO Regulator Pos 3.3V 1A 4-Pin(3+Tab) SOT-223 T/R | In den Warenkorb | |