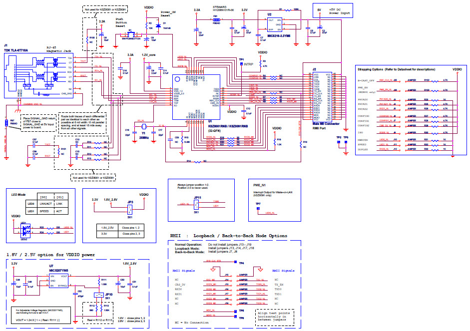
KSZ8081RNB-EVAL, Evaluation Board for the KSZ8081RNB 10Base-T/100Base-TX Physical Layer Transceiver
Referenzdesign unter Verwendung des Teils KSZ8081RN von Microchip Technology
Für Endprodukte
- Game Console
- IP Phone
- Printers
- Set-Top Box
Beschreibung
- KSZ8081RNB-EVAL, Evaluation Board for the KSZ8081RNB is a 10Base-T/100Base-TX Physical Layer Transceiver with an MII MAC interface. It utilizes a unique mixed-signal design to extend signaling distance while reducing power consumption and offers Hp Auto MDI/MDI-X for reliable detection of and correction for crossover and straight-through cables, eliminating the need to differentiate between crossover and straight-through cables. The KSZ8091RNB has all the identical rich features of the KSZ8081RNB plus support for Energy Efficient Ethernet (EEE) and Wake-on-LAN (WOL). The KSZ8081RNB come in a 32-pin, lead-free QFN package and provides an ideal solution for 10Base-T/100Base-TX applications that have tight PCB board space
Haupteigenschaften
-
Ethernet Communication Standard10Base-T|100Base-TX
Empfohlene Bauteile (11)
| Teilenummer | Hersteller | Typ | Beschreibung | |||
|---|---|---|---|---|---|---|
|
|
MIC5216-3.3YM5-TR | Microchip Technology | Linear Regulators | LDO Regulator Pos 3.3V 0.5A 5-Pin SOT-23 T/R | In den Warenkorb | |
|
|
MIC5207YM5-TR | Microchip Technology | Linear Regulators | LDO Regulator Pos 0.18A 5-Pin SOT-23 T/R | In den Warenkorb | |
|
|
MIC5207YM5-TX | Microchip Technology | Linear Regulators | LDO Regulator Pos 1.8V to 15V 0.18A 5-Pin SOT-23 T/R | In den Warenkorb | |
|
|
KSZ8081RNAIA | Microchip Technology | PHY | PHY 1-CH 10Mbps/100Mbps 1.8V/2.5V/3.3V 24-Pin QFN EP | In den Warenkorb | |
|
|
KSZ8081RNDIA-TR | Microchip Technology | PHY | PHY 1-CH 10Mbps/100Mbps 3.3V 24-Pin QFN EP T/R | In den Warenkorb | |
|
|
KSZ8081RNBCA-TR | Microchip Technology | PHY | PHY 1-CH 10Mbps/100Mbps 3.3V 32-Pin QFN EP T/R | In den Warenkorb | |
|
|
KSZ8081RNDCA-TR | Microchip Technology | PHY | PHY 1-CH 10Mbps/100Mbps 3.3V 24-Pin QFN EP T/R | In den Warenkorb | |
|
|
KSZ8081RNBIA-TR | Microchip Technology | PHY | PHY 1-CH 10Mbps/100Mbps 3.3V 32-Pin QFN EP T/R | In den Warenkorb | |
|
|
KSZ8081RNACA | Microchip Technology | PHY | PHY 1-CH 10Mbps/100Mbps 1.8V/2.5V/3.3V 24-Pin QFN EP Tray | In den Warenkorb | |
|
|
KSZ8081RNACA-TR | Microchip Technology | PHY | PHY 1-CH 10Mbps/100Mbps 1.8V/2.5V/3.3V 24-Pin QFN EP T/R | In den Warenkorb | |
|
|
KSZ8081RNAIA TR | Microchip Technology | PHY | PHY 1-CH 10Mbps/100Mbps 1.8V/2.5V/3.3V 24-Pin QFN EP T/R | In den Warenkorb | |