KSZ8864CNX-EVAL, Evaluation Board for KSZ8864 Integrated 4-port 10/100 Ethernet Managed Switch
Referenzdesign unter Verwendung des Teils KSZ8864CNX von Microchip Technology
Für Endprodukte
- Automatic Control
- Automotive and Transportation
- Industrial
Beschreibung
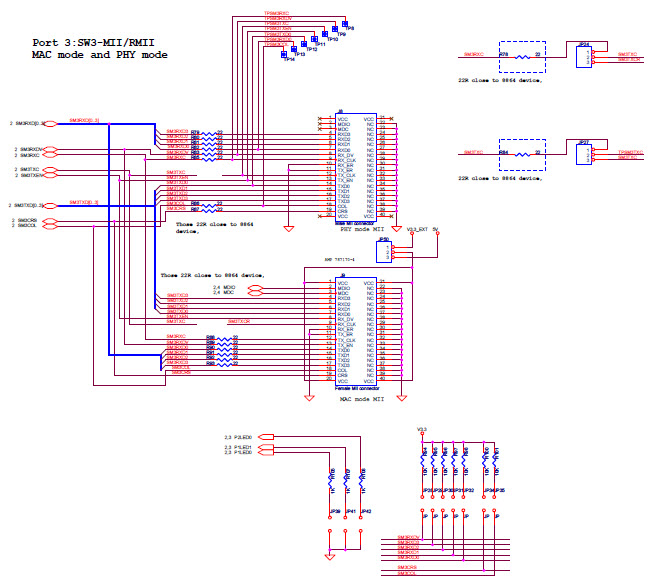
- KSZ8864CNX-EVAL, Evaluation Board for KSZ8864 device consists of two PHYs and four MACs. Two of MACs support either MII or RMII interfaces for dual processor/DSP data transfer. Higher speed SPI and MDC/MDIO interfaces can fully manage the 4-port switch by the processor. The device had been designed with cost sensitive systems in mind but still offers a multitude of features such as switch management, port and tag based VLAN, 1/2/4-queue QoS priority, a dual MII/RMII option data interfaces and CPU control interfaces of SPI, MDC/MDIO with MIIM/SMI. MIIM is the standard IEEE 802.3 MII Management Interface. SMI is non-standard Serial Management Interface that can access all registers by the Management Data Input/output MDIO interface. The KSZ8864 is an excellent choice in current complex Ethernet applications with single processor or dual processors, industrial automatic and automotive
Empfohlene Bauteile (11)
| Teilenummer | Hersteller | Typ | Beschreibung | |||
|---|---|---|---|---|---|---|
|
|
FT2232D-R | Future Technology Devices International Limited | USB Interface ICs | Full Speed USB to UART/FIFO USB 2.0 5V T/R 48-Pin LQFP | In den Warenkorb | |
|
|
MIC39100-3.3WS | Microchip Technology | Linear Regulators | LDO Regulator Pos 3.3V 1A 4-Pin(3+Tab) SOT-223 Tube | In den Warenkorb | |
|
|
MIC39100-3.3WS-TR | Microchip Technology | Linear Regulators | LDO Regulator Pos 3.3V 1A 4-Pin(3+Tab) SOT-223 T/R | In den Warenkorb | |
|
|
KSZ8864CNXC | Microchip Technology | Ethernet Switches | Ethernet Switch 4-Port 100Mbps Automotive AEC-Q100 64-Pin QFN EP Tray | In den Warenkorb | |
|
|
KSZ8864CNXI-TR | Microchip Technology | Ethernet Switches | Ethernet Switch 4-Port 100Mbps Automotive AEC-Q100 64-Pin QFN EP T/R | In den Warenkorb | |
|
|
KSZ8864CNXIA-TR | Microchip Technology | Ethernet Switches | Ethernet Switch 4-Port 100Mbps Automotive AEC-Q100 64-Pin QFN EP T/R | In den Warenkorb | |
|
|
KSZ8864CNXIA | Microchip Technology | Ethernet Switches | Ethernet Switch 4-Port 100Mbps 64-Pin QFN EP Tray | In den Warenkorb | |
|
|
KSZ8864CNXC-TR | Microchip Technology | Ethernet Switches | Ethernet Switch 4-Port 100Mbps Automotive AEC-Q100 64-Pin QFN EP T/R | In den Warenkorb | |
|
|
KSZ8864CNXCA-TR | Microchip Technology | Ethernet Switches | Ethernet Switch 4-Port 100Mbps Automotive AEC-Q100 64-Pin QFN EP T/R | In den Warenkorb | |
|
|
KSZ8864CNXCA | Microchip Technology | Ethernet Switches | Ethernet Switch 4-Port 100Mbps 64-Pin QFN EP Tray | In den Warenkorb | |
|
|
KSZ8864CNXI | Microchip Technology | Ethernet Switches | Ethernet Switch 4-Port 100Mbps Automotive AEC-Q100 64-Pin QFN EP Tray | In den Warenkorb | |