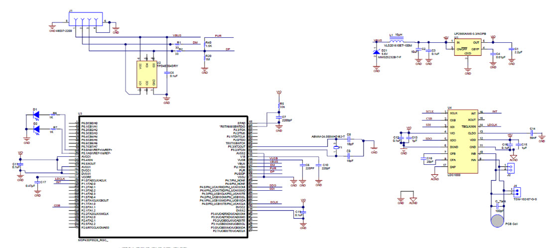
LDC1000EVM, Evaluation Module for Inductance to Digital Converter with Sample PCB Coil

Referenzdesign unter Verwendung des Teils LDC1000NHR von Texas Instruments

Hersteller

Texas Instruments
  • Anwendungskategorie
    Datenkonvertierung
  • Produkttyp
    Inuktivität zu Digital Wandlung

Für Endprodukte

  • Brake-by-Wire System
  • Digital Camera
  • Flow Meter
  • Game Console
  • Medical and Healthcare
  • Multifunction Printer
  • Notebook

Beschreibung

  • LDC1000EVM, Evaluation Module for Inductance to Digital Converter with Sample PCB Coil. The LDC1000EVM demonstrates the use of inductive sensing technology to sense and measure the presence, position or composition of a conductive target object. The module includes an example of a PCB sensor coil. An MSP430 microcontroller is used to interface the LDC to a host computer. This module is designed to provide the user with maximum flexibility for system prototyping. It is perforated at two locations: one, between the PCB sensor coil (LC tank) and the LDC1000 IC, and another, between the LDC1000 IC and the MSP430 interface. The first perforation gives the user the option to snap off the PCB coil from the module and experiment with custom sensor coils. The second perforation allows the user to connect the LDC1000+Sensor to a different microcontroller system or use multiple such sensors in one system

Aktuelles über Elektronikkomponenten­

Wir haben unsere Datenschutzbestimmungen aktualisiert. Bitte nehmen Sie sich einen Moment Zeit, diese Änderungen zu überprüfen. Mit einem Klick auf "Ich stimme zu", stimmen Sie den Datenschutz- und Nutzungsbedingungen von Arrow Electronics zu.

Wir verwenden Cookies, um den Anwendernutzen zu vergrößern und unsere Webseite zu optimieren. Mehr über Cookies und wie man sie abschaltet finden Sie hier. Cookies und tracking Technologien können für Marketingzwecke verwendet werden.
Durch Klicken von „RICHTLINIEN AKZEPTIEREN“ stimmen Sie der Verwendung von Cookies auf Ihrem Endgerät und der Verwendung von tracking Technologien zu. Klicken Sie auf „MEHR INFORMATIONEN“ unten für mehr Informationen und Anleitungen wie man Cookies und tracking Technologien abschaltet. Das Akzeptieren von Cookies und tracking Technologien ist zwar freiwillig, das Blockieren kann aber eine korrekte Ausführung unserer Website verhindern, und bestimmte Werbung könnte für Sie weniger relevant sein.
Ihr Datenschutz ist uns wichtig. Lesen Sie mehr über unsere Datenschutzrichtlinien hier.