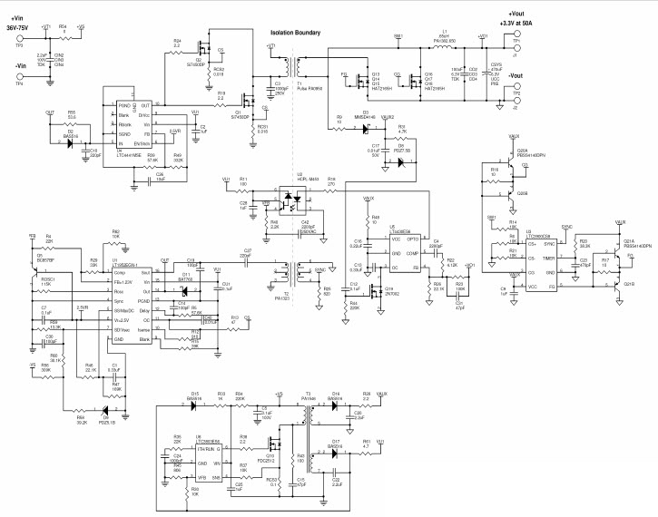
LT1952-1EGN-1, LTC3900ES Demo Board, Vin=36V-75V, Vout=3.3V @ 50A
Referenzdesign unter Verwendung des Teils LT1952EGN-1 von Analog Devices
Zugehörige Dokumente
Für Endprodukte
- Backplane Distributed Power
- Industrial
- Telecom Power Supply
Beschreibung
- Demonstration circuit DC677A is an isolated input to high current output converter featuring the LT1952 switching controller. The DC677 converts isolated 36V to 75V input to 3.3V output and provides over 50A of output current
Haupteigenschaften
-
Conversion TypeDC to DC
-
Input Voltage36 to 75 V
-
Output Voltage3.3 V
-
Output Current50 A
-
Efficiency92 %
-
TopologyForward
Empfohlene Bauteile (27)
| Teilenummer | Hersteller | Typ | Beschreibung | |||
|---|---|---|---|---|---|---|
|
|
LTC3803ES6-3#PBF | Analog Devices | DC to DC Controllers | DC/DC Cntrlr Single-OUT Flyback 330kHz 6-Pin TSOT-23 T/R | In den Warenkorb | |
|
|
LTC3900ES8#TRPBF | Analog Devices | Gate and Power Drivers | Driver 2A 2-OUT Inv/Non-Inv 8-Pin SOIC N T/R | In den Warenkorb | |
|
|
LTC3900ES8#PBF | Analog Devices | Gate and Power Drivers | Driver 2A 2-OUT Inv/Non-Inv 8-Pin SOIC N Tube | In den Warenkorb | |
|
|
LTC3803ES6-5#PBF | Analog Devices | DC to DC Controllers | DC/DC Cntrlr Single-OUT Flyback 230kHz 6-Pin TSOT-23 T/R | In den Warenkorb | |
|
|
LTC4441MPMSE#TR | Analog Devices | Gate and Power Drivers | Driver 6A 1-OUT Non-Inv 10-Pin MSOP EP T/R | In den Warenkorb | |
|
|
LT4430ES6#TRPBF | Analog Devices | Specialized Power ICs and Modules | Secondary Side Optocoupler Driver 6-Pin TSOT-23 T/R | In den Warenkorb | |
|
|
LT4430ES6#TR | Analog Devices | Specialized Power ICs and Modules | Secondary Side Optocoupler Driver 6-Pin TSOT-23 T/R | In den Warenkorb | |
|
|
LT4430ES6 | Analog Devices | Specialized Power ICs and Modules | Secondary Side Optocoupler Driver 6-Pin TSOT-23 | In den Warenkorb | |
|
|
LTC3803ES6-5#TRM | Analog Devices | DC to DC Controllers | DC/DC Cntrlr Single-OUT Flyback 230kHz 6-Pin TSOT-23 T/R | In den Warenkorb | |
|
|
LTC3803ES6#TRPBF | Analog Devices | DC to DC Controllers | DC/DC Cntrlr Single-OUT Flyback 1A 240kHz 6-Pin TSOT-23 T/R | In den Warenkorb | |
|
|
LTC3803ES6#TRMPBF(CUT REEL) | Analog Devices | DC to DC Controllers | DC/DC Cntrlr Single-OUT Flyback 1A 240kHz 6-Pin TSOT-23 T/R | In den Warenkorb | |
|
|
LTC3803ES6-5#TRMPBF | Analog Devices | DC to DC Controllers | DC/DC Cntrlr Single-OUT Flyback 230kHz 6-Pin TSOT-23 T/R | In den Warenkorb | |