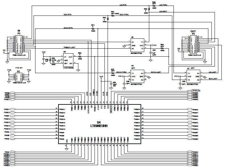
LT8500EUHH Demo Board, 48-Channel LED Driver with PWM Generator and Serial Interface
Referenzdesign unter Verwendung des Teils LT3595AEUHH von Analog Devices
Für Endprodukte
- Automatic Test Equipment
- Industrial Control
- LCD Backlighting
- Motion Motor Control
- Robotics
Beschreibung
- Demonstration circuit showcases the LT8500, a 48-channel LED driver with a PWM generator and serial interface. It operates from a 30V to 45V input power supply and drives 48 channels of LED strings at 30mA and up to 32V each, although it can be adjusted for 50mA per string
Haupteigenschaften
-
Input Voltage30 to 45 V
-
Output Voltage8 to 32 V
-
Output Current0.03 A
-
Number of Derived Elements48
Empfohlene Bauteile (14)
| Teilenummer | Hersteller | Typ | Beschreibung | |||
|---|---|---|---|---|---|---|
|
|
LT3990EMSE-5#PBF | Analog Devices | DC to DC Converter and Switching Regulator Chip | Conv DC-DC 4.2V to 62V Step Down Single-Out 5V 0.35A 16-Pin MSOP EP Tube | In den Warenkorb | |
|
|
LTC1799CS5#TRMPBF (CUT REEL) | Analog Devices | Silicon Oscillators | Silicon Oscillator - 0.001MHz to 33MHz CMOS 5-Pin TSOT-23 T/R | In den Warenkorb | |
|
|
LT3990EMSE-3.3#TRPBF | Analog Devices | DC to DC Converter and Switching Regulator Chip | Conv DC-DC 4.2V to 62V Step Down Single-Out 3.3V 0.35A 16-Pin MSOP EP T/R | In den Warenkorb | |
|
|
LT3990EMSE-3.3#PBF | Analog Devices | DC to DC Converter and Switching Regulator Chip | Conv DC-DC 4.2V to 62V Step Down Single-Out 3.3V 0.35A 16-Pin MSOP EP Tube | In den Warenkorb | |
|
|
LTC1799CS5#TR | Analog Devices | Silicon Oscillators | Silicon Oscillator - 0.001MHz to 33MHz CMOS 5-Pin TSOT-23 T/R | In den Warenkorb | |
|
|
LTC1799CS5#TRPBF | Analog Devices | Silicon Oscillators | Silicon Oscillator - 0.001MHz to 33MHz CMOS 5-Pin TSOT-23 T/R | In den Warenkorb | |
|
|
LTC1799CS5#TRMPBF | Analog Devices | Silicon Oscillators | Silicon Oscillator - 0.001MHz to 33MHz CMOS 5-Pin TSOT-23 T/R | In den Warenkorb | |
|
|
LT3990EMSE-5#TRPBF | Analog Devices | DC to DC Converter and Switching Regulator Chip | Conv DC-DC 4.2V to 62V Step Down Single-Out 5V 0.35A 16-Pin MSOP EP T/R | In den Warenkorb | |
|
|
LT3990EMSE#PBF | Analog Devices | DC to DC Converter and Switching Regulator Chip | Conv DC-DC 4.2V to 62V Step Down Single-Out 1.21V to 25V 0.35A 16-Pin MSOP EP Tube | In den Warenkorb | |
|
|
NC7WZ17P6X | onsemi | Buffers and Line Drivers | Schmitt Trigger Buffer 2-CH Non-Inverting CMOS 6-Pin SC-88 T/R | In den Warenkorb | |
|
|
LT3990EMSE#TRPBF | Analog Devices | DC to DC Converter and Switching Regulator Chip | Conv DC-DC 4.2V to 62V Step Down Single-Out 1.21V to 25V 0.35A 16-Pin MSOP EP T/R | In den Warenkorb | |
|
|
LTC1799CS5 | Analog Devices | Silicon Oscillators | Silicon Oscillator - 0.001MHz to 33MHz CMOS 5-Pin TSOT-23 | In den Warenkorb | |