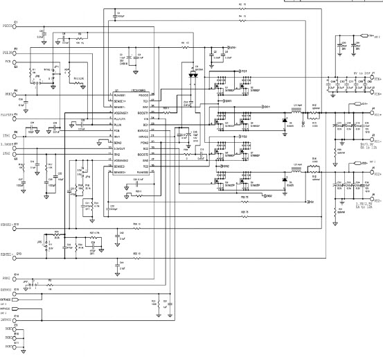
LTC3728EG Demo Board, Dual 2-Phase Synchronous Step-Down Regulator, 8V to 24V Input, 5V/3.3V 0A to 12A, 3.3V/2.5V 0A to 12A
Referenzdesign unter Verwendung des Teils LTC3728EG von Analog Devices
Zugehörige Dokumente
Für Endprodukte
- Backplane Distributed Power
- Laptop
- Notebook
- Portable
- Telecom Power Supply
Beschreibung
- Demonstration circuit DC542A is a dual output, dual phase step down converter, which is controlled by the LTC3728EG. Output 1 can be configured for either 5V or 3.3V and output 2 can be configured for either 3.3V or 2.5V. The maximum load for both rails is 12A. The input voltage range of the DC542 is 8V to 24V
Haupteigenschaften
-
Conversion TypeDC to DC
-
Input Voltage8 to 24 V
-
Output Voltage2.5|3.3|3.3|5 V
-
Output Current12@2.5V|12@3.3V|12@3.3V|12@5V A
-
TopologyBuck
Empfohlene Bauteile (7)
| Teilenummer | Hersteller | Typ | Beschreibung | |||
|---|---|---|---|---|---|---|
|
|
LT1613CS5 | Analog Devices | DC to DC Converter and Switching Regulator Chip | Conv DC-DC 0.9V to 10V Step Up Single-Out 1.23V to 36V 5-Pin TSOT-23 | In den Warenkorb | |
|
|
LT1613CS5#TRPBF | Analog Devices | DC to DC Converter and Switching Regulator Chip | Conv DC-DC 0.9V to 10V Step Up Single-Out 36V 5-Pin TSOT-23 T/R | In den Warenkorb | |
|
|
LT1613CS5#PBF | Analog Devices | DC to DC Converter and Switching Regulator Chip | Conv DC-DC 0.9V to 10V Step Up Single-Out 36V 5-Pin TSOT-23 T/R | In den Warenkorb | |
|
|
LT1613CS5#TRMPBF (CUT REEL) | Analog Devices | DC to DC Converter and Switching Regulator Chip | Conv DC-DC 0.9V to 10V Step Up Single-Out 1.23V to 36V 5-Pin TSOT-23 T/R | In den Warenkorb | |
|
|
LT1613CS5#TRMPBF | Analog Devices | DC to DC Converter and Switching Regulator Chip | Conv DC-DC 0.9V to 10V Step Up Single-Out 1.23V to 36V 5-Pin TSOT-23 T/R | In den Warenkorb | |
|
|
LTC3728EG#PBF | Analog Devices | DC to DC Controllers | DC/DC Cntrlr Dual-OUT Step Down 590kHz 28-Pin SSOP Tube | In den Warenkorb | |
|
|
LTC3728EG#TRPBF | Analog Devices | DC to DC Controllers | DC/DC Cntrlr Dual-OUT Step Down 590kHz 28-Pin SSOP T/R | In den Warenkorb | |