LTC3827EG-1 Demo Board, Low Quiescent Current dual synchronous Buck Converter

Referenzdesign unter Verwendung des Teils LTC3827EG-1 von Analog Devices

Hersteller

Analog Devices
  • Anwendungskategorie
    Spannungsversorgungen
  • Produkttyp
    Mehrfach Gleichspannungs Netzteil

Für Endprodukte

  • Automotive and Transportation
  • Backplane Distributed Power

Beschreibung

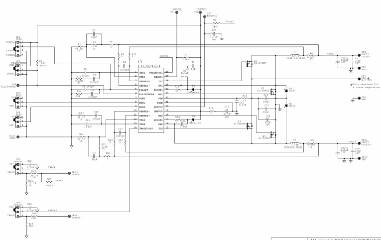
  • Demonstration circuit DC868A is a dual-output step down power supply. The input voltage is from 4.5V to 32V. The supply has two outputs: 3.3V/5AMAX and 8.5V/3.5AMAX. When the input voltage is close to the output voltage, the supply is in dropout mode. The design features the LTC3827-1, the low quiescent current, 2-phase, dual-output synchronous buck regulator

Haupteigenschaften

  • Conversion Type
    DC to DC
  • Input Voltage
    4.5 to 32 V
  • Output Voltage
    3.3|8.5 V
  • Output Current
    3.5@8.5V|5@3.3V A
  • Efficiency
    98 %
  • Topology
    Buck

Aktuelles über Elektronikkomponenten­

Wir haben unsere Datenschutzbestimmungen aktualisiert. Bitte nehmen Sie sich einen Moment Zeit, diese Änderungen zu überprüfen. Mit einem Klick auf "Ich stimme zu", stimmen Sie den Datenschutz- und Nutzungsbedingungen von Arrow Electronics zu.

Wir verwenden Cookies, um den Anwendernutzen zu vergrößern und unsere Webseite zu optimieren. Mehr über Cookies und wie man sie abschaltet finden Sie hier. Cookies und tracking Technologien können für Marketingzwecke verwendet werden.
Durch Klicken von „RICHTLINIEN AKZEPTIEREN“ stimmen Sie der Verwendung von Cookies auf Ihrem Endgerät und der Verwendung von tracking Technologien zu. Klicken Sie auf „MEHR INFORMATIONEN“ unten für mehr Informationen und Anleitungen wie man Cookies und tracking Technologien abschaltet. Das Akzeptieren von Cookies und tracking Technologien ist zwar freiwillig, das Blockieren kann aber eine korrekte Ausführung unserer Website verhindern, und bestimmte Werbung könnte für Sie weniger relevant sein.
Ihr Datenschutz ist uns wichtig. Lesen Sie mehr über unsere Datenschutzrichtlinien hier.