MAX13325EVKIT+, Evaluation Kit for MAX13325 dual Audio Line Driver

Referenzdesign unter Verwendung des Teils MAX1840EUB+ von Analog Devices

Hersteller

Analog Devices
  • Anwendungskategorie
    Audio
  • Produkttyp
    Audioschnittstellen

Für Endprodukte

  • Audio Amplifier
  • Rear Seat Entertainment

Beschreibung

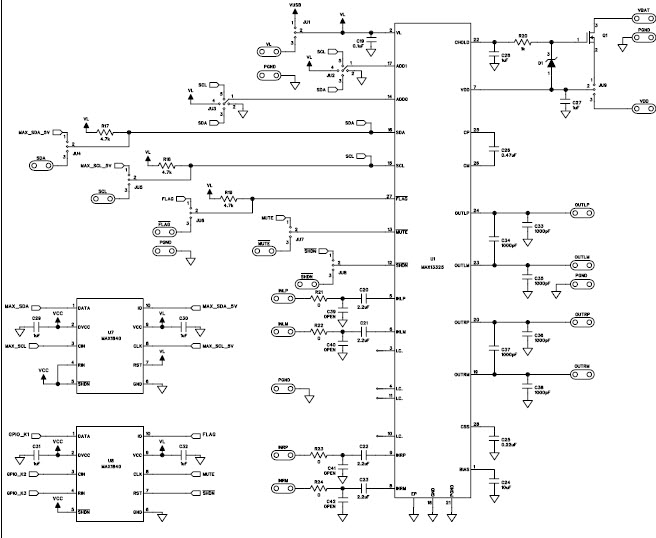
  • MAX13325EVKIT+, MAX13325 Evaluation Kit. The MAX13325 Evaluation Kit provides a proven design to evaluate the MAX13325 dual, audio line driver, which provides a robust differential interface between automotive audio components

Aktuelles über Elektronikkomponenten­

Wir haben unsere Datenschutzbestimmungen aktualisiert. Bitte nehmen Sie sich einen Moment Zeit, diese Änderungen zu überprüfen. Mit einem Klick auf "Ich stimme zu", stimmen Sie den Datenschutz- und Nutzungsbedingungen von Arrow Electronics zu.

Wir verwenden Cookies, um den Anwendernutzen zu vergrößern und unsere Webseite zu optimieren. Mehr über Cookies und wie man sie abschaltet finden Sie hier. Cookies und tracking Technologien können für Marketingzwecke verwendet werden.
Durch Klicken von „RICHTLINIEN AKZEPTIEREN“ stimmen Sie der Verwendung von Cookies auf Ihrem Endgerät und der Verwendung von tracking Technologien zu. Klicken Sie auf „MEHR INFORMATIONEN“ unten für mehr Informationen und Anleitungen wie man Cookies und tracking Technologien abschaltet. Das Akzeptieren von Cookies und tracking Technologien ist zwar freiwillig, das Blockieren kann aber eine korrekte Ausführung unserer Website verhindern, und bestimmte Werbung könnte für Sie weniger relevant sein.
Ihr Datenschutz ist uns wichtig. Lesen Sie mehr über unsere Datenschutzrichtlinien hier.