MAX14819EVKIT#, Evaluation Kit for MAX14819 Dual IO-Link Master Transceiver with Integrated Framer and L+ Supply Controller
Referenzdesign unter Verwendung des Teils MAX14819ATM+ von Analog Devices
Für Endprodukte
- IO-Link Gateways
- IO-Link Master Systems
Beschreibung
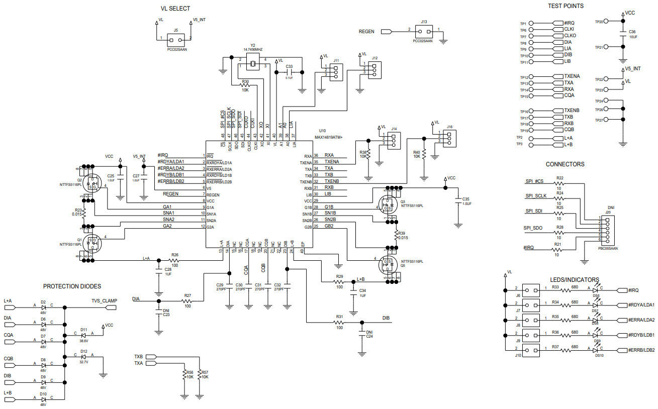
- MAX14819EVKIT#, Evaluation Kit (EV kit) consists of the evaluation board and software. The EV kit is a fully assembled and tested circuit board that evaluates the MAX14819 IO-Link dual-channel master transceiver. The EV kit includes Windows 7-compatible software that provides a graphical user interface (GUI) for exercising the features of the device. The EV kit is connected to a PC through a USB A-to- micro B cable
Haupteigenschaften
-
Interface StandardsI/O|SPI
-
FunctionsLine Transceiver
Empfohlene Bauteile (16)
| Teilenummer | Hersteller | Typ | Beschreibung | |||
|---|---|---|---|---|---|---|
|
|
MAX14931FASE+T | Analog Devices | Digital Isolators | Digital Isolator CMOS 4-CH 150Mbps Medical 16-Pin SOIC N T/R | In den Warenkorb | |
|
|
93LC66BT-I/OT | Microchip Technology | EEPROM | EEPROM Serial-Microwire 4K-bit 256 x 16 3.3V/5V 6-Pin SOT-23 T/R | In den Warenkorb | |
|
|
MAX14931FASE+T | Analog Devices | Digital Isolators | Digital Isolator CMOS 4-CH 150Mbps Medical 16-Pin SOIC N T/R | In den Warenkorb | |
|
|
MAX12930BASA+T | Analog Devices | Digital Isolators | Digital Isolator CMOS 2-CH 25Mbps 8-Pin SOIC N T/R | In den Warenkorb | |
|
|
MAX12930BASA+ | Analog Devices | Digital Isolators | Digital Isolator CMOS 2-CH 25Mbps 8-Pin SOIC N Tube | In den Warenkorb | |
|
|
MAX12930BASA+ | Analog Devices | Digital Isolators | Digital Isolator CMOS 2-CH 25Mbps 8-Pin SOIC N Tube | In den Warenkorb | |
|
|
MAX14931FASE+ | Analog Devices | Digital Isolators | Digital Isolator CMOS 4-CH 150Mbps Medical 16-Pin SOIC N Tube | In den Warenkorb | |
|
|
MAX12930BASA+T | Analog Devices | Digital Isolators | Digital Isolator CMOS 2-CH 25Mbps 8-Pin SOIC N T/R | In den Warenkorb | |
|
|
FT2232HL-TRAY | Future Technology Devices International Limited | USB Interface ICs | High Speed USB to UART/FIFO USB 2.0 1.8V/3.3V Tray 64-Pin LQFP | In den Warenkorb | |
|
|
MAX14931FASE+ | Analog Devices | Digital Isolators | Digital Isolator CMOS 4-CH 150Mbps Medical 16-Pin SOIC N Tube | In den Warenkorb | |
|
|
ABM7-12.000MHZ-D2Y-T | Abracon | Crystals | Crystal 12MHz ±20ppm (Tol) ±30ppm (Stability) 18pF FUND 60Ohm 2-Pin Mini-CSMD T/R | In den Warenkorb | |
|
|
FT2232HL-REEL | Future Technology Devices International Limited | USB Interface ICs | High Speed USB to UART/FIFO USB 2.0 1.8V/3.3V T/R 64-Pin LQFP | In den Warenkorb | |