MAX31785K#, Evaluation Kit for the MAX31785 6-Channel Intelligent Fan Controller

Referenzdesign unter Verwendung des Teils MAX31785ETL+ von Analog Devices

Hersteller

Analog Devices
  • Anwendungskategorie
    Motorkontrolle
  • Produkttyp
    Lüftermotor Kontrolle

Für Endprodukte

  • Basestation
  • Ethernet Routers & Switches
  • Industrial Control
  • Servers
  • Smart Grid

Beschreibung

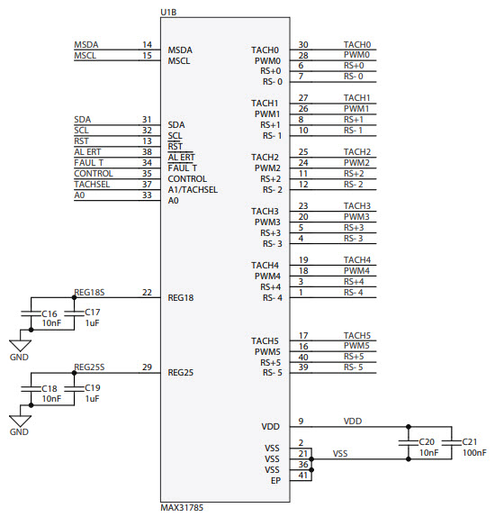
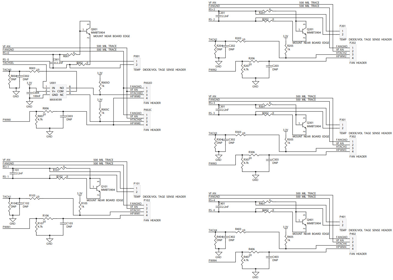
  • MAX31785K#, Evaluation Kit (EV kit) provides the hardware and software graphical user interface (GUI) necessary to evaluate the MAX31785 6-channel intelligent fan controller. The EV kit includes a MAX31785ETL+ installed, as well as a 12V fan and USB-to-I2C module to communicate with the PC

Aktuelles über Elektronikkomponenten­

Wir haben unsere Datenschutzbestimmungen aktualisiert. Bitte nehmen Sie sich einen Moment Zeit, diese Änderungen zu überprüfen. Mit einem Klick auf "Ich stimme zu", stimmen Sie den Datenschutz- und Nutzungsbedingungen von Arrow Electronics zu.

Wir verwenden Cookies, um den Anwendernutzen zu vergrößern und unsere Webseite zu optimieren. Mehr über Cookies und wie man sie abschaltet finden Sie hier. Cookies und tracking Technologien können für Marketingzwecke verwendet werden.
Durch Klicken von „RICHTLINIEN AKZEPTIEREN“ stimmen Sie der Verwendung von Cookies auf Ihrem Endgerät und der Verwendung von tracking Technologien zu. Klicken Sie auf „MEHR INFORMATIONEN“ unten für mehr Informationen und Anleitungen wie man Cookies und tracking Technologien abschaltet. Das Akzeptieren von Cookies und tracking Technologien ist zwar freiwillig, das Blockieren kann aber eine korrekte Ausführung unserer Website verhindern, und bestimmte Werbung könnte für Sie weniger relevant sein.
Ihr Datenschutz ist uns wichtig. Lesen Sie mehr über unsere Datenschutzrichtlinien hier.