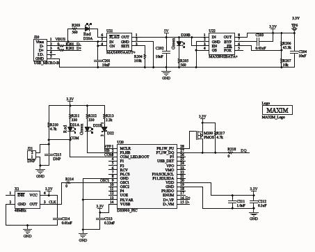
MAX31850EVKIT#, Evaluation Kit for the MAX31850 and MAX31851
Referenzdesign unter Verwendung des Teils MAX31850KATB+ von Analog Devices
Für Endprodukte
- HVAC
- Industrial
- Medical and Healthcare
Beschreibung
- MAX31850EVKIT#, Evaluation Kit for the MAX31850 and MAX31851MAX31850/MAX31851 Evaluation Kit (EV kit) provides the hardware and software graphical user interface (GUI) necessary to evaluate the MAX31850/MAX31851 cold-junction compensated, 1-Wire thermocouple-to-digital converter. The EV kit comes with a MAX31850KATB+ soldered to the PCB. This is the K-type thermocouple version of the device. Other thermocouple types can be evaluated by procuring the desired thermocouple, thermocouple socket, and corresponding MAX31850 or MAX31851. Contact the factory for free samples of the devices to match your desired thermocouple type. See the Evaluating Other Thermocouple Types section in the full data sheet for part numbers and additional information regarding other thermocouple types
Empfohlene Bauteile (9)
| Teilenummer | Hersteller | Typ | Beschreibung | |||
|---|---|---|---|---|---|---|
|
|
PIC18LF2550-I/SO | Microchip Technology | Microcontrollers - MCUs | MCU 8-bit PIC RISC 32KB Flash 2.5V/3.3V/5V 28-Pin SOIC W Tube | In den Warenkorb | |
|
|
MAX8902BATA+ | Analog Devices | Linear Regulators | LDO Regulator Pos 0.6V to 5.3V 0.5A 8-Pin TDFN EP T/R | In den Warenkorb | |
|
|
MAX4995AAUT+ | Analog Devices | USB Power Switches | USB Power Switch Single 5.5V 0.05A to 0.6A 6-Pin SOT-23 T/R | In den Warenkorb | |
|
|
MAX8902BATA+ | Analog Devices | Linear Regulators | LDO Regulator Pos 0.6V to 5.3V 0.5A 8-Pin TDFN EP T/R | In den Warenkorb | |
|
|
MAX4995AAUT+ | Analog Devices | USB Power Switches | USB Power Switch Single 5.5V 0.05A to 0.6A 6-Pin SOT-23 T/R | In den Warenkorb | |
|
|
MAX31850KATB+T | Analog Devices | Sensor and Detector Interface | Sensor and Detector Interface 3.7V 0.9mA 1-Wire Interface 10-Pin TDFN EP T/R | In den Warenkorb | |
|
|
MAX31850KATB+ | Analog Devices | Sensor and Detector Interface | Sensor and Detector Interface 3.7V 0.9mA 1-Wire Interface 10-Pin TDFN EP Tube | In den Warenkorb | |
|
|
MAX31850KATB+T | Analog Devices | Sensor and Detector Interface | Sensor and Detector Interface 3.7V 0.9mA 1-Wire Interface 10-Pin TDFN EP T/R | In den Warenkorb | |
|
|
MAX31850KATB+ | Analog Devices | Sensor and Detector Interface | Sensor and Detector Interface 3.7V 0.9mA 1-Wire Interface 10-Pin TDFN EP Tube | In den Warenkorb | |