MAX5995BEVKIT#, Evaluation Kit for MAX5995C Active-Clamped, Spread-Spectrum, Current-Mode PWM Controller

Referenzdesign unter Verwendung des Teils MAX5995CETE+ von Analog Devices

Hersteller

Analog Devices
  • Anwendungskategorie
    Spannungsversorgungen
  • Produkttyp
    Einzelausgangs Gleichspannungs Netzteil

Für Endprodukte

  • Building Automation
  • IP Camera
  • Lighting
  • Microcell/Picocell Systems
  • PoE Powered Devices
  • PoE Wireless Access Point
  • VoIP Phone

Beschreibung

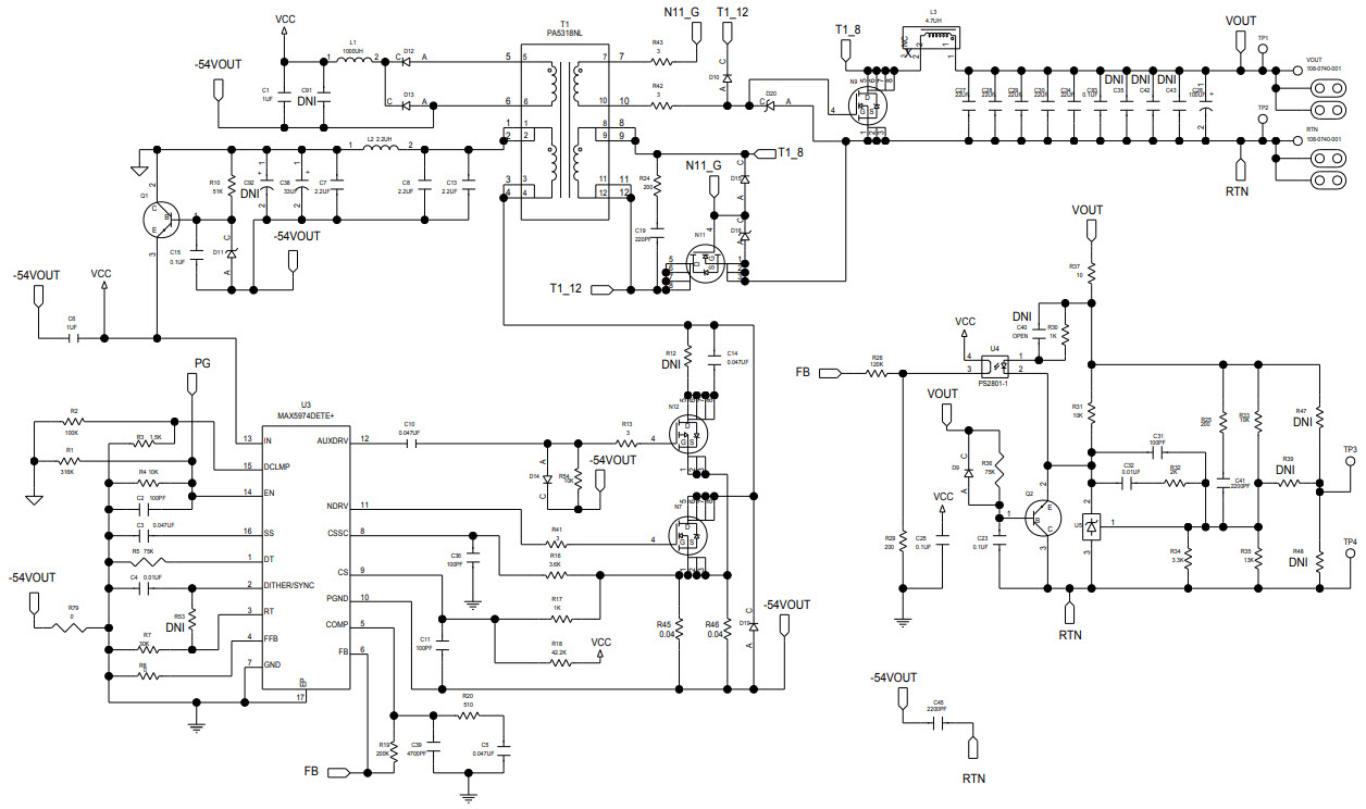
  • MAX5995BEVKIT#, Evaluation Kit (EV kit) is a fully assembled and tested surface-mount circuit board featuring an Ethernet port, network powered-device (PD) interface controller circuit for -57V supply rail systems. The EV kit uses the MAX5995C IEEE 802.3af/at/bt-compliant network PD interface controller in a 16-pin TQFN package with an exposed pad. The IC is used in Power-over- Ethernet (PoE) applications requiring DC power from an Ethernet network port for PDs such as VoIP phones, wireless access nodes, security cameras, lighting and building automation. The EV kit receives power from IEEE 802.3af/at/bt-compliant power-sourcing equipment (PSE). The PSE provides the required -36V to -57V DC power over an unshielded twisted-pair Ethernet network cable to the EV kit's RJ45 magnetic jack

Haupteigenschaften

  • Conversion Type
    DC to DC
  • Input Voltage
    -36 to -57 V
  • Output Voltage
    12 V
  • Output Current
    5.5 A
  • Output Power
    71 W
  • Topology
    Forward- Active Clamp|PoE

Aktuelles über Elektronikkomponenten­

Wir haben unsere Datenschutzbestimmungen aktualisiert. Bitte nehmen Sie sich einen Moment Zeit, diese Änderungen zu überprüfen. Mit einem Klick auf "Ich stimme zu", stimmen Sie den Datenschutz- und Nutzungsbedingungen von Arrow Electronics zu.

Wir verwenden Cookies, um den Anwendernutzen zu vergrößern und unsere Webseite zu optimieren. Mehr über Cookies und wie man sie abschaltet finden Sie hier. Cookies und tracking Technologien können für Marketingzwecke verwendet werden.
Durch Klicken von „RICHTLINIEN AKZEPTIEREN“ stimmen Sie der Verwendung von Cookies auf Ihrem Endgerät und der Verwendung von tracking Technologien zu. Klicken Sie auf „MEHR INFORMATIONEN“ unten für mehr Informationen und Anleitungen wie man Cookies und tracking Technologien abschaltet. Das Akzeptieren von Cookies und tracking Technologien ist zwar freiwillig, das Blockieren kann aber eine korrekte Ausführung unserer Website verhindern, und bestimmte Werbung könnte für Sie weniger relevant sein.
Ihr Datenschutz ist uns wichtig. Lesen Sie mehr über unsere Datenschutzrichtlinien hier.