MAX77503AEVKIT#, Evaluation Kit for MAX77503AEWC+ 14V Input, 1.5A High-Efficiency Buck Converter
Referenzdesign unter Verwendung des Teils MAX77503AEWC+ von Analog Devices
Für Endprodukte
- 4K Cameras
- Battery-Powered Devices
- Drones
- High Power Density
- Notebook
- Space Constrained Equipment
Beschreibung
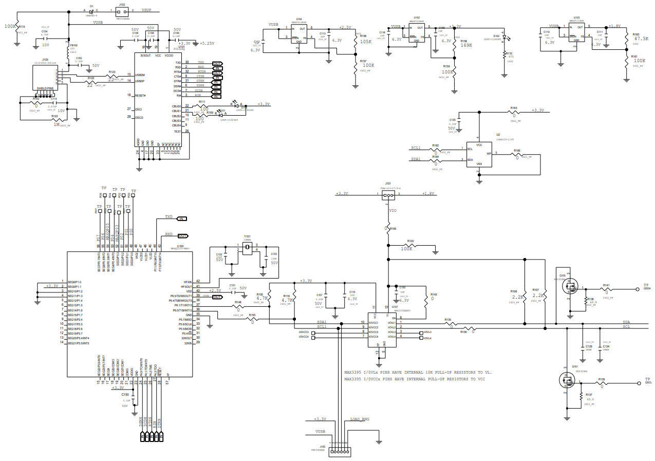
- MAX77503AEVKIT#, Evaluation Kit (EV kit) is a fully assembled and tested PCB that demonstrates the MAX77503 synchronous step-down (buck) converter. The EV kit is a step-down voltage regulator circuit using MAX77503 that is capable of 3V to 14V input, 1.5A continuous load, and output voltage adjustable between 0.8V and 5V (internal feedback options) or 1.55V and 99% of the input voltage (external feedback option)
Haupteigenschaften
-
Conversion TypeDC to DC
-
Input Voltage3 to 14 V
-
Output Voltage0.8 to 5 V
-
Output Current1.5 A
-
TopologyBuck
Empfohlene Bauteile (18)
| Teilenummer | Hersteller | Typ | Beschreibung | |||
|---|---|---|---|---|---|---|
|
|
MAX8512EXK+ | Analog Devices | Linear Regulators | LDO Regulator Pos 1.5V to 4.5V 0.12A 5-Pin SC-70 T/R | In den Warenkorb | |
|
|
MAX8512EXK+ | Analog Devices | Linear Regulators | LDO Regulator Pos 1.5V to 4.5V 0.12A 5-Pin SC-70 T/R | In den Warenkorb | |
|
|
MAX44251AUA+T | Analog Devices | Operational Amplifiers - Op Amps | Op Amp Dual Precision Amplifier R-R O/P ±10V/20V 8-Pin uMAX T/R | In den Warenkorb | |
|
|
CX3225SB16000D0FLJZZ | Kyocera | Crystals | Crystal 16MHz ±10ppm (Tol) ±15ppm (Stability) 8pF FUND 100Ohm 4-Pin CSMD | In den Warenkorb | |
|
|
24AA02T-I/OT | Microchip Technology | EEPROM | EEPROM Serial-I2C 2K-bit 256 x 8 1.8V/2.5V/3.3V/5V Automotive AEC-Q100 5-Pin SOT-23 T/R | In den Warenkorb | |
|
|
MAX8512EXK+T | Analog Devices | Linear Regulators | LDO Regulator Pos 1.5V to 4.5V 0.12A 5-Pin SC-70 T/R | In den Warenkorb | |
|
|
MAX3395EETC+T | Analog Devices | Level Translators | Voltage Level Translator 4-CH Bidirectional 12-Pin TQFN EP T/R | In den Warenkorb | |
|
|
MAX44251AUA+T | Analog Devices | Operational Amplifiers - Op Amps | Op Amp Dual Precision Amplifier R-R O/P ±10V/20V 8-Pin uMAX T/R | In den Warenkorb | |
|
|
MAX44251AUA+ | Analog Devices | Operational Amplifiers - Op Amps | Op Amp Dual Precision Amplifier R-R O/P ±10V/20V 8-Pin uMAX Tube | In den Warenkorb | |
|
|
MAX3395EETC+ | Analog Devices | Level Translators | Voltage Level Translator 4-CH Bidirectional 12-Pin TQFN EP Tube | In den Warenkorb | |
|
|
MAX44251AUA+ | Analog Devices | Operational Amplifiers - Op Amps | Op Amp Dual Precision Amplifier R-R O/P ±10V/20V 8-Pin uMAX Tube | In den Warenkorb | |
|
|
MAX8512EXK+T | Analog Devices | Linear Regulators | LDO Regulator Pos 1.5V to 4.5V 0.12A 5-Pin SC-70 T/R | In den Warenkorb | |