MAX9860EVKIT+, Evaluation Kit for the MAX9860 16-Bit Mono Audio Voice Codec
Referenzdesign unter Verwendung des Teils MAX9860ETG+ von Analog Devices
Für Endprodukte
- Audio Accessories
- Headsets
- Mobile Phone
- Portable Navigation System
- Smart Phone
- VoIP Phone
Beschreibung
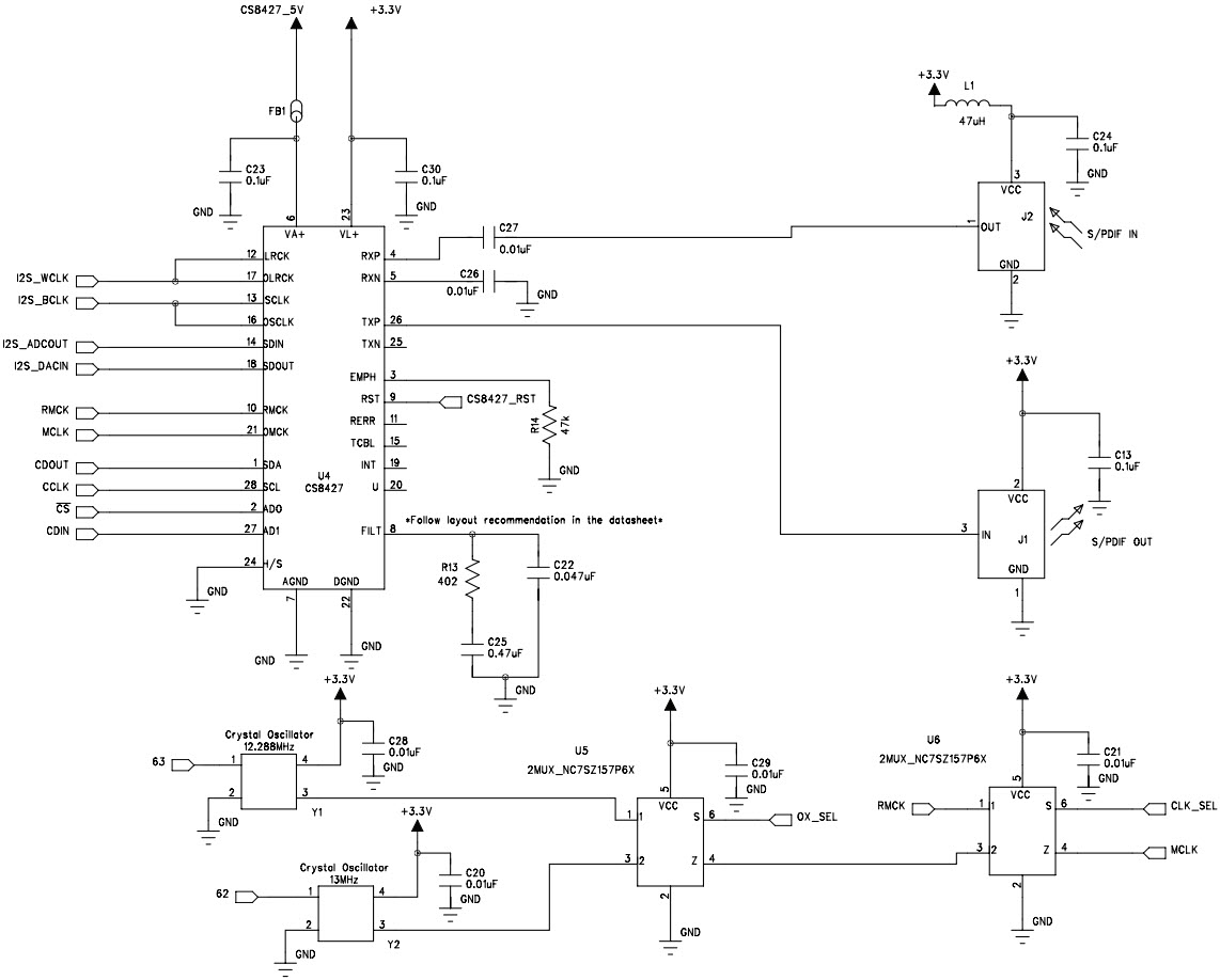
- MAX9860EVKIT+, Evaluation Kit (EV kit) consists of a MAX9860 evaluation board and software. The EV kit is a fully assembled and tested circuit board that evaluates the MAX9860 low-power, voice-band, mono audio codec. The EV kit is designed to send and receive digital audio data in the Sony/Philips digital interface (S/PDIF) format and can be optionally configured to communicate using generic digital audio or I2S-compatible signals. The EV kit provides fiber optic receiving and transmitting modules for digital audio input and output
Empfohlene Bauteile (16)
| Teilenummer | Hersteller | Typ | Beschreibung | |||
|---|---|---|---|---|---|---|
|
|
MAX8510EXK18+T | Analog Devices | Linear Regulators | LDO Regulator Pos 1.8V 0.12A 5-Pin SC-70 T/R | In den Warenkorb | |
|
|
MAX8511EXK33+T | Analog Devices | Linear Regulators | LDO Regulator Pos 3.3V 0.12A 5-Pin SC-70 T/R | In den Warenkorb | |
|
|
MAX8510EXK18+ | Analog Devices | Linear Regulators | LDO Regulator Pos 1.8V 0.12A 5-Pin SC-70 T/R | In den Warenkorb | |
|
|
MAX8510EXK18+ | Analog Devices | Linear Regulators | LDO Regulator Pos 1.8V 0.12A 5-Pin SC-70 T/R | In den Warenkorb | |
|
|
MAX8511EXK25+ | Analog Devices | Linear Regulators | LDO Regulator Pos 2.5V 0.12A 5-Pin SC-70 T/R | In den Warenkorb | |
|
|
MAX8511EXK25+ | Analog Devices | Linear Regulators | LDO Regulator Pos 2.5V 0.12A 5-Pin SC-70 T/R | In den Warenkorb | |
|
|
MAX8511EXK25+T | Analog Devices | Linear Regulators | LDO Regulator Pos 2.5V 0.12A 5-Pin SC-70 T/R | In den Warenkorb | |
|
|
MAX8510EXK18+T | Analog Devices | Linear Regulators | LDO Regulator Pos 1.8V 0.12A 5-Pin SC-70 T/R | In den Warenkorb | |
|
|
MAX8511EXK33+T | Analog Devices | Linear Regulators | LDO Regulator Pos 3.3V 0.12A 5-Pin SC-70 T/R | In den Warenkorb | |
|
|
MAX8511EXK33+ | Analog Devices | Linear Regulators | LDO Regulator Pos 3.3V 0.12A 5-Pin SC-70 T/R | In den Warenkorb | |
|
|
MAX8511EXK25+T | Analog Devices | Linear Regulators | LDO Regulator Pos 2.5V 0.12A 5-Pin SC-70 T/R | In den Warenkorb | |
|
|
MAX8511EXK33+ | Analog Devices | Linear Regulators | LDO Regulator Pos 3.3V 0.12A 5-Pin SC-70 T/R | In den Warenkorb | |