MAXM86161EVSYS#, Evaluation System for MAXM86161 Single-Supply Integrated Optical Module for HR and SpO2 Measurement
Referenzdesign unter Verwendung des Teils MAX86160 von Analog Devices
Für Endprodukte
- Hearing Aid
- Heart Rate Monitoring
- Mobile Applications
- Oxygen Concentration Detector
Beschreibung
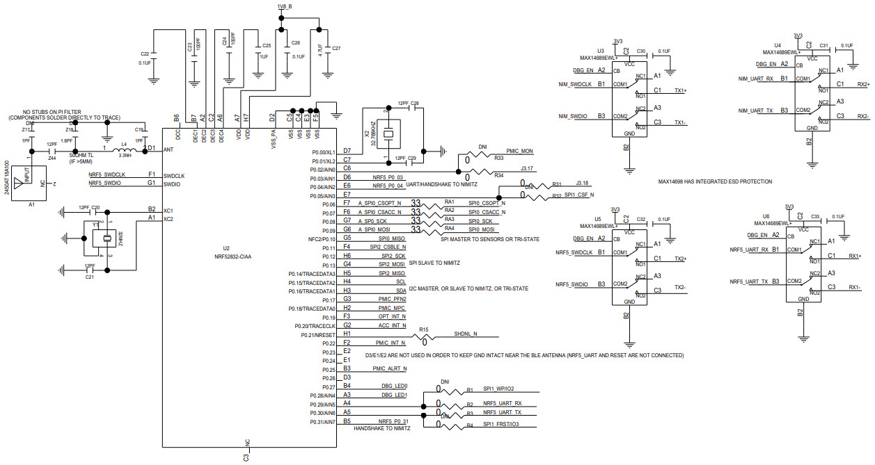
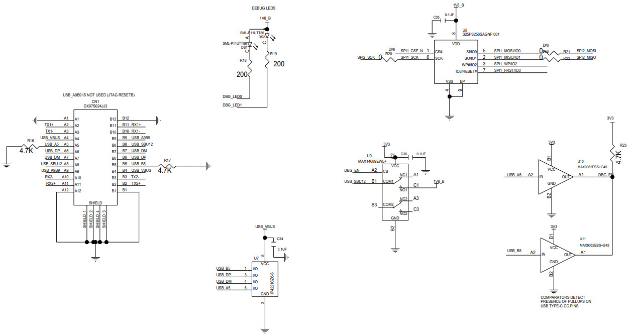
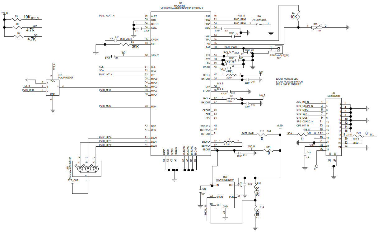
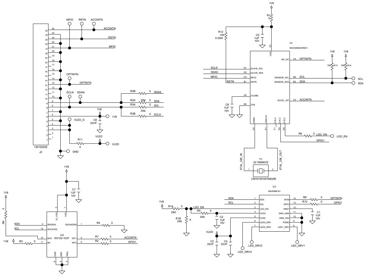
- MAXM86161EVSYS#, Evaluation System (EV system) allows for the quick evaluation of the MAXM86161 integrated optical module for applications at various sites on the body, particularly in-ear and mobile applications. The MAXM86161 device communicates using a standard I2C-compatible interface to Maxim's on-board MAX32664 Biometric Sensor Hub microcontroller (used for Maxim's algorithm evaluation) or in a pass-through mode for raw data collection. The MAXM86161 device consists of three optical readout channels that can be individually controlled (Green, Red and IR). The EV system allows for flexible configurations to allow testing of various features of the sensor. Moreover, it helps the user quickly learn how to configure and use the MAXM86161 device
Empfohlene Bauteile (45)
| Teilenummer | Hersteller | Typ | Beschreibung | |||
|---|---|---|---|---|---|---|
|
|
MAX32664GWEA+T | Analog Devices | Specialized Sensors | Sensor Hub Digital Output 1.8V 16-Pin WLP T/R | In den Warenkorb | |
|
|
MAX32664GWEA+ | Analog Devices | Specialized Sensors | Sensor Hub Digital Output 1.8V 16-Pin WLP T/R | In den Warenkorb | |
|
|
MAX20303HEWN+T | Analog Devices | PMIC Solutions | Power Management IC 2.7V to 5.5V 56-Pin WLP T/R | In den Warenkorb | |
|
|
MAX20303GEWN+T | Analog Devices | PMIC Solutions | Power Management IC 2.7V to 5.5V 56-Pin WLP T/R | In den Warenkorb | |
|
|
MAX20303HEWN+ | Analog Devices | PMIC Solutions | Power Management IC 2.7V to 5.5V 56-Pin WLP T/R | In den Warenkorb | |
|
|
MAX20303BEWN+ | Analog Devices | PMIC Solutions | Power Management IC 2.7V to 5.5V 56-Pin WLP T/R | In den Warenkorb | |
|
|
MAX20303GEWN+ | Analog Devices | PMIC Solutions | Power Management IC 2.7V to 5.5V 56-Pin WLP T/R | In den Warenkorb | |
|
|
MAX14689EWL+T | Analog Devices | Analog Switch Multiplexers | Analog Switch Single DPDT 9-Pin WLP T/R | In den Warenkorb | |
|
|
S25FS256SAGNFI001 | Infineon Technologies AG | Flash | NOR Flash Serial (SPI, Dual SPI, Quad SPI) 1.8V 256M-bit 256M/128M/64M x 1/2-bit/4-bit 8ns 8-Pin WSON EP Tube | In den Warenkorb | |
|
|
MAX20303BEWN+T | Analog Devices | PMIC Solutions | Power Management IC 2.7V to 5.5V 56-Pin WLP T/R | In den Warenkorb | |
|
|
MAX20303AEWN+ | Analog Devices | PMIC Solutions | Power Management IC 2.7V to 5.5V 56-Pin WLP T/R | In den Warenkorb | |
|
|
S25FS256SAGNFI001 | Infineon Technologies AG | Flash | NOR Flash Serial (SPI, Dual SPI, Quad SPI) 1.8V 256M-bit 256M/128M/64M x 1/2-bit/4-bit 8ns 8-Pin WSON EP Tube | In den Warenkorb | |