MAXREFDES24#, 4-Channel Analog Output Reference Design for Industrial Analog Current/Voltage Output Conditioners
Referenzdesign unter Verwendung des Teils MAX5134AGUE+ von Analog Devices
Für Endprodukte
- Distributed Control System
- I/O Modules
- Industrial Control
- PLC & DCS Modules
Beschreibung
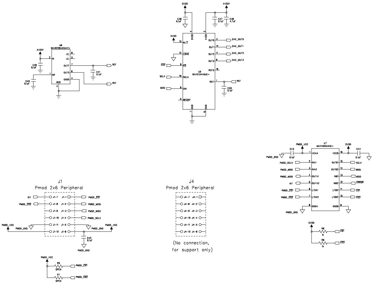
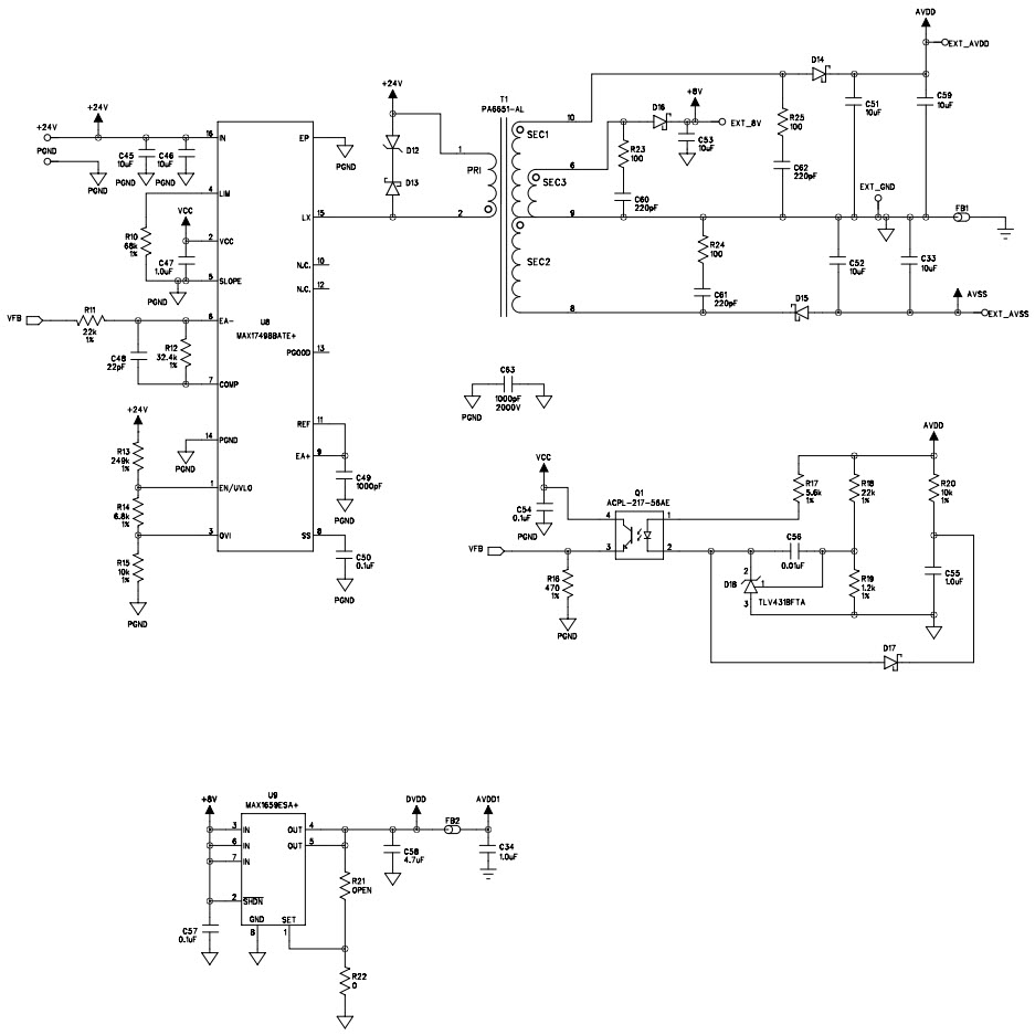
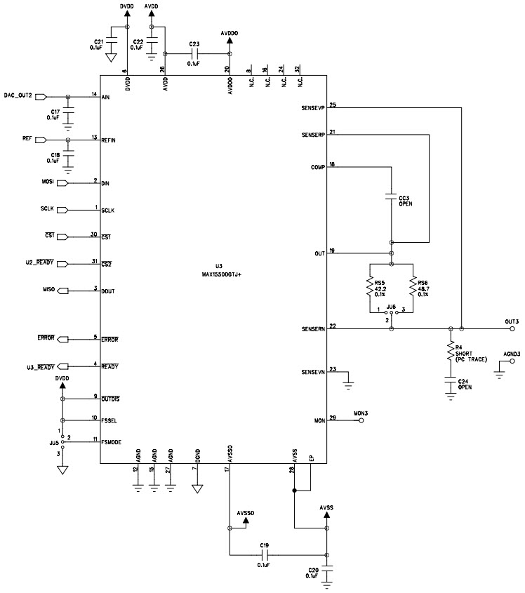
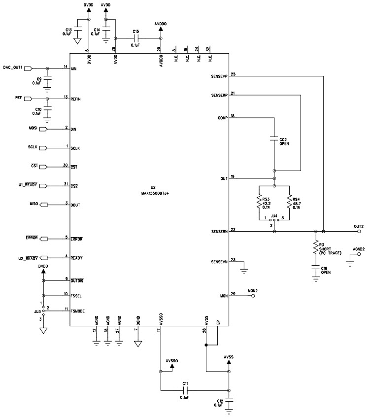
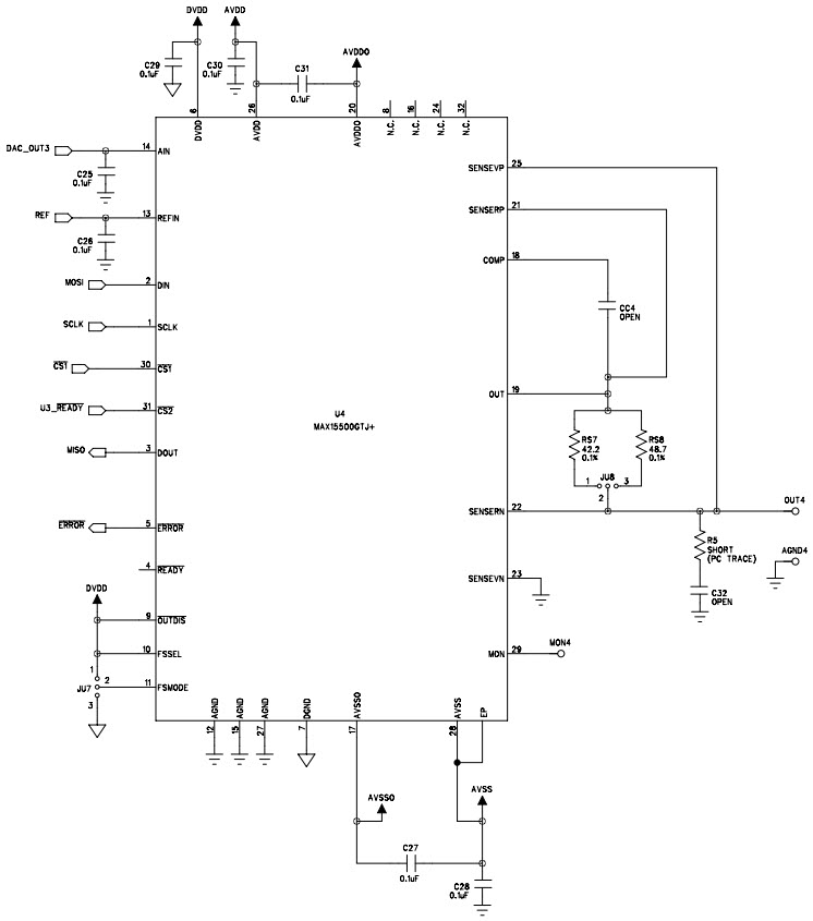
- MAXREFDES24#, Reference design features a scalable solution for multi-channel analog output modules. The configurable 4-channel design generates all typical bipolar current and voltage output ranges up to 24mA/12V with less than ±0.1% typical total unadjusted error (TUE). Integrated detection of power and cable faults provides the user with the necessary diagnostics for robust industrial control applications. A buffered MAX5134 four-channel, 16-bit digital-to-analog converter (DAC) generates the low voltage signals that drive the inputs of four MAX15500 signal conditioners (output drivers). A MAX6126 produces a precision voltage reference to the circuit for maximum performance over environmental conditions. The design also incorporates an isolated power supply circuit with a wide DC input range using a MAX17498B peak current-mode flyback controller
Empfohlene Bauteile (27)
| Teilenummer | Hersteller | Typ | Beschreibung | |||
|---|---|---|---|---|---|---|
|
|
TLV431BFTA | Diodes Incorporated | Voltage References | V-Ref Adjustable 1.24V to 18V 15mA 3-Pin SOT-23 T/R | In den Warenkorb | |
|
|
MAX6126AASA41+T | Analog Devices | Voltage References | V-Ref Fixed 4.096V 10mA 8-Pin SOIC N T/R | In den Warenkorb | |
|
|
MAX14850ASE+ | Analog Devices | Digital Isolators | Digital Isolator CMOS 6-CH 50Mbps 16-Pin SOIC N Tube | In den Warenkorb | |
|
|
MAX1659ESA+ | Analog Devices | Linear Regulators | LDO Regulator Pos 1.25V to 16V5V 0.35A 8-Pin SOIC N Tube | In den Warenkorb | |
|
|
MAX6126AASA41+ | Analog Devices | Voltage References | V-Ref Fixed 4.096V 10mA 8-Pin SOIC N Tube | In den Warenkorb | |
|
|
MAX15500GTJ+T | Analog Devices | Logic and Timing Misc | Analog Output Conditioner -40°C to 105°C 32-Pin TQFN EP T/R | In den Warenkorb | |
|
|
MAX15500GTJ+ | Analog Devices | Logic and Timing Misc | Analog Output Conditioner -40°C to 105°C 32-Pin TQFN EP Tube | In den Warenkorb | |
|
|
MAX17498BATE+ | Analog Devices | Specialized Power ICs and Modules | AC to DC and DC to DC Converter 16-Pin TQFN EP T/R | In den Warenkorb | |
|
|
MAX1659ESA+T | Analog Devices | Linear Regulators | LDO Regulator Pos 1.25V to 16V5V 0.35A 8-Pin SOIC N T/R | In den Warenkorb | |
|
|
MAX15500GTJ+T | Analog Devices | Logic and Timing Misc | Analog Output Conditioner -40°C to 105°C 32-Pin TQFN EP T/R | In den Warenkorb | |
|
|
MAX14850ASE+ | Analog Devices | Digital Isolators | Digital Isolator CMOS 6-CH 50Mbps 16-Pin SOIC N Tube | In den Warenkorb | |
|
|
MAX17498BATE+TCER | Analog Devices | Specialized Power ICs and Modules | Power Supply 16-Pin TQFN EP T/R | In den Warenkorb | |