MC27561-Dragonfly, The World's First Wireless Mesh IoT Triple Play Gateway
Referenzdesign unter Verwendung des Teils ATSAMD21J18A von IOTEAM S.r.l.
Zugehörige Dokumente
Für Endprodukte
- Automotive Applications
- Building Automation
- Factory Automation
- Indoor IoT Systems
- IoT Gateways
- Outdoor IoT Systems
Beschreibung
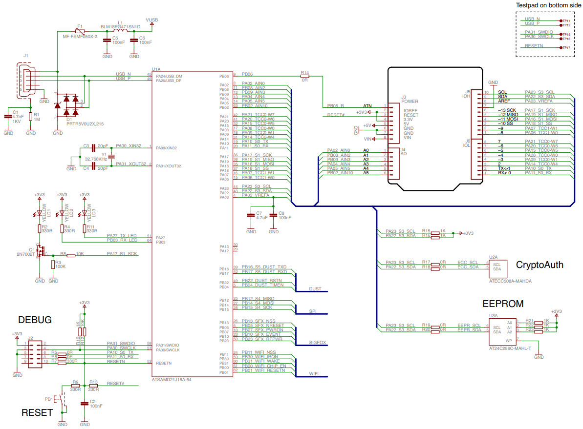
- MC27561-Dragonfly, is the world's first wireless mesh IoT Arduino Zero compatible triple play gateway with Dusty, Sigfox and WiFi. Its form factor enables it to use all of the Arduino Zero shields. It utilizes SmartMesh IP from Linear Tech and offers the unique possibility of integrating short and long range connectivity. Dragonfly makes it possible to interface the Dusty ecosystem with the cloud, in both indoor and outdoor applications. It can be used both using a SmartMesh IP WiFi gateway, within factories and buildings and other indoor IoT systems, and in connection with other long range technologies, for nautical, agricultural, automotive an other outdoor IoT applications. When there is the need to extend the SmartMesh IP meshed network characteristics alongside other IoT communication protocols, Dragonfly is the solution
Empfohlene Bauteile (26)
| Teilenummer | Hersteller | Typ | Beschreibung | |||
|---|---|---|---|---|---|---|
|
|
AT24C256C-MAHL-T | Microchip Technology | EEPROM | EEPROM Serial-I2C 256K-bit 32K x 8 1.8V/2.5V/3.3V/5V Automotive AEC-Q100 8-Pin UDFN EP T/R | In den Warenkorb | |
|
|
ATWINC1500-MR210UB1954 | Microchip Technology | 802.11 Wireless LAN | Module 802.11b/g/n 2.472GHz 72200Kbps 28-Pin SMD Module Tray | In den Warenkorb | |
|
|
ATWINC1500-MR210UB | Microchip Technology | 802.11 Wireless LAN | Module 802.11b/g/n 2.4835GHz 11000Kbps 28-Pin Tray | In den Warenkorb | |
|
|
ATWINC1500-MR210UB1961 | Microchip Technology | 802.11 Wireless LAN | Module 802.11b/g/n 2.472GHz 11000Kbps 28-Pin SMD Module Tray | In den Warenkorb | |
|
|
WINC1500-MR210PB | Microchip Technology | 802.11 Wireless LAN | Module 802.11b/g/n 2.4835GHz 11000Kbps 28-Pin Tray | In den Warenkorb | |
|
|
ATWINC1500-MR210UB1140 | Microchip Technology | 802.11 Wireless LAN | Module 802.11b/g/n 2.4835GHz 11000Kbps 28-Pin Tray | In den Warenkorb | |
|
|
ATWINC1500-MR210PB | Microchip Technology | 802.11 Wireless LAN | Module 802.11b/g/n 2.4835GHz 11000Kbps 28-Pin Tray | In den Warenkorb | |
|
|
ATWINC1500-MR210PB1961 | Microchip Technology | 802.11 Wireless LAN | Module 802.11b/g/n 2.472GHz 11000Kbps 28-Pin SMD Module Tray | In den Warenkorb | |
|
|
TS30011-M050QFNR | Semtech | DC to DC Converter and Switching Regulator Chip | Conv DC-DC 4.5V to 24V Synchronous Step Down Single-Out 5V 1A 16-Pin QFN EP | In den Warenkorb | |
|
|
ATWINC1500-MR210PB1954 | Microchip Technology | 802.11 Wireless LAN | Module 802.11b/g/n 2.472GHz 72200Kbps 28-Pin SMD Module Tray | In den Warenkorb | |
|
|
ATWINC1500-MR210PB1172 | Microchip Technology | 802.11 Wireless LAN | Module 802.11b/g/n 2.472GHz 11000Kbps 28-Pin SMD Module Tray | In den Warenkorb | |
|
|
ATECC508A-MAHDA-S | Microchip Technology | Authenticators | Authenticator CMOS 10KB 8-Pin UDFN EP T/R | In den Warenkorb | |