MCP355XDV-MS1, MCP355X Sensor Application Developer's Board
Referenzdesign unter Verwendung des Teils MCP3551-E/SN von Microchip Technology
Zugehörige Dokumente
Für Endprodukte
- Data Acquisition System
- Instrumentation and Measurement
- Outdoor Temperature Sensor
- Strain Gauge
- Weight Scale
Beschreibung
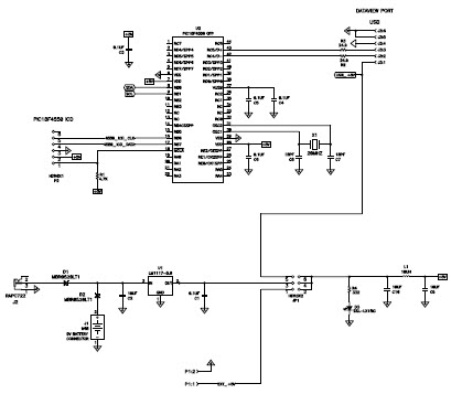
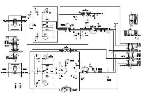
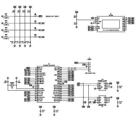
- MCP355XDV-MS1, MCP355X Sensor Application Developer's Board allows for easy system design of high resolution systems such as weigh scale, temperature sensing, or other small signal systems requiring precise signal conditioning circuits. The reference design includes LCD display firmware that performs all the necessary functions including ADC sampling, USB communication for PC data analysis, LCD display output, zero cancellation, full scale calibration, and units display in gram (g), kilogram (kg), or ADC output units
Haupteigenschaften
-
ADC Resolution22 Bit
-
ADC Sampling Rate14 SPS
-
Number of Channels1CH
Empfohlene Bauteile (17)
| Teilenummer | Hersteller | Typ | Beschreibung | |||
|---|---|---|---|---|---|---|
|
|
B3S-1002 | Omron | Switch Tactile | Switch Tactile N.O. SPST Round Button Gull Wing 0.05A 24VDC 500000Cycles 2.26N SMD Bag | In den Warenkorb | |
|
|
LM4140ACM-4.1/NOPB | Texas Instruments | Voltage References | V-Ref Precision 4.096V 8mA 8-Pin SOIC Tube | In den Warenkorb | |
|
|
LM1117DT-5.0/NOPB | Texas Instruments | Linear Regulators | LDO Regulator Pos 5V 0.8A 3-Pin(2+Tab) TO-252 Tube | In den Warenkorb | |
|
|
LM1117DT-5.0 | Texas Instruments | Linear Regulators | LDO Regulator Pos 5V 0.8A 3-Pin(2+Tab) TO-252 Rail | In den Warenkorb | |
|
|
PIC18F4550IPT | 8-bit MCU | Microchip Technology | Microcontrollers - MCUs | MCU 8-bit PIC RISC 32KB Flash 3.3V/5V 44-Pin TQFP Tray | In den Warenkorb | |
|
|
MCP9803-M/SNG | Microchip Technology | Temperature and Humidity Sensors | Temperature Sensor Digital Serial (2-Wire, I2C, SMBus) 8-Pin SOIC N Tube Automotive AEC-Q100 | In den Warenkorb | |
|
|
B3S-1002P BY OMZ | Omron | Switch Tactile | Switch Tactile N.O. SPST Round Button Gull Wing 0.05A 24VDC 300000Cycles 2.26N SMD T/R | In den Warenkorb | |
|
|
B3S-1002 BY OMZ | Omron | Switch Tactile | Switch Tactile N.O. SPST Round Button Gull Wing 0.05A 24VDC 500000Cycles 2.26N SMD Bag | In den Warenkorb | |
|
|
LM1117DT-5.0/NOPB | Texas Instruments | Linear Regulators | LDO Regulator Pos 5V 0.8A 3-Pin(2+Tab) TO-252 Tube | In den Warenkorb | |
|
|
24FC256-I/SN | Microchip Technology | EEPROM | EEPROM Serial-I2C 256K-bit 32K x 8 1.8V/2.5V/3.3V/5V 8-Pin SOIC N Tube | In den Warenkorb | |
|
|
ABM3B-20.000MHZ-10-1-U-T | Abracon | Crystals | Crystal 20MHz ±10ppm (Tol) ±10ppm (Stability) 10pF FUND 50Ohm 4-Pin CSMD T/R | In den Warenkorb | |
|
|
PIC16F877A-I/PT | Microchip Technology | Microcontrollers - MCUs | MCU 8-bit PIC RISC 14.3KB Flash 5V 44-Pin TQFP Tray | In den Warenkorb | |