MIKROE-3447, 6DOF IMU 8 Click Board for ISM330DLC 3D Accelerometer, 3D Gyroscope with Digital Output for Industrial Applications

Referenzdesign unter Verwendung des Teils ISM330DLCTR von MikroElektronika

Hersteller

MikroElektronika
  • Anwendungskategorie
    Sensoren und Wandler
  • Produkttyp
    Beschleunigungsmesser

Zugehörige Dokumente

Für Endprodukte

  • Antenna Alignment
  • Drones
  • Industrial Applications
  • IoT Applications
  • Optical Image Stabilization
  • Robotics

Beschreibung

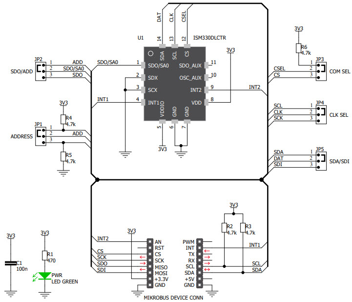
  • MIKROE-3447, 6DOF IMU 8 Click is an advanced 6-axis motion tracking Click board, which utilizes the ISM330DLC, a high-performance System in Package (SiP), equipped with a 3-axis gyroscope, and a 3-axis accelerometer. A combination of the two most commonly used motion sensors allows for full 6D sensing. Tailored towards the Industry 4.0, the ISM330DLC is equipped with many smart features used to optimize the firmware and the power consumption. These features include a powerful interrupt engine capable of detecting several different events, 4K of FIFO buffer, configurable signal processing, and support for both I2C and SPI communication interfaces

Haupteigenschaften

  • Input Signal Amplitude
    3.3 V

Aktuelles über Elektronikkomponenten­

Wir haben unsere Datenschutzbestimmungen aktualisiert. Bitte nehmen Sie sich einen Moment Zeit, diese Änderungen zu überprüfen. Mit einem Klick auf "Ich stimme zu", stimmen Sie den Datenschutz- und Nutzungsbedingungen von Arrow Electronics zu.

Wir verwenden Cookies, um den Anwendernutzen zu vergrößern und unsere Webseite zu optimieren. Mehr über Cookies und wie man sie abschaltet finden Sie hier. Cookies und tracking Technologien können für Marketingzwecke verwendet werden.
Durch Klicken von „RICHTLINIEN AKZEPTIEREN“ stimmen Sie der Verwendung von Cookies auf Ihrem Endgerät und der Verwendung von tracking Technologien zu. Klicken Sie auf „MEHR INFORMATIONEN“ unten für mehr Informationen und Anleitungen wie man Cookies und tracking Technologien abschaltet. Das Akzeptieren von Cookies und tracking Technologien ist zwar freiwillig, das Blockieren kann aber eine korrekte Ausführung unserer Website verhindern, und bestimmte Werbung könnte für Sie weniger relevant sein.
Ihr Datenschutz ist uns wichtig. Lesen Sie mehr über unsere Datenschutzrichtlinien hier.