MIL-STD-1553 Remote Terminal Design Example Applications Note

Referenzdesign unter Verwendung des Teils HI-6110PQ von Holt Integrated Circuits

Hersteller

Holt Integrated Circuits
  • Anwendungskategorie
    Schnittstelle
  • Produkttyp
    RS-232 Schnittstelle

Für Endprodukte

  • Portable Instrumentation
  • System Monitoring and Control
  • Test Equipment

Beschreibung

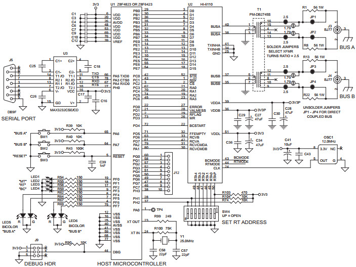
  • HI-6110 is a versatile message processor for MIL-STD- 1553 applications. It can be configured as a Bus Controller, Remote Terminal or Bus Monitor, with or without assigned RT address. This application note describes a Remote Terminal design example using the HI-6110 and a simple, commercial microcontroller. This example is available from Holt Integrated Circuits as an evaluation board. AN-520 provides an overview of hardware and software principles for a working design. Schematic diagram and program flowcharts are included. This can be used for HI-6110 evaluation and may be a suitable design basis for some applications

Haupteigenschaften

  • Interface Standards
    RS-232
  • Supply Voltage
    Single(3.3) V

Aktuelles über Elektronikkomponenten­

Wir haben unsere Datenschutzbestimmungen aktualisiert. Bitte nehmen Sie sich einen Moment Zeit, diese Änderungen zu überprüfen. Mit einem Klick auf "Ich stimme zu", stimmen Sie den Datenschutz- und Nutzungsbedingungen von Arrow Electronics zu.

Wir verwenden Cookies, um den Anwendernutzen zu vergrößern und unsere Webseite zu optimieren. Mehr über Cookies und wie man sie abschaltet finden Sie hier. Cookies und tracking Technologien können für Marketingzwecke verwendet werden.
Durch Klicken von „RICHTLINIEN AKZEPTIEREN“ stimmen Sie der Verwendung von Cookies auf Ihrem Endgerät und der Verwendung von tracking Technologien zu. Klicken Sie auf „MEHR INFORMATIONEN“ unten für mehr Informationen und Anleitungen wie man Cookies und tracking Technologien abschaltet. Das Akzeptieren von Cookies und tracking Technologien ist zwar freiwillig, das Blockieren kann aber eine korrekte Ausführung unserer Website verhindern, und bestimmte Werbung könnte für Sie weniger relevant sein.
Ihr Datenschutz ist uns wichtig. Lesen Sie mehr über unsere Datenschutzrichtlinien hier.