Monochrome 0.91" 128x32 SPI OLED Graphic Display | 326
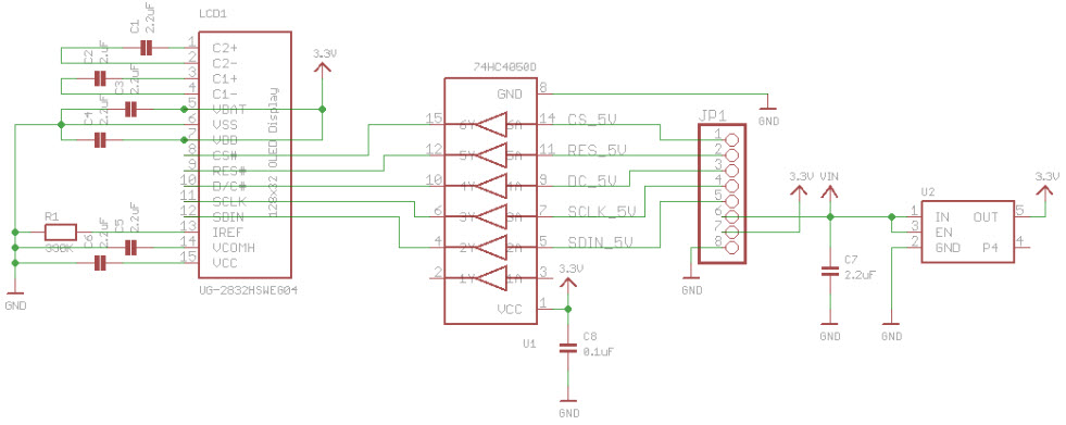
Referenzdesign unter Verwendung des Teils UG-2832HSWEG04 von Adafruit Industries
Zugehörige Dokumente
Für Endprodukte
- OLED Display
Beschreibung
- 0.91" 128x32 SPI OLED Graphic Display, is a small, only about 1" diagonal, but very readable due to the high contrast of an OLED display. This display is made of 128x32 individual white OLED pixels, each one is turned on or off by the controller chip. Because the display makes its own light, no backlight is required. This reduces the power required to run the OLED and is why the display has such high contrast, we really like this miniature display for its crispness. This breakout can be used with an SPI interface - selectable by soldering two jumpers on the back. The design is completely 5V-ready, with an onboard regulator and built in boost converter. It's easier than ever to connect directly to your 3V or 5V microcontroller without needing any kind of level shifter
Haupteigenschaften
-
Display Type0.91" 128x32 Pixel SPI OLED Display
Empfohlene Bauteile (28)
| Teilenummer | Hersteller | Typ | Beschreibung | |||
|---|---|---|---|---|---|---|
|
|
RT9193-30GB | Richtek Technology Corporation | Linear Regulators | LDO Regulator Pos 3V 0.3A 5-Pin SOT-23 | In den Warenkorb | |
|
|
RT9193-33GU5 | Richtek Technology Corporation | Linear Regulators | LDO Regulator Pos 3.3V 0.3A 5-Pin SC-70 | In den Warenkorb | |
|
|
RT9193-36GB | Richtek Technology Corporation | Linear Regulators | LDO Regulator Pos 3.6V 0.3A 5-Pin SOT-23 | In den Warenkorb | |
|
|
RT9193-2HGB | Richtek Technology Corporation | Linear Regulators | LDO Regulator Pos 2.85V 0.3A 5-Pin SOT-23 | In den Warenkorb | |
|
|
RT9193-28GB(Z00) | Richtek Technology Corporation | Linear Regulators | LDO Regulator Pos 2.8V 0.3A 5-Pin SOT-23 | In den Warenkorb | |
|
|
RT9193-28GB | Richtek Technology Corporation | Linear Regulators | LDO Regulator Pos 2.8V 0.3A 5-Pin SOT-23 | In den Warenkorb | |
|
|
RT9193-27GB | Richtek Technology Corporation | Linear Regulators | LDO Regulator Pos 2.7V 0.3A 5-Pin SOT-23 | In den Warenkorb | |
|
|
RT9193-25GJ5 | Richtek Technology Corporation | Linear Regulators | LDO Regulator Pos 2.5V 0.3A 5-Pin TSOT-23 | In den Warenkorb | |
|
|
RT9193-18GB | Richtek Technology Corporation | Linear Regulators | LDO Regulator Pos 1.8V 0.3A 5-Pin SOT-23 | In den Warenkorb | |
|
|
RT9193-33GB | Richtek Technology Corporation | Linear Regulators | LDO Regulator Pos 3.3V 0.3A 5-Pin SOT-23 | In den Warenkorb | |
|
|
RT9193-2HGU5 | Richtek Technology Corporation | Linear Regulators | LDO Regulator Pos 2.85V 0.3A 5-Pin SC-70 | In den Warenkorb | |
|
|
RT9193-25GU5 | Richtek Technology Corporation | Linear Regulators | LDO Regulator Pos 2.5V 0.3A 5-Pin SC-70 | In den Warenkorb | |