NN30195A-EVB, Evaluation Board for NN30195A 6A Synchronous DC-DC Step Down Regulator

Referenzdesign unter Verwendung des Teils NN30195A von Panasonic Industry

Hersteller

Panasonic Industry
  • Anwendungskategorie
    Spannungsversorgungen
  • Produkttyp
    Einzelausgangs Gleichspannungs Netzteil

Für Endprodukte

  • Game Console
  • Hard Disk Drive (HDD)
  • Home Appliances
  • Office Equipments
  • Satellite TV
  • Security Camera
  • Solid State Drive (SSD)

Beschreibung

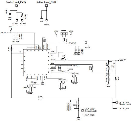
  • NN30195A-EVB, Evaluation Board for the NN30195A is a synchronous DC-DC Step Down Regulator (1-ch) with integrated power MOSFETs, which employs hysteretic control system. By this system, when load current changes suddenly, it responds at high speed and minimizes the changes of output voltage. Since it is possible to use capacitors with small capacitance and it is unnecessary to add external parts for system phase compensation, this IC realizes downsizing of set and reducing in the number of external parts. Output voltage is adjustable by user. Maximum current is 6A

Haupteigenschaften

  • Conversion Type
    DC to DC
  • Input Voltage
    4.5 to 5.6 V
  • Output Voltage
    0.6 to 3.5 V
  • Output Current
    6 A
  • Topology
    Buck

Aktuelles über Elektronikkomponenten­

Wir haben unsere Datenschutzbestimmungen aktualisiert. Bitte nehmen Sie sich einen Moment Zeit, diese Änderungen zu überprüfen. Mit einem Klick auf "Ich stimme zu", stimmen Sie den Datenschutz- und Nutzungsbedingungen von Arrow Electronics zu.

Wir verwenden Cookies, um den Anwendernutzen zu vergrößern und unsere Webseite zu optimieren. Mehr über Cookies und wie man sie abschaltet finden Sie hier. Cookies und tracking Technologien können für Marketingzwecke verwendet werden.
Durch Klicken von „RICHTLINIEN AKZEPTIEREN“ stimmen Sie der Verwendung von Cookies auf Ihrem Endgerät und der Verwendung von tracking Technologien zu. Klicken Sie auf „MEHR INFORMATIONEN“ unten für mehr Informationen und Anleitungen wie man Cookies und tracking Technologien abschaltet. Das Akzeptieren von Cookies und tracking Technologien ist zwar freiwillig, das Blockieren kann aber eine korrekte Ausführung unserer Website verhindern, und bestimmte Werbung könnte für Sie weniger relevant sein.
Ihr Datenschutz ist uns wichtig. Lesen Sie mehr über unsere Datenschutzrichtlinien hier.