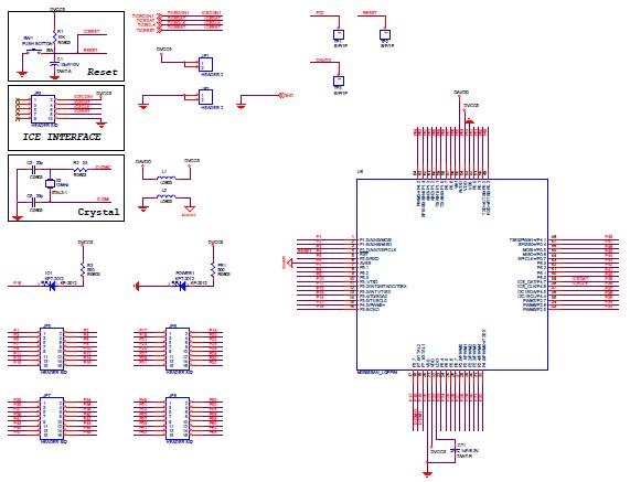
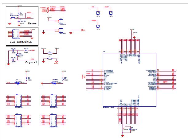
NuTiny-SDK-M058S, Development Board based on the NuMicro M058S Series

Referenzdesign unter Verwendung des Teils M058SSAN von Nuvoton Technology Corporation

Hersteller

Nuvoton Technology Corporation
  • Anwendungskategorie
    Eingebettete Systeme
  • Produkttyp
    Mikrocontroller

Zugehörige Dokumente

Für Endprodukte

  • Communications and Telecom
  • Industrial Control

Beschreibung

  • NuTiny-SDK-M058S, Development Tool for NuMicro M058S series by which users can develop and verify the application program easily. The NuTiny-SDK-M058S includes two portions: NuTiny-EVB-M058S (evaluation board) and Nu-Link-Me (Debug Adaptor). With the NuTiny-SDKM058S, users do not need additional ICE or debug equipment

Haupteigenschaften

  • Embedded System Type
    MCU
  • Family Name
    M058S
  • Core Processor
    ARM Cortex-M0

Aktuelles über Elektronikkomponenten­

Wir haben unsere Datenschutzbestimmungen aktualisiert. Bitte nehmen Sie sich einen Moment Zeit, diese Änderungen zu überprüfen. Mit einem Klick auf "Ich stimme zu", stimmen Sie den Datenschutz- und Nutzungsbedingungen von Arrow Electronics zu.

Wir verwenden Cookies, um den Anwendernutzen zu vergrößern und unsere Webseite zu optimieren. Mehr über Cookies und wie man sie abschaltet finden Sie hier. Cookies und tracking Technologien können für Marketingzwecke verwendet werden.
Durch Klicken von „RICHTLINIEN AKZEPTIEREN“ stimmen Sie der Verwendung von Cookies auf Ihrem Endgerät und der Verwendung von tracking Technologien zu. Klicken Sie auf „MEHR INFORMATIONEN“ unten für mehr Informationen und Anleitungen wie man Cookies und tracking Technologien abschaltet. Das Akzeptieren von Cookies und tracking Technologien ist zwar freiwillig, das Blockieren kann aber eine korrekte Ausführung unserer Website verhindern, und bestimmte Werbung könnte für Sie weniger relevant sein.
Ihr Datenschutz ist uns wichtig. Lesen Sie mehr über unsere Datenschutzrichtlinien hier.