Panda Board, OMAP 4 Panda Board System Reference based on OMAP4430 SoC OMAP Processor
Referenzdesign unter Verwendung des Teils OMAP4430CCBL von CircuitCo
Beschreibung
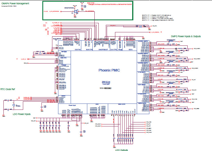
- Panda Board, OMAP 4 Panda Board System Reference based on OMAP4430 SoC OMAP Processor. Panda Board is an OMAP4430 platform designed to provide access to as many of the powerful features of the OMAP4430 Multimedia Processor as possible, while maintaining a low cost. This will allow the user to develop software to utilize the features of the powerful OMAP4430 processor. In addition, by providing expandability via on-board connectors, the Panda Board supports development of additional capabilities/functionality
Haupteigenschaften
-
Embedded System TypeMPU
-
Family NameOMAP
-
Core ProcessorARM Cortex-A9
-
PlatformPandaBoard
Empfohlene Bauteile (27)
| Teilenummer | Hersteller | Typ | Beschreibung | |||
|---|---|---|---|---|---|---|
|
|
LAN9514-JZX | Microchip Technology | Ethernet Controllers | Ethernet CTLR Single Chip 10Mbps/100Mbps 3.3V 64-Pin QFN EP Tray | In den Warenkorb | |
|
|
TPS2141IPWPR | Texas Instruments | USB Power Switches | USB Power Switch Dual 5.5V 1.3A 14-Pin HTSSOP EP T/R | In den Warenkorb | |
|
|
LAN9514-JZX-TR | Microchip Technology | Ethernet Controllers | Ethernet CTLR Single Chip 10Mbps/100Mbps 3.3V 64-Pin QFN EP T/R | In den Warenkorb | |
|
|
TL1963ADCQR | Texas Instruments | Linear Regulators | LDO Regulator Pos 1.21V to 20V 1.5A 6-Pin(5+Tab) SOT-223 T/R | In den Warenkorb | |
|
|
TPS2054BDRG4 | Texas Instruments | USB Power Switches | USB Power Switch Quad 5.5V 1A 16-Pin SOIC T/R | In den Warenkorb | |
|
|
TPS2054BD | Texas Instruments | USB Power Switches | Power Switch Hi Side 4-OUT 0A 0.075mOhm 16-Pin SOIC Tube | In den Warenkorb | |
|
|
TFP410PAPR | Texas Instruments | Transceivers Misc | Digital Transmitter 3TX 64-Pin HTQFP EP T/R | In den Warenkorb | |
|
|
SN65C3232EDRG4 | Texas Instruments | Bus Line Transceivers | Dual Transmitter/Receiver RS-232 16-Pin SOIC T/R | In den Warenkorb | |
|
|
TPS2141IPWPG4 | Texas Instruments | USB Power Switches | USB High-Power PEripherals | In den Warenkorb | |
|
|
USB3320C-EZK | Microchip Technology | USB Transceivers | USB Transceiver 1TR 32-Pin VQFN EP Tray | In den Warenkorb | |
|
|
SN74AUP1G17DCKRG4 | Texas Instruments | Buffers and Line Drivers | Schmitt Trigger Buffer 1-CH Non-Inverting Push-Pull CMOS 5-Pin SC-70 T/R | In den Warenkorb | |
|
|
TXS0102DCUR | Texas Instruments | Level Translators | Voltage Level Translator 2-CH Bidirectional 8-Pin VSSOP T/R | In den Warenkorb | |