PMP10375.2, 335W Single Stage LLC-SRC Converter Reference Design

Referenzdesign unter Verwendung des Teils UCC25600D von Texas Instruments

Hersteller

Texas Instruments
  • Anwendungskategorie
    Spannungsversorgungen
  • Produkttyp
    Wechsel- zu Gleichstrom Einfach Netzteil

Für Endprodukte

  • ATX Power Supply
  • Audio
  • Electronic Ballast
  • LCD TV
  • Plasma TV
  • Power Supplies
  • Power Supply Adaptor

Beschreibung

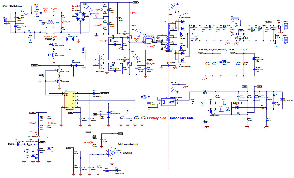
  • PMP10375.2, 335W Single Stage LLC-SRC Converter Reference Design. The PMP10375 reference design is a single stage LLC series resonant converter (SRC), producing up to a 335W output using UCC25600 resonant controller. With the use of single stage LLC-SRC, the converter efficiency goes up to 90% at 335W full output power with 120VAC input

Haupteigenschaften

  • Conversion Type
    AC to DC
  • Input Voltage
    90 to 130 (AC) V
  • Output Voltage
    15 V
  • Output Current
    1 A
  • Output Power
    15 W
  • Efficiency
    90 %
  • Topology
    Full Bridge- LLC

Aktuelles über Elektronikkomponenten­

Wir haben unsere Datenschutzbestimmungen aktualisiert. Bitte nehmen Sie sich einen Moment Zeit, diese Änderungen zu überprüfen. Mit einem Klick auf "Ich stimme zu", stimmen Sie den Datenschutz- und Nutzungsbedingungen von Arrow Electronics zu.

Wir verwenden Cookies, um den Anwendernutzen zu vergrößern und unsere Webseite zu optimieren. Mehr über Cookies und wie man sie abschaltet finden Sie hier. Cookies und tracking Technologien können für Marketingzwecke verwendet werden.
Durch Klicken von „RICHTLINIEN AKZEPTIEREN“ stimmen Sie der Verwendung von Cookies auf Ihrem Endgerät und der Verwendung von tracking Technologien zu. Klicken Sie auf „MEHR INFORMATIONEN“ unten für mehr Informationen und Anleitungen wie man Cookies und tracking Technologien abschaltet. Das Akzeptieren von Cookies und tracking Technologien ist zwar freiwillig, das Blockieren kann aber eine korrekte Ausführung unserer Website verhindern, und bestimmte Werbung könnte für Sie weniger relevant sein.
Ihr Datenschutz ist uns wichtig. Lesen Sie mehr über unsere Datenschutzrichtlinien hier.