PMP5600, 13.65V@1.5A 20W with UCC28610

Referenzdesign unter Verwendung des Teils UCC28610D von Texas Instruments

Hersteller

Texas Instruments
  • Anwendungskategorie
    Spannungsversorgungen
  • Produkttyp
    Wechsel- zu Gleichstrom Einfach Netzteil

Beschreibung

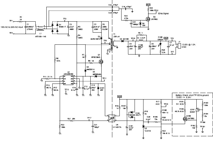
  • PMP5600, 13.65V@1.5A 20W with UCC28610. PMP5600 is a quasi-resonant isolated flyback, starting from high line and delivering 13.65V @ 1.5A. The converter "reads" the mains frequency by means of capacitors and a small SOT-23 Mosfet. A short on a test point reduces the output voltage to 8.34V performing a battery test function

Haupteigenschaften

  • Conversion Type
    AC to DC
  • Input Voltage
    195 to 265 (AC) V
  • Output Voltage
    13.65 V
  • Output Current
    1.5 A
  • Output Power
    20.475 W
  • Topology
    Flyback- Quasi Resonant

Aktuelles über Elektronikkomponenten­

Wir haben unsere Datenschutzbestimmungen aktualisiert. Bitte nehmen Sie sich einen Moment Zeit, diese Änderungen zu überprüfen. Mit einem Klick auf "Ich stimme zu", stimmen Sie den Datenschutz- und Nutzungsbedingungen von Arrow Electronics zu.

Wir verwenden Cookies, um den Anwendernutzen zu vergrößern und unsere Webseite zu optimieren. Mehr über Cookies und wie man sie abschaltet finden Sie hier. Cookies und tracking Technologien können für Marketingzwecke verwendet werden.
Durch Klicken von „RICHTLINIEN AKZEPTIEREN“ stimmen Sie der Verwendung von Cookies auf Ihrem Endgerät und der Verwendung von tracking Technologien zu. Klicken Sie auf „MEHR INFORMATIONEN“ unten für mehr Informationen und Anleitungen wie man Cookies und tracking Technologien abschaltet. Das Akzeptieren von Cookies und tracking Technologien ist zwar freiwillig, das Blockieren kann aber eine korrekte Ausführung unserer Website verhindern, und bestimmte Werbung könnte für Sie weniger relevant sein.
Ihr Datenschutz ist uns wichtig. Lesen Sie mehr über unsere Datenschutzrichtlinien hier.