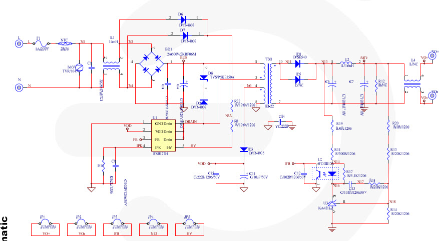
RD-FSB127H-T001, Reference Design for 16W, 5V AC to DC Single Output Power Supply for Game Console

Referenzdesign unter Verwendung des Teils FSB127HNY von onsemi

Hersteller

onsemi
  • Anwendungskategorie
    Spannungsversorgungen
  • Produkttyp
    Wechsel- zu Gleichstrom Einfach Netzteil

Für Endprodukte

  • Game Console
  • LCD Monitor
  • LCD TV
  • Servers

Beschreibung

  • RD-FSB127H-T001, Reference Design for 16W, 5V AC to DC Single Output Power Supply for Game Console. FSB127HNY, 16W/5V Flyback Power Design for SMPS applications

Haupteigenschaften

  • Conversion Type
    AC to DC
  • Input Voltage
    90 to 264 (AC) V
  • Output Voltage
    5 V
  • Output Current
    3.2 A
  • Output Power
    16 W
  • Efficiency
    77.82 %
  • Topology
    Flyback

Aktuelles über Elektronikkomponenten­

Wir haben unsere Datenschutzbestimmungen aktualisiert. Bitte nehmen Sie sich einen Moment Zeit, diese Änderungen zu überprüfen. Mit einem Klick auf "Ich stimme zu", stimmen Sie den Datenschutz- und Nutzungsbedingungen von Arrow Electronics zu.

Wir verwenden Cookies, um den Anwendernutzen zu vergrößern und unsere Webseite zu optimieren. Mehr über Cookies und wie man sie abschaltet finden Sie hier. Cookies und tracking Technologien können für Marketingzwecke verwendet werden.
Durch Klicken von „RICHTLINIEN AKZEPTIEREN“ stimmen Sie der Verwendung von Cookies auf Ihrem Endgerät und der Verwendung von tracking Technologien zu. Klicken Sie auf „MEHR INFORMATIONEN“ unten für mehr Informationen und Anleitungen wie man Cookies und tracking Technologien abschaltet. Das Akzeptieren von Cookies und tracking Technologien ist zwar freiwillig, das Blockieren kann aber eine korrekte Ausführung unserer Website verhindern, und bestimmte Werbung könnte für Sie weniger relevant sein.
Ihr Datenschutz ist uns wichtig. Lesen Sie mehr über unsere Datenschutzrichtlinien hier.