SI5356-EVB, Evaluation Board for Si5356, 1 to 200MHz Clock Generator for Ethernet Router and Ethernet Switch
Referenzdesign unter Verwendung des Teils Si5356A-A-GM von Silicon Labs
Zugehörige Dokumente
Für Endprodukte
- DSLAM
- Ethernet Router and Ethernet Switch
- Video and Imaging
Beschreibung
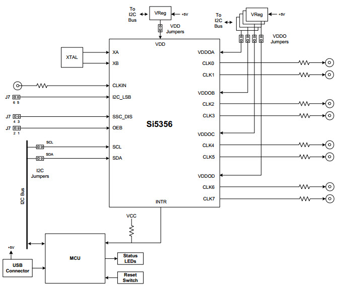
- SI5356-EVB, Evaluation Board is used for evaluating the Si5356 I2C programmable, any frequency 1-200 MHz, quad frequency 8-output clock generator. A Fully powered from a single USB port, On-board 25 MHz XTAL allows Standalone asynchronous operation
Empfohlene Bauteile (16)
| Teilenummer | Hersteller | Typ | Beschreibung | |||
|---|---|---|---|---|---|---|
|
|
MAX8869EUE50+ | Analog Devices | Linear Regulators | LDO Regulator Pos 0.8V to 5V5V 1A 16-Pin TSSOP EP Tube | In den Warenkorb | |
|
|
MAX8869EUE50+ | Analog Devices | Linear Regulators | LDO Regulator Pos 0.8V to 5V5V 1A 16-Pin TSSOP EP Tube | In den Warenkorb | |
|
|
FA-238 25.0000MB-B | Seiko Epson Corporation | Crystals | Crystal 25MHz ±50ppm (Tol) ±30ppm (Stability) 16pF FUND 50Ohm 4-Pin CSMD Bulk | In den Warenkorb | |
|
|
ADG728BRUZ | Analog Devices | Analog Switch Multiplexers | Analog Multiplexer Single 8:1 16-Pin TSSOP Tube | In den Warenkorb | |
|
|
C8051F340-GQ | Silicon Labs | Microcontrollers - MCUs | MCU 8-bit 8051 CISC 64KB Flash 3.3V/5V 48-Pin TQFP Tray | In den Warenkorb | |
|
|
ADG728BRUZ-REEL7 | Analog Devices | Analog Switch Multiplexers | Analog Multiplexer Single 8:1 16-Pin TSSOP T/R | In den Warenkorb | |
|
|
MAX8869EUE50+T | Analog Devices | Linear Regulators | LDO Regulator Pos 0.8V to 5V5V 1A 16-Pin TSSOP EP T/R | In den Warenkorb | |
|
|
AD5263BRUZ20 | Analog Devices | Digital Potentiometers | Digital Potentiometer 20kOhm 256POS Volatile Linear 24-Pin TSSOP Tube | In den Warenkorb | |
|
|
C8051F340-GQR | Silicon Labs | Microcontrollers - MCUs | MCU 8-bit 8051 CISC 64KB Flash 3.3V/5V 48-Pin TQFP T/R | In den Warenkorb | |
|
|
AD5263BRUZ20-REEL7 | Analog Devices | Digital Potentiometers | Digital Potentiometer 20kOhm 256POS Volatile Linear 24-Pin TSSOP T/R | In den Warenkorb | |
|
|
AD5263BRUZ200 | Analog Devices | Digital Potentiometers | Digital Potentiometer 200kOhm 256POS Volatile Linear 24-Pin TSSOP Tube | In den Warenkorb | |
|
|
FA-238 25.0000MB-B3 | Seiko Epson Corporation | Crystals | Crystal 25MHz ±50ppm (Tol) ±30ppm (Stability) 16pF FUND 50Ohm 4-Pin CSMD T/R | In den Warenkorb | |