SPC560B64A100S, Daughter/Adapter Board for SPC560B40L3, SPC560C40L3, SPC560B50L3 and SPC560C50L3 SPC560 series MCU devices in QFP100 package
Referenzdesign unter Verwendung des Teils SPC560B40L3 von STMicroelectronics
Zugehörige Dokumente
Für Endprodukte
- Automotive - Body Electronics
Beschreibung
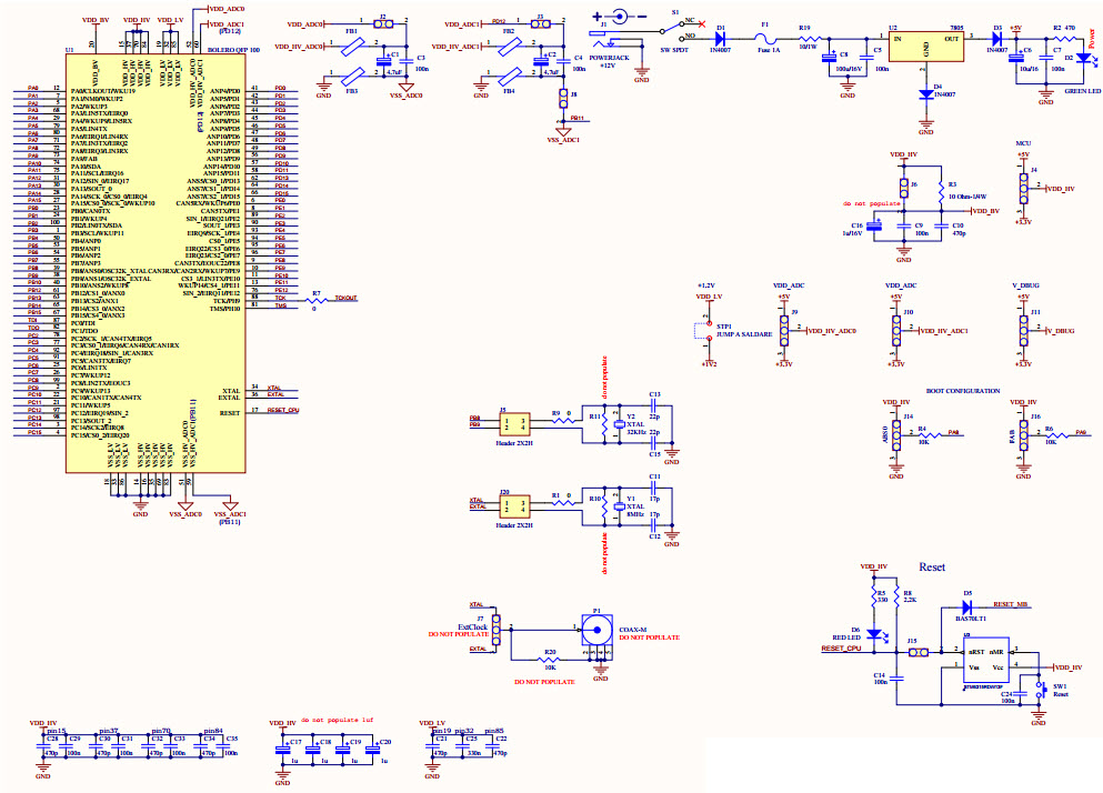
- SPC560B64A100S, Daughter/Adapter Board for SPC560 series devices in QFP100 package. The SPC560B64A100S is evaluation systems supporting the SPC560Bxx family of automotive Microprocessors. The complete system consists of a SPC56XXMB motherboard and a mini module which plugs directly into the motherboard. Different mini modules are available for evaluating the whole family of devices in all supported packages. The evaluation systems allow full access to the CPU, to all of the CPU's I/O signals and to the motherboard's peripherals (such as CAN, SCI and LIN)
Haupteigenschaften
-
Embedded System TypeMCU
-
Family NameSPC560Bxx
-
Core Processore200
Empfohlene Bauteile (7)
| Teilenummer | Hersteller | Typ | Beschreibung | |||
|---|---|---|---|---|---|---|
|
|
SPC560B50L3C6E0Y | STMicroelectronics | Microcontrollers - MCUs | MCU 32-bit e200z0h RISC 512KB Flash 3.3V/5V Automotive AEC-Q100 100-Pin LQFP Tray | In den Warenkorb | |
|
|
SPC560B50L3C6E0X | STMicroelectronics | Microcontrollers - MCUs | MCU 32-bit e200z0h RISC 512KB Flash 3.3V/5V Automotive 100-Pin LQFP T/R | In den Warenkorb | |
|
|
STM6315RDW13F | STMicroelectronics | Supervisory Circuits | Processor Supervisor 2.63V 1 Active Low/Open Drain 4-Pin SOT-143 T/R | In den Warenkorb | |
|
|
SPC560B50L3B6E0X | STMicroelectronics | Microcontrollers - MCUs | MCU 32-bit e200z0h RISC 512KB Flash 3.3V/5V Automotive 100-Pin LQFP T/R | In den Warenkorb | |
|
|
SPC560B50L3B4E0X | STMicroelectronics | Microcontrollers - MCUs | MCU 32-bit e200z0h RISC 512KB Flash 3.3V/5V Automotive 100-Pin LQFP T/R | In den Warenkorb | |
|
|
SPC560B40L3C6E0X | STMicroelectronics | Microcontrollers - MCUs | MCU 32-bit e200z0h RISC 256KB Flash 3.3V/5V Automotive 100-Pin LQFP T/R | In den Warenkorb | |
|
|
SPC560B40L3B4E0X | STMicroelectronics | Microcontrollers - MCUs | MCU 32-bit e200z0h RISC 256KB Flash 3.3V/5V Automotive 100-Pin LQFP T/R | In den Warenkorb | |